SP-0077-001.pdf - 第62页
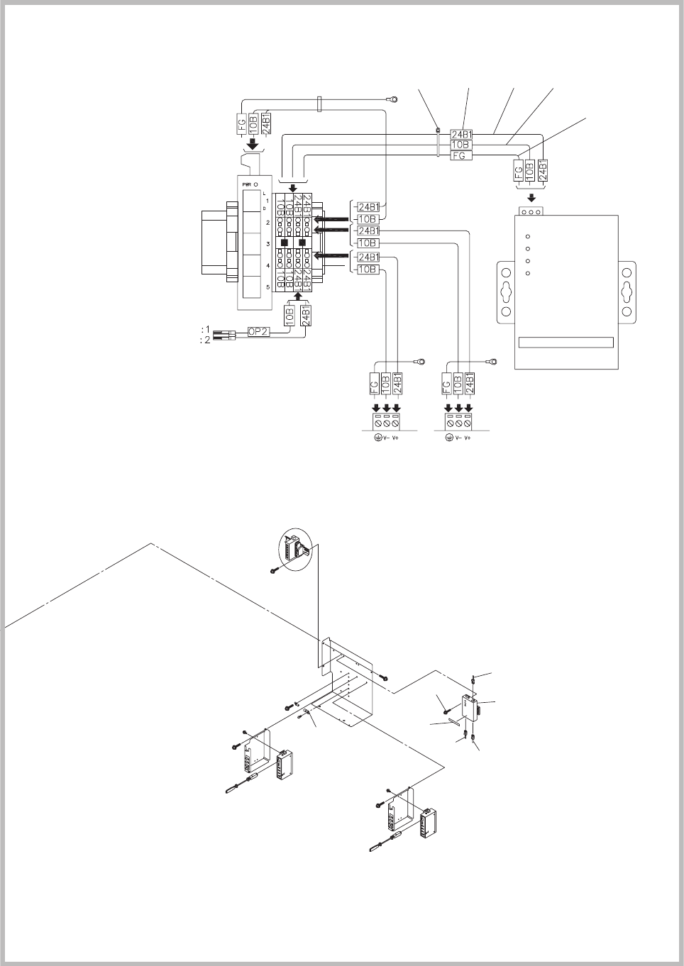
Fig. D1-5 OP パネル OP Panel 1003-001 4F4 B DET AIL”B” DET AIL” ” A A 914A 914B 912B 912B 912B 912A 912A 912A 913A 913B 911A 911B 911A 911B 24G 10G 10G A-X2140 10G B-X2140 XS006-03 4G1 4F1 4F4 4F2 4G3 4G2 4F5 4F6 4F2 4F6 4F…
CONTENTS
Fig. D1
パレット
ACV
システム対応(
GS-DA420
)
FOR PALLET ACV SYSTEM(GS-DA420)
Fig. D1-5
OP
パネル
OP Panel
1003-001
Fig. D1

Fig. D1-5
OP
パネル
OP Panel
1003-001
4F4
B
DETAIL”B”
DETAIL” ”
A
A
914A
914B
912B
912B
912B
912A
912A
912A
913A
913B
911A
911B
911A
911B
24G
10G
10G
A-X2140
10G
B-X2140
XS006-03
4G1
4F1
4F4
4F2
4G3
4G2
4F5
4F6
4F2
4F6
4F1
4G8 4G7 4G4 4G5
4G6
(BASE:Document No. SP-077-00X
GS-DA100, 200 Fig.D1-5)
Fig. D1
パレット
ACV
システム対応(
GS-DA420
)
FOR PALLET ACV SYSTEM(GS-DA420)

Fig. D1
1003-001
Fig. D1-5
4F4
DETAIL” ”
A
A
4G1
4F1
4F4
4F2
4G3
4G2
4F5
4G8 4G7 4G4 4G5
4G6