ENG_SS_108-90807_C.pdf - 第6页
Product specification ‘Multisprin g B signal’ 108 - 9080 7 ............................................................. . ............................................................. ...................................…

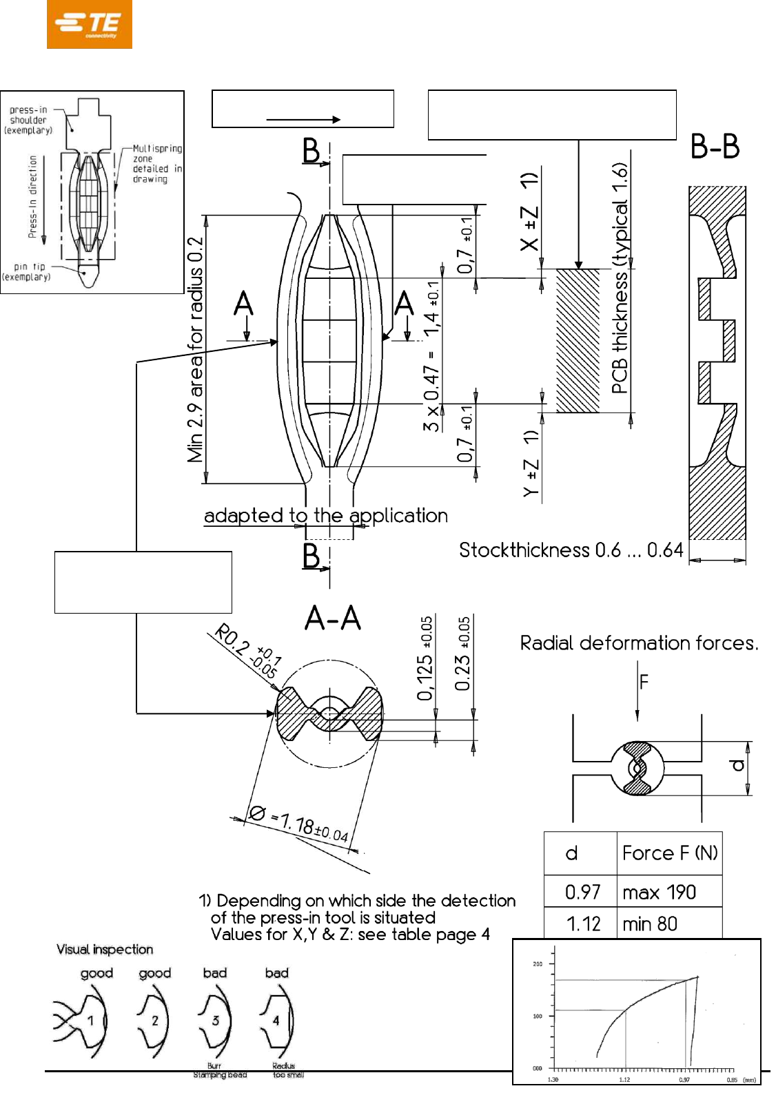
Product specification ‘Multispring B signal’ 108-90807
................................................................................................................................................................................................................................................…………………..
Rev. C Page 5 of 7
R1-1 (Rev. 02-00)
Place for clamping (radial force
measurement): X = 0.1 mm
Plating direction of strip
Place to measure
plating thickness (only
scenario B,C&E)
Place to measure
plating thickness
(scenario A,B,C & E)
Short term capability
of minimum 1.67
Radial force

Product specification ‘Multispring B signal’ 108-90807
................................................................................................................................................................................................................................................…………………..
Rev. C Page 6 of 7
R1-1 (Rev. 02-00)
5. INSTRUCTION AND TOOLS FOR THE PRESS-IN OPERATION.
Replacement with a new press-in termination is for the moment not guaranteed.
Repairs have to be tested on request.
Press-in depth:
See the dimensional drawing on page 5 for the nominal thickness printed board (1.6mm).
The use of thinner printed boards has to be tested.
For thicker printed boards the position of the press-in zone should be preferably
in the upper half of the printed board thickness. See the application drawing and table.
For complex applications with a high number of pins in the same module, the dimension of X±0.2mm
can be interpreted of the mean of all press-in depths. The maximum single press-in depth should
however be within X±0.3mm. For standalone pins as Single Pin Insertion, the depth tolerance of +0.2
mm to -0.2 mm is valid
PCB Thickness
(nominal)
Nominal Press-in
dimension X
Nominal Press-in
dimension Y
Tolerance Press-in
dimension Z
> 1.6 mm
0.1
±0.2
1.5…1.6 mm
0.1
0.1
0.8…1.5 mm *)
Not released
Depending on the detection side of the press-in tooling, dimension X or Y can be used.
*) The use of thinner printed circuit boards has not been tested. The normal granted retention forces
and PCB deformations can deviate from the usual allowed limits when using a thinner PCB. This
should be tested on request if needed.
Press in force / distance should be controlled.
Press-in speed:
Maximum 5mm/s for headers, housings & modules. Maximum 200 mm/s for stitched pins. Other
speeds need to be tested
Tool information:
The press-in tool has to be adapted to the actual application. To ensure an optimal quality of the
applied TE Connectivity products, we recommend the utilization of application equipment from TE
Connectivity.
The latest news and detailed information can be found on http://www.te.com/en/products/application-
tooling.html.
Contact person : siegfried.beck@te.com.

Product specification ‘Multispring B signal’ 108-90807
................................................................................................................................................................................................................................................…………………..
Rev. C Page 7 of 7
R1-1 (Rev. 02-00)
6. PRESS-IN CHARACTERISTICS.
6.1 Mechanical
Press-in and retention forces (performed on single multispring terminations)
Plating
multispring
Max. press-in
force *)**)
Typ. press-
in force *)
Min. press-in
force *)
Min. Push-out
force *) ***)
SnFlash
/SnPbFlash
150N
100-135N
70 N
20N
SnEP
150N
80-125N
65N
15N
Au
tbd
tbd
tbd
tbd
*) Values in chemical tin-plated printed boards (SnFlash based on the qualification parts 11/2008)
**) Value pro press-in zone
***) Minimum push-out force per termination (incl. end of life).
Values in other printed circuit boards: have to be tested on request.
6.2 Electrical
Contact resistance < 0.5 mΩ (measured values acc. IEC 60352-5 in tin plated printed boards)
6.3 Environmental
Temperature Range –40°C /+140°C
Other temperatures can be used depending on the temperature limitations of the printed board used in the
application but have to be tested.
7. REQUIREMENTS
Qualification tests based on IEC 60352-5. Test group C based on more severe automotive requirements
8. RELATED DOCUMENTS
8.1 Customer documents
- Bosch Order specifications: see table page 4
- Bosch 1 279 927 296 Guidelines for required evaluations of press-fit pins for technology release rev
13/06/2013
8.2 Test-Reports
- See 0808-608-04-01 CuSn6
- See 18-AUT-BE-0129-1/2/3/7/8 CuNiSi