yv180xg_j.pdf - 第10页

PAGE 8 YV180Xg (KGD) Operation Panel Sel. CRT1 MOUSE KEYBOARD A12 A10 FRONT OPERATION SWITCHES MOUSE KEYBOARD CRT2 A11 A13 FRONT SIDE REAR SIDE J112 J118 J49 J113 J261 J262 REAR OPERATION SWITCHES P31 CONTROL BOX(VGA) CO…

100%1 / 22
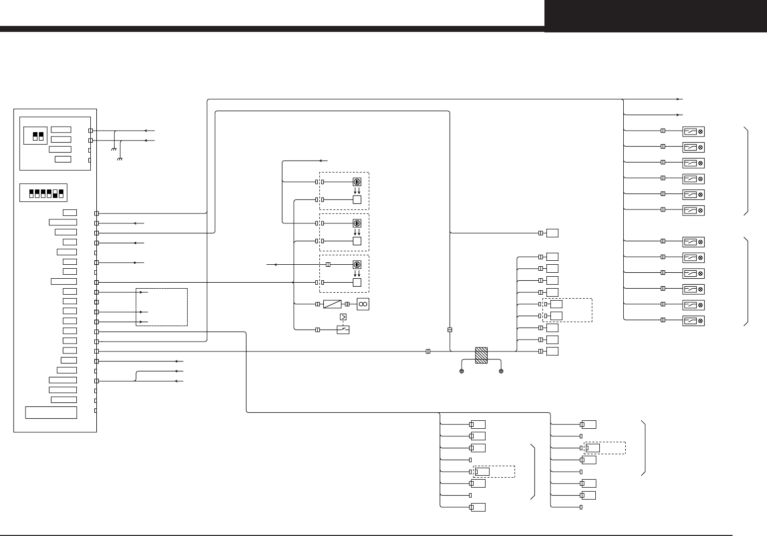
PAGE 7
YV180Xg (KGD)
I/O Conveyor B
KM5-M4580-xxx
J41
CONNECTION BOARD(CNF16)
12V,24V OPEN
GATE IN 5V SHORT
GATE IN
DO SPARE
DI SPARE
CN25
CN24
CN23
CN22
SPARE
CN21
DI36
CN19
DI4
CN18
DO6
DO5
CN16
CN15
DO4
DO3
DO2
DO1
CN14
CN13
CN12
CN11
EMG/INT
CN8
DI3
CN1
DI1
CN7
EMG
CN6
POWER
CN5
DI2
CN4
CN3
ORG/OT
DC24V IN
CN2
COMU2
COMU1
CNX2
CNX1
TEST
CNX5
RS232C
CNX4
I/O BOARD CORE ASSY
J205
J102
ON
OFF
12
DIP SW(S1)
4
ON
OFF
12
DIP SW(S1)
653
J257
J255
J162
N1120-N1125
I/O CONVEYOR UNIT ASSY B P24
CNX2 B
CNX1 B
J104
I/O HEAD B(CNX1)
CONTROL BOX(I/O2)
CN1 B
CN2 B
J192
CN3 B
J182
CN4 B
J190
J168
CONNECTION BOARD(CNF35)
CN6 B
CN8 B
CN11 B
CN13 B
CN14 B
J215
J216
J217
R FEEDER
CN15 B
CN16 B
J192
CN18 B
J184
CN19 B
CN22 B
FLEXIBLE
ORG/OT
TABLE
J186
DUCT Y1
J73
ORG
ORG
OT
SET POSITOIN
TRANSIT 1
TRANSIT 2
ORG
LOCATE PIN 1
LOCATE PIN 2
SET P.1
PU ORG
TRNS1
TRNS2
L.PIN1
L.PIN2
Y ORG
(OPTION)
N1100
N1102
N1103
N1150
N1151
N1152
N1153
N1154
N1155
SQ51
SQ53
SQ55
SQ41
SQ43
SQ44
SQ45
SQ46
SQ47
Y1-AXIS
W3-AXIS
Y1-AXIS
A TABLE
A TABLE
A TABLE
A TABLE
A TABLE
PU1-AXIS
TABLE A
J184
ORG
W4-AXIS
W4ORG
N1101
SQ52
J182
W3ORG
T1930
T1932
T1933
T1934
T1935
T1936
T1937
T1931
BOARD CLAMP B
BOARD CLAMP A
MAIN STOPPER
PUSH UP
EDGE CLAMP
PUSH IN
T-HOOK DOWN
LOCATE PIN
(OPTION)
B-TABLE
J205
T1926
T1927
YV37
STOPPER OF EXIT
COVER LOCK VALVE
STOPPER OF ENTRANCE
T1925
YV36
YV31
T1920
T1921
T1922
T1923
T1924
MAIN STOPPER
EDGE CLAMP
PUSH UP
LOCATE PIN
(OPTION)
PUSH IN
A-TABLE
YV33
YV34
YV35
YV41
YV43
YV44
YV45
YV46
J205
Y OT
W ORG
FDR +24V
FDR +24V
(OPTION)
(OPTION)
N1105
N1106
N1107
SENSOR
PRESSURE
AIR
P
N1111
SP11
N1111
N1110
EV4
FAN X1
R.FDR1
R.FDR2
N1105
N1106
N1107
SQ81A
SQ81B
R1.FEEDER FLOAT SENSOR
SQ82A
SQ82B
R2.FEEDER FLOAT SENSOR
SQ83A
SQ83B
R3.FEEDER FLOAT SENSOR
(OPTION, FOR CARRIAGE)
N1130/T1940
N1131/T1941
N1132/T1942
N1133/T1943
N1134/T1944
N1135/T1945
ACTIVE
START
STOP
ERR.CLR.
F.ACTIVE(WHITE)
F.START(GREEN)
F.READY(WHITE)
F.RESET(WHITE)
SB31
SB32
SB33
SB34
SB35
SB36
J231
J233
J234
J235
J232
J236
CONNECTION BOARD(CNF57)
SB41
SB42
SB43
SB44
SB45
SB46
R.ACTIVE(WHITE)
R.START(GREEN)
R.READY(WHITE)
R.RESET(WHITE)
J237
J239
J240
J241
J238
J242
ACTIVE
START
STOP
ERR.CLR.
N1140/T1950
N1141/T1951
N1142/T1952
N1143/T1953
N1144/T1954
N1145/T1955
J192
T1956(READY OUT)
T1957(ACTIVE CHANGE)
REAR OPERATION PANEL FRONT OPERATION PANEL
SWITCHER BOARD(CN8S)
RESET
READY
RESET
READY
F.STOP(RED)
F.ERROR CLEAR(YELLOW)
R.STOP(RED)
R.ERROR CLEAR(YELLOW)
CONNECTION BOARD(CNF19)
DUMP STATION(OPTION)
DUMP STATION(OPTION)
R FEEDER CARRIAGE(OPTION)
U1
PNP
NPN
CONNECTION BOARD(CNF40)
J30
FDR +24V
J39
R.FDR3
See Page 3
See Page 9
See Page 13,14
See Page 13,14
See Page 15
See Page 13,14
See Page 3
See Page 3
See Page 3
See Page 2
See Page 5
See Page 3
See Page 3
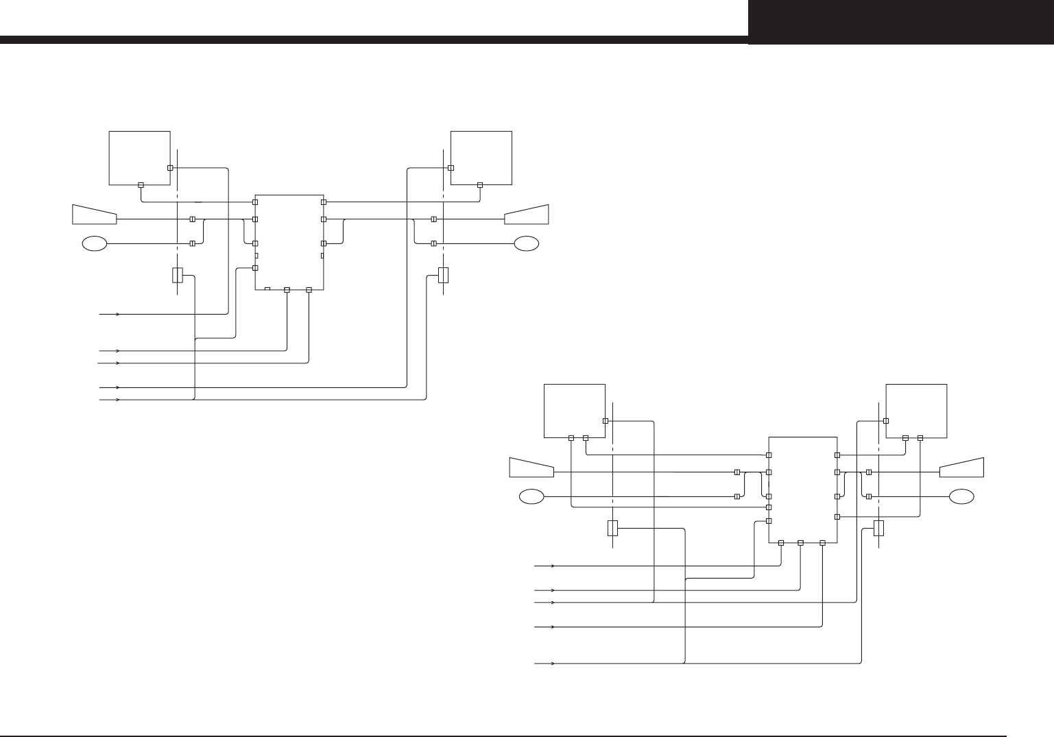
PAGE 8
YV180Xg (KGD)
Operation Panel Sel.
CRT1
MOUSE
KEYBOARD
A12
A10
FRONT OPERATION SWITCHES
MOUSE
KEYBOARD
CRT2
A11
A13
FRONT SIDEREAR SIDE
J112
J118
J49
J113
J261
J262
REAR OPERATION SWITCHES
P31
CONTROL BOX(VGA)
CONTROL BOX(KEY/MS)
SWITCHER BOARD
CRT2
KB2
MS2
RS2
EX
J50
RS PC CRT PC KB/MS PC
CRT1
KB1
MS1
RS1
AC100V IN
VGA
AC100V IN
VGA
See Page 2
See Page 2
QF22,XT21(U12,V10)
QF21,XT21(U11,V10)
MOUSE
KEYBOARD
A12
A10
FRONT OPERATION SWITCHES
FRONT SIDEREAR SIDE
LCD1
DC12V IN
SERIALVGA
DC12V IN
SERIAL VGA
LCD2
FRONT & REAR LCD TOUCH PANEL(OPTION)
LCD1
CONTROL BOX(SERIAL1)
J112
J118
CONTROL BOX(VGA)
J28
CONTROL BOX(KEY/MS)
J261
P31
REAR OPERATION SWITCHES
CONTROL BOX(EXT.PWR)
See Page 2
See Page 2
MOUSE
KEYBOARD
RS1
MS1
KB1
CRT1
CRT2
KB2
MS2
RS PC
KB/MS PC
RS2
EX
See Page 2
See Page 2
A11
A13
J262
CRT PC
FRONT & REAR CRT(STANDARD)
SWITCHER BOARD
See Page 10
J111
I/O CONVEYOR B(CN1,CN16)
J192
J192
I/O CONVEYOR B(CN1,CN16)
J111
J113
J223
J224
J225
See Page 7
See Page 7
See Page 10
NOTE1:In case of old system,See Part No KGD-000-CN0.
Oct./2003
PAGE 9
YV180Xg (KGD)
Camera Unit
DCAM1
J507
J508
CONTROL BOX(L.CTL1)
CONTROL BOX(D_CAM1)
CONNECTION BOARD(CNF41)
CN1
CN6
1
2
3
O
N
J514
J515
DCAM2
CONTROL BOX(L.CTL2)
CONTROL BOX(D_CAM2)
1
2
3
O
N
CN6
CN1
P81
P80
RS485IN
D-CAM1 ASSY
D-CAM2 ASSY
RS485OUT
24VIN
RS485IN
RS485OUT
24VIN
KV1 LED_DRIVER BOARD ASSY
KV1 LED_DRIVER BOARD ASSY
DIGITAL MULTI
D_CAM2
CAMERA 2
D_CAM1
DIGITAL MULTI
CAMERA 1
J506
J503
J505
J504
L.CTL1
+24VLDC1 +24V
+24VLDC2 +24V
J40
CN7
CN7
J509
J516
+24V
FAN
+24V
FAN
L.CTL2
See Page 2
See Page 2
See Page 3
See Page 2
See Page 2