yv180xg_j.pdf - 第2页

T able of contents /目次 YV180Xg Over V iew /全体接続図 Control Box /コントローラー接続図 Connection Board /コネクションボード接続図 I/O Head A /I / O接 続 図 ( Head A ) I/O Head B / I/O 接続図 ( Head B ) I/O Conveyor A / I/O 接続図 ( Conveyor A ) I/O Convey…

100%1 / 22
Appendix
制 御 配 線 図
180Xg
2003.10
Table of contents/目次
YV180Xg
Over View/全体接続図
Control Box/コントローラー接続図
Connection Board/コネクションボード接続図
I/O Head A/I/O接Head A
I/O Head B I/O 接続図 (Head B
I/O Conveyor A I/O 接続図 (Conveyor A
I/O Conveyor B I/O 接続図(Conveyor B
Operation Panel Sel./操作パネル接続図
Camera Unit/カメラユニット接続図
Power Circuit/電源回路図
Emergency Circuit/非常停止回路図
Power Transformer Terminal/トランスタップ切替図
Fix 32/8 Feeder Structure/フィックス 32/8 フィーダー接続図
FES 20 Feeder Structure FES 20 フィーダー接続図
FES 20 Safety/2 Carriage(Normal) FES 20 安全回路図 / 一括 2 台車(ノーマル)
Air circuit/エア回路図
Wiring parts list/配線部品表
PAGE 1
YV180Xg (KGD)
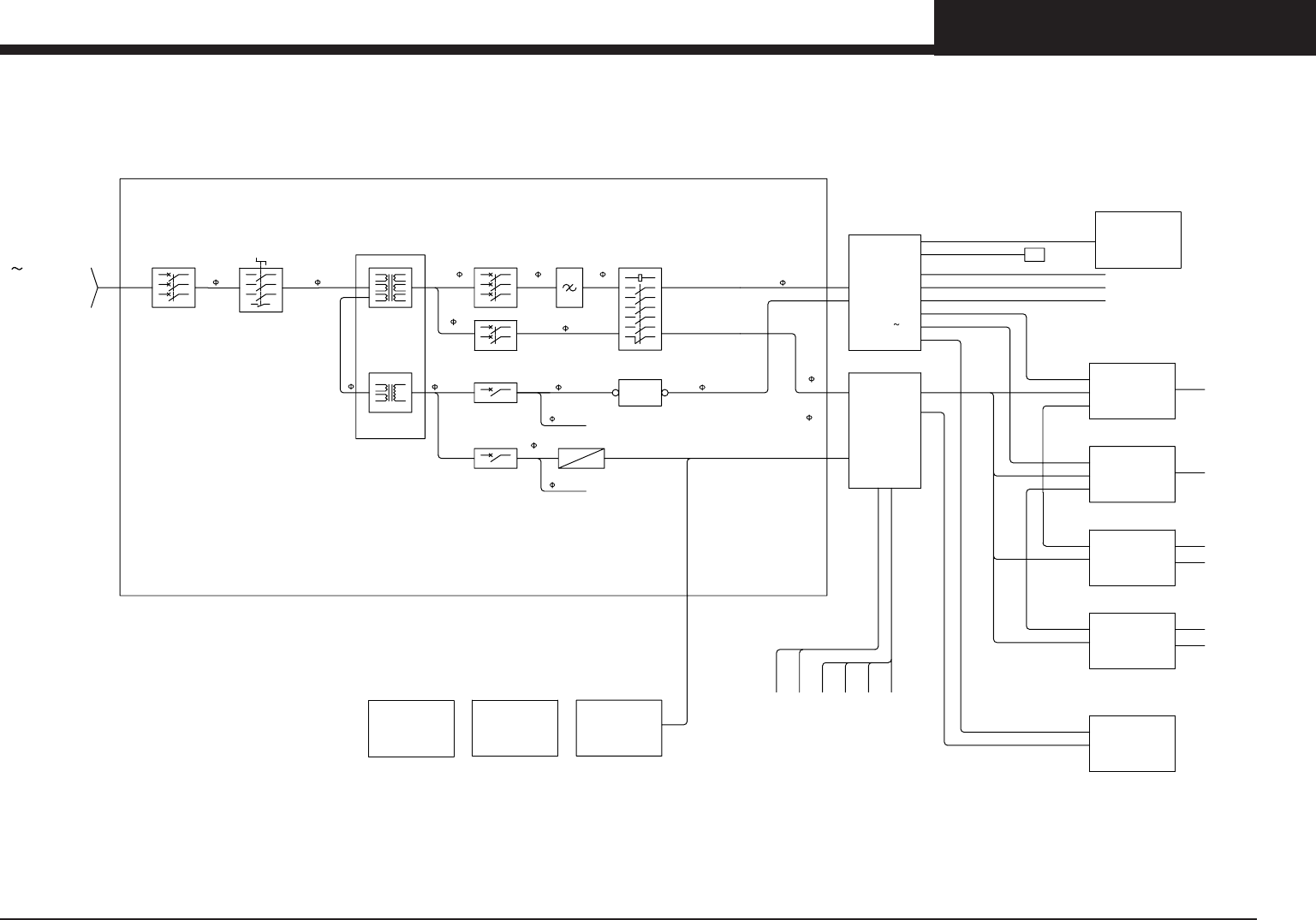
Over View
Filter
Noise
Protector
Circuit
NF11
QF31 10A
1
AC220V
AC200V
1 AC200V
A1
3 AC220V
QF21 5A
AC100V
QF32 2A
P40
XT21
Terminal
COVER S/W
EMG S/W
Transformer
Transformer
TC11 1KVA
SIGNAL TOWER
FRONT PANEL
POWER TRANSFORMER
TERMINAL
CONNECTION BOARD
DC24V
Power Supply
380/400/416V
200/208/220/240
3 50/60Hz
P21
COMU
DC24V
P22
COMU
DC24V
COMU
COMU
DC24V
P23
INPUT:
AC50/60Hz 4.0A(MAX)
AC50/60Hz 13A(MAX)
CONTROL:1PH 100V
MOTOR:3PH 220V
OUTPUT:
1A:0.24KW(TOTAL)
1B:3.48KW(TOTAL)
DRIVER
CONTROL BOX
FRONT PANEL
Each Cameras
Each Motors
CAMERA UNIT
TM11 3.77KVA
15W
15W
CONVEYOR MOTOR 1
CONVEYOR MOTOR 2
COMU
DC24V
I/O CONVEYOR B
P24
HEAD A SENSOR,VALVE
HEAD B SENSOR,VALVE
I/O HEAD A
I/O HEAD B
I/O CONVEYOR A
CONVEYOR VALVE
CONVEYOR SENSOR
CONVEYOR SENSOR
FIXED CONVEYOR SENSOR
B-TABLE ORG/OT
A-TABLE ORG/OT
TRANSFER HOOK SENSOR
OPERETION PANEL
COMU
FDD
A4
3PH 200V 0 150Hz
1C:4.00KW(TOTAL)
Contactor
KM10/KM10A
3
Main Breaker
QF11
CRT2
CRT1
Main Switch
QS11
QF22 5A
GS21 DC24V 14A
Set 13A
Rating 4.4KVA MAX.
OPERATION PANEL SEL.
FES20 FEEDER STRUCTURE
EMERGENCY CIRCUIT
FEEDER STRUCTURE
See Page 11
See Page 13,14
See Page 15
See Page 10
See Page 12
See Page 2
See Page 3
See Page 8
See Page 4
See Page 5
See Page 6
See Page 9
See Page 7
3
3
1
1
AC200V
1
AC200V
AC200V
1 AC200V 1 AC200V
1 AC200V
1 AC200V
1 AC200V
AC220V
3
AC220V
3