yv180xg_j.pdf - 第12页
PAGE 10 YV180Xg (KGD) Power Circuit J79 J51 J78 NF11 N W50 V50 V60 U60 U50 240V 220V 208V 200V 190V 0V 240V 220V 208V 200V 190V 0V 240V 220V 208V 200V 190V 0V 240V 220V 208V 200V 190V 0V 240V 220V 208V 200V 190V 0V 240V …

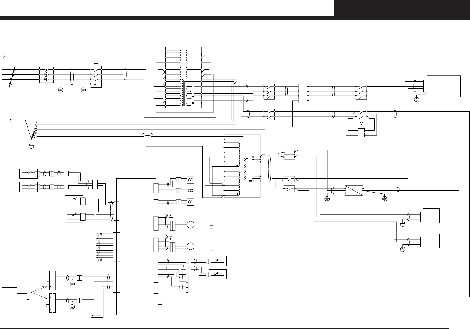
PAGE 9
YV180Xg (KGD)
Camera Unit
DCAM1
J507
J508
CONTROL BOX(L.CTL1)
CONTROL BOX(D_CAM1)
CONNECTION BOARD(CNF41)
CN1
CN6
1
2
3
O
N
J514
J515
DCAM2
CONTROL BOX(L.CTL2)
CONTROL BOX(D_CAM2)
1
2
3
O
N
CN6
CN1
P81
P80
RS485IN
D-CAM1 ASSY
D-CAM2 ASSY
RS485OUT
24VIN
RS485IN
RS485OUT
24VIN
KV1 LED_DRIVER BOARD ASSY
KV1 LED_DRIVER BOARD ASSY
DIGITAL MULTI
D_CAM2
CAMERA 2
D_CAM1
DIGITAL MULTI
CAMERA 1
J506
J503
J505
J504
L.CTL1
+24VLDC1 +24V
+24VLDC2 +24V
J40
CN7
CN7
J509
J516
+24V
FAN
+24V
FAN
L.CTL2
See Page 2
See Page 2
See Page 3
See Page 2
See Page 2

PAGE 10
YV180Xg (KGD)
Power Circuit
J79
J51
J78
NF11
N
W50
V50
V60
U60
U50
240V
220V
208V
200V
190V
0V
240V
220V
208V
200V
190V
0V
240V
220V
208V
200V
190V
0V
240V
220V
208V
200V
190V
0V
240V
220V
208V
200V
190V
0V
240V
220V
208V
200V
190V
0V
220V
220V
200V
220V
200V
W
V
U
TM11
J15
J16
J14
W52
V52
U52
W51
V51
U51
QF31 10A
V60
U60
V61
U61
QF32 2A
3
2
14
5
6
EE
MAX250V/10A
V64
U64
12
5
4
3
2
1
12
5
4
3
2
1
MM
A
E
F
G
H
A
E
F
G
H
M
A
E
F
G
H
M
A
E
F
G
H
2
1
2
1
+24V
2
1
2
1
+24V
J274
0V
+24VO
J271
0V
+24VO
0V
+24VO
0V
+24VO
J176
EMERGENCY CIRCUIT
J41
8
7
6
5
4
3
2
1
CNF16
8
7
6
5
4
3
2
1
1
2
3
4
1
2
3
4
HEAD
2
1
2
1
CN2 +24V
2
1
2
1
CN2 +24V
P21
1.85A
0V
+24V
2
1
2
1
I/O HEAD A
1.85A
0V
+24V
2
1
2
1
I/O HEAD B
P22
J45
J46
J44
J55
2
1
2
1
+24V
2
1
2
1
+24V
J42
0V
+24VF
0V
+24VF
0V
33
2
1
2
1
P23
1.85A
+24V
CN2
CN2
0V
33
1.85A
P22
+24V
2
1
2
1
I/O CONVEYOR A
I/O CONVEYOR B
0V
+24VG
0V
+24VG
SENSOR POWER
J30
0V
0V
0V
0V
0V
0V
12
1111
12
10 10
9
8
7
6
9
8
7
6
5
4
3
2
1
5
4
3
2
1
+24VJ
+24VJ
+24VJ
+24VJ
+24VJ
+24VJ
J47
J48
FG
V10
U12
0V
+24V
J50
CRT2
FG
V10
J49
FG
V10
CRT1
J80
J611
100V
100V
0V
0V
240V
0V
190V
200V
208V
220V
240V
0V
190V
200V
208V
220V
0V
100V
TC11
V10
V10
U11U10
QF21 5A
U12
J612
U10
XT21
MAX690V/15A
V10
V10
V10
V10
FAN
2
1
2
1
0V
0V
CNF29
4
3
2
1
4
3
2
1
FAN
FAN1
2
1
2
1
FAN
2
1
2
1
0V
3
2
1
3
2
1
CNF33
+24VJ
+24VJ
FAN2
FAN3
J22
J58
W(BLACK)
V(GRAY)
U(WHITE)
W01
V01
MTG2
MTG1
2
1
2
1
33
UCM
44
B1
A2
B2
A3
B3
A1
B1
A2
B2
A3
B3
A1
For Conveyor Motor
+24VI
M8
U62
CONVEYOR MOTOR 1
15W 70 MAX:1700rpm
W(BLACK)
V(GRAY)
U(WHITE)
W01
V01
U62
MTG2
MTG1
2
1
2
1
33
UCM
44
B1
A2
B2
A3
B3
A1
B1
A2
B2
A3
B3
A1
For Conveyor Motor
M16
J59
CONVEYOR MOTOR 2
15W 70 MAX:1700rpm
B1
A2
B2
A3
B3
A1
B1
A2
B2
A3
B3
A1
A4
B4
A5
B5 B5
A5
B4
A4
0V
0V
0V
0V
J40
+24VK
+24VK
+24VK
+24VK
2
1
2
1
2
1
2
1
2
1
2
1
2
1
2
1
J508
2
1
2
1
+24V
0V
4.0A
LDC1
CN1
P80
2
1
2
1
+24V
0V
4.0A
CN1
LDC2
P81
4
3
2
1
4
3
2
1
2
1
2
1
0V
+24V
U64
V64
CNF1
CNF4
CNF5
CNF21
KGA-M4550-xxx
P40
CONNECTION BOARD ASSY
CNF15
CNF41
CNF40
J515
3.77KVA
J81
AWG13(2.5sq)
W50
V50
U50
W51
V51
U51
BREAKER PANEL
J82
J77
J89
6
4
21
3
5
W54
V54
U54
W52
V52
U52
KM10A
KM10
V61
U61
J18
J19
73 74
83 84
J17
U11
U12
QF22 5A
MAX440V/12A
J4
J77
J4
S1
R1
J604
R1
T1
A
E
F
M
A8
MSP
(OPTION)
2T1
4T2
6T3
MAX690V/40A
QF11 Set13A
J3
N
N
1
6
2
3
4
5
1
3
5
2
4
6
QS11
MAX690V/40A
J3
1L1
3L2
5L3
R
S
T
U10
J11
0V
+24V
FG
N
L
GS21
DC24V 14A
A1
CONTROL BOX
AC220V:MOTOR DRIVER POWER
5
4
3
2
1
J21
ACIN
AC100V:CONTROL
J99
S21
S22
See Page 12
See Page 12
See Page 3
See Page 3
See Page 3
See Page 11
0.75KVA
See Page 11
See Page 2
J605
J610
J609
J608
S1
J607
J606
J602
J601
J603

PAGE 11
YV180Xg (KGD)
Emergency Circuit
EMG6
EMG5
EMG4
EMG3C
EMG3B
EMG3A
EMG3
EMG2D
EMG2C
EMG2B
EMG2A
EMG2
EMG1F
EMG1E
EMG1D
EMG1C
EMG1B
EMG1A
EMG1
OT5
OT4
OT3
OT2
LED23 EMG SPARE3
LED22 EMG SPARE2
LED21 EMG SPARE1
LED20 R AREA
LED19 TF COVER LMT R2
LED18 TF COVER LMT R1
LED17 COVER LMT R
LED16 F AREA
LED15 TF COVER LMT F2
LED14 TF COVER LMT F1
LED13 COVER LMT F
LED12 TF EMG SW2
LED11 TF EMG SW1
LED10 C/R GOOD
LED9 EMG SW F
LED8 EMG SW R
LED7 EMG SW R(112)
LED6 EMG SW MSP
LED4 T,Y2OT
LED3 Y1OT
LED2 X2OT
LED1 X1OT
LED5 EMG1 SPARE
CNF54
CNF53
+24V
+24V
+24V
+24V
0V
0V
0V
0V
AREA2
AREA1
+24VJ
5
4
3
2
5
4
3
2
1
CNF9
CNF13
+24E
2
1
EMG7
EMG7
EMG6
EMG6
OT1
OT1
+24VJ
B10
A10
B9
A9
B8
A8
B7
A7
B6
A6
B5
A5
B4
A4
B3
A3
B2
A2
B1
EMG3
EMG2
EMG2D
EMG1E
EMG1B
EMG2A
EMG1B
EMG1A
EMG1
OT5
OT5
OT4
OT4
OT4
OT3
OT3
OT3
OT2
OT3
OT2
OT2
OT1
0VD
CNF57
2
1
READY OUT
+24VC
EMG1A
EMG1
EMG6
EMG5
EMG5
EMG4
EMG4
EMG3C
CNF45
6
5
4
3
2
1
EMG3B
EMG3A
EMG3A
EMG3
CNF44
CNF28
2
1
2
1
EMG2C
EMG2B
EMG2B
EMG2A
CNF43
CNF27
2
1
2
1
E30
E20
EMG3C
E40
E40
E30
E20
EMG2
8
7
6
5
4
3
2
1
CNF14
EMG2
EMG1F
CNF49
5
4
3
2
1
EMG1F
EMG1E
CNF26
5
4
3
2
1
EMG3
EMG2D
EMG2A
EMG2
EMG1E
EMG1D
EMG1D
EMG1C
EMG1C
EMG1B
CNF48
10 10
9
8
7
6
5
9
8
7
6
5
4
3
4
3
2
1
2
1
E30
EMG2D
EMG7
EMG6
EMG1A
EMG1
10
12
11
12
11
10
9
8
7
6
5
9
8
7
6
5
CNF15
4
3
4
3
2
1
2
1
AREA1
KA20
EMG2D
EMG2C
0V
0VD
EMG7
EMG6
KA19
KA18
EMG3C
EMG3B
0V
AREA2
EMG
1
12
ON
OFF
2
11
3
10
9
4
8
5
7
6
S3
1
12
ON
OFF
TF
S4
2
11
3
10
9
4
8
5
7
6
EMG1
EMG2D
EMG3C
EMG4
EMG5
EMG6
EMG1F
EMG2
EMG2B
EMG2C
EMG3A
EMG3B
OT5
EMG2C
EMG3B
EMG3C
EMG4
EMG5
EMG1E
EMG1F
EMG2A
EMG2B
EMG3
EMG3A
CNF25
21
B8
A8
A7
B7
A6
B6
B5
A5
B4
A4
B3
A3
B2
A2
B1
A1
B8
A8
A7
B7
A6
B6
B5
A5
B4
A4
B3
A3
B2
A2
B1
A1
CNF12
B9
A9
B8
A8
A7
B7
A6
B6
B5
A5
B4
A4
B3
A3
B2
A2
B1
A1
B9
A9
B8
A8
A7
B7
A6
B6
B5
A5
B4
A4
B3
A3
B2
A2
B1
A1
CNF35
4321
4321
B10
A10
B10
A10
CNF8
CNF11
54321
CNF10
7654321
7654321
KGA-M4550-xxx
P40
CONNECTION BOARD
2
1
6
5
4
3
2
1
EMG5
EMG4
EMG4
EMG3C
0V
I/O CONVEYOR B(CN16)
T1956
2
1
2
1
COVER F
EMG2A
EMG2
2
1
2
1
EMG3
EMG2D
COVER R
EMG1D
EMG1C
EMG1E
EMG1D
2
1
2
1
2
1
2
1
SQ151
SQ150
COVER
COVER LIMIT SW FRONT TOP
COVER LIMIT SW FRONT TBL
T.COVER
2
1
2
1
COVER TOP F
2
1
2
1
COVER
SQ152
SQ153
COVER LIMIT SW REAR TOP
COVER LIMIT SW REAR TBL
T.COVER
2
1
2
1
COVER TBL F
COVER TOP R
COVER TBL R
EMG
EMG
SB11
SB12
STOP RGHT F
EMG SW FRONT RIGHT
EMG SW FRONT LEFT
OT
1717
1616
14
13
12
11
10
1515
14
13
12
11
10
OT4
OT3
N1003
9
8
7
6
5
4
3
2
1
9
8
7
6
5
4
3
2
1
+EMG
-EMG
+EMG
OT1
-EMG
+EMG
-EMG
+EMG
-EMG
OT2
19
4
19
4
11
+24V
+24V
2
1
2
1
2
1
2
1
EMG
EMG
STOP R
SB13
SB14
STOP RGHT R
STOP LFT R
EMG SW REAR RIGHT
EMG SW REAR LEFT
STOP LFT F
2
1
2
1
STOP F
EMG1C
EMG1B
EMG
EMG
EMG3C
EMG3C
E20
E20
33
2
1
2
1
MSP R MSP
3
2
1
D MAN
A
G
H
A
G
H
M M
J
K
J
K
A
G
H
A
G
H
M M
J
K
J
K
33
2
1
2
1
MSP F MSP
3
2
1
D MAN
EMG
EMG
33
2
1
2
1
A8
EMG SW
EMG
A
G
H
M
OT
1717
1616
14
13
12
11
10
1515
14
13
12
11
10
N1003
9
8
7
6
5
4
3
2
1
9
8
7
6
5
4
3
2
1
+EMG
-EMG
+EMG
OT1
-EMG
+EMG
-EMG
+EMG
-EMG
OT2
I/O CONVEYOR A
19
4
19
4
11
+24V
+24V
I/O CONVEYOR B
2222
21 21
20 20
18 18
1
2
3
4
5
6
1
2
3
4
5
6
3
2
1
3
2
1
OT
7
8
9
7
8
9
1
2
3
4
5
6
1
2
3
4
5
6
3
2
1
3
2
1
OT
CN3A
W2ORG
TORG
ORG/OT
TOT
YOT
Y2-AXIS
T-AXIS
SQ23
SQ05
CN6A
CN6B
CN3B
18
21
22
20
18
20
21
22
3
2
1
3
2
1
OT
1
2
3
4
5
6
1
2
3
4
5
6
7
8
9
7
8
9
ORG/OTW3ORG
YOT
Y1-AXIS
SQ55
P23
P24
OT
+EMG
-EMG
OT4
OT5
OT4
OT5
OT4
OT5
OT4
OT3
OT4
OT3
123
321
123
321
OT
+24V
B13
A13
B12
A12
B11
A11
B10
B1
A1
OT
0V
B13
A13
B12
A12
B11
A11
B10
B1
A1
CN5
2
1
2
1
+24V
B3
0V
B3
CN4
+24V
0V
0V
0V
0V
KA1
+24V
+24V
+24V
1
2
3
4
5
6
1
2
3
4
5
6
X-AXIS
3
2
1
3
2
1
XOT
SQ206
OT
3
2
1
3
2
1
HCN5
X2-AXIS
P22
N2326
OT2
OT3
OT2
OT3
HCN5B
I/O HEAD B
OT
+24V
B13
A13
B12
A12
B11
A11
B10
B1
A1
OT2
OT1
OT
0V
B13
A13
B12
A12
B11
A11
B10
B1
A1
CN5
2
1
2
1
P21
+24V
B3
0V
B3
CN4
+24V
0V
0V
0V
0V
KA1
+24V
+24V
+24V
1
2
3
4
5
6
1
2
3
4
5
6
X-AXIS
3
2
1
3
2
1
XOT
SQ206
OT
X1-AXIS
OT1
OT2
3
2
1
3
2
1
HCN5HCN5A
N2226
I/O HEAD A
CN5HB
HCN5B
OT3OT2
CN5HA
HCN5A
OT1
OT2
2
1
2
1
2
1
2
1
2
1
2
1
APPL
2
1
2
1
SERVO 1C
SERVO 1B
SERVO 1A
A1
12
CONTROL BOX
21
C/R EMG
EMG1A
A1
2
1
B10
A10
B9
A9
B8
A8
B7
A7
B6
A6
B5
A5
B4
A4
B3
A3
B2
A2
B1
+24E
+24V
EMG7
EMG7
EMG6
0V
N1016
+24VC
OT1
+24V
A1
1
33
2
1
2
1
5
4
3
2
F AREA EMGAREA EMG
1
33
2
1
2
1
5
4
3
2
1
AREA EMG R AREA EMG
MSP(OPTION)
FRONT AREA(OPTION)
REAR AREA(OPTION)
SQ18B
SQ88B
FES20 SAFETY CIRCUIT
0V
EMG7
V61
W54
V54
U54
W52
V52
U52
+24VC
N1016
+24E
+24V
EMG6
EMG7
S10
U61
KM10/KM10A
13
1
3
5
23
14
2
4
6
24
A1 A2
53
54
61
62
73 74
83
84
S21
S22
See Page 10
See Page 10
See Page 10
See Page 10
See page 7
See page 15
V64
U64