yv180xg_j.pdf - 第3页

PAGE 1 YV180Xg (KGD) Over View Filter Noise Protector Circuit NF11 QF31 10A 1 AC220V AC200V 1 AC200V A1 3 AC220V QF21 5A AC100V QF32 2A P40 XT21 Terminal COVER S/W EMG S/W Transformer Transformer TC11 1KVA SIGNAL TOWER F…

100%1 / 22
Table of contents/目次
YV180Xg
Over View/全体接続図
Control Box/コントローラー接続図
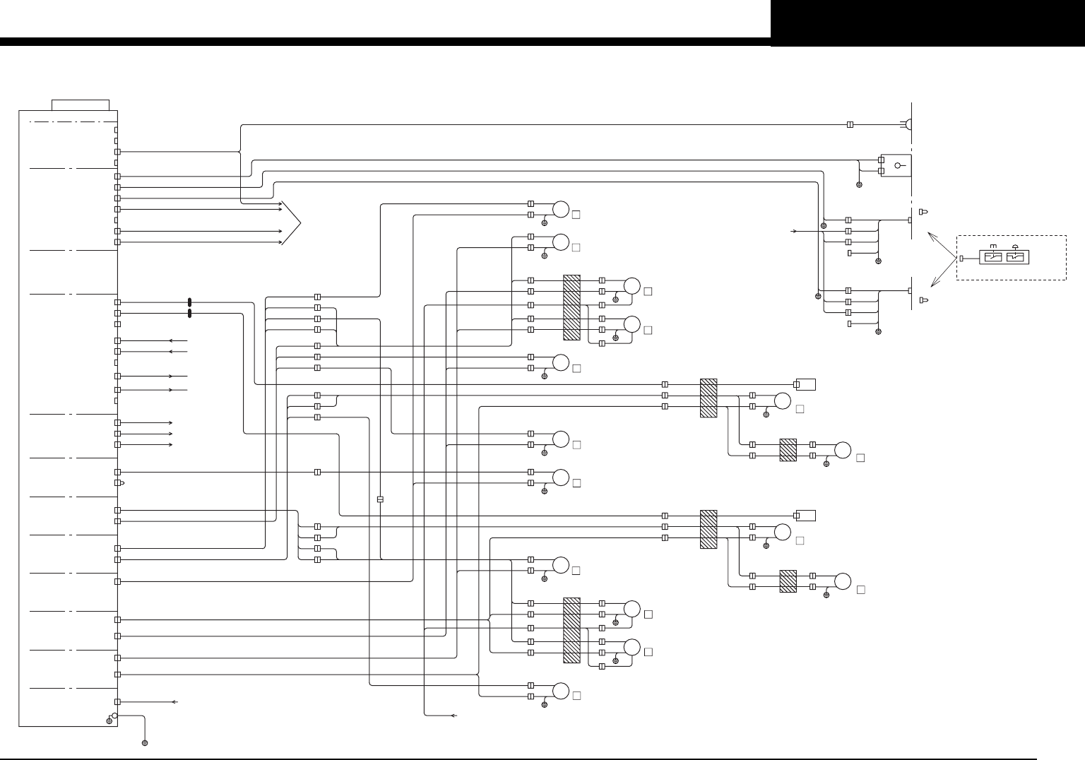
Connection Board/コネクションボード接続図
I/O Head A/I/O接Head A
I/O Head B I/O 接続図 (Head B
I/O Conveyor A I/O 接続図 (Conveyor A
I/O Conveyor B I/O 接続図(Conveyor B
Operation Panel Sel./操作パネル接続図
Camera Unit/カメラユニット接続図
Power Circuit/電源回路図
Emergency Circuit/非常停止回路図
Power Transformer Terminal/トランスタップ切替図
Fix 32/8 Feeder Structure/フィックス 32/8 フィーダー接続図
FES 20 Feeder Structure FES 20 フィーダー接続図
FES 20 Safety/2 Carriage(Normal) FES 20 安全回路図 / 一括 2 台車(ノーマル)
Air circuit/エア回路図
Wiring parts list/配線部品表
PAGE 1
YV180Xg (KGD)
Over View
Filter
Noise
Protector
Circuit
NF11
QF31 10A
1
AC220V
AC200V
1 AC200V
A1
3 AC220V
QF21 5A
AC100V
QF32 2A
P40
XT21
Terminal
COVER S/W
EMG S/W
Transformer
Transformer
TC11 1KVA
SIGNAL TOWER
FRONT PANEL
POWER TRANSFORMER
TERMINAL
CONNECTION BOARD
DC24V
Power Supply
380/400/416V
200/208/220/240
3 50/60Hz
P21
COMU
DC24V
P22
COMU
DC24V
COMU
COMU
DC24V
P23
INPUT:
AC50/60Hz 4.0A(MAX)
AC50/60Hz 13A(MAX)
CONTROL:1PH 100V
MOTOR:3PH 220V
OUTPUT:
1A:0.24KW(TOTAL)
1B:3.48KW(TOTAL)
DRIVER
CONTROL BOX
FRONT PANEL
Each Cameras
Each Motors
CAMERA UNIT
TM11 3.77KVA
15W
15W
CONVEYOR MOTOR 1
CONVEYOR MOTOR 2
COMU
DC24V
I/O CONVEYOR B
P24
HEAD A SENSOR,VALVE
HEAD B SENSOR,VALVE
I/O HEAD A
I/O HEAD B
I/O CONVEYOR A
CONVEYOR VALVE
CONVEYOR SENSOR
CONVEYOR SENSOR
FIXED CONVEYOR SENSOR
B-TABLE ORG/OT
A-TABLE ORG/OT
TRANSFER HOOK SENSOR
OPERETION PANEL
COMU
FDD
A4
3PH 200V 0 150Hz
1C:4.00KW(TOTAL)
Contactor
KM10/KM10A
3
Main Breaker
QF11
CRT2
CRT1
Main Switch
QS11
QF22 5A
GS21 DC24V 14A
Set 13A
Rating 4.4KVA MAX.
OPERATION PANEL SEL.
FES20 FEEDER STRUCTURE
EMERGENCY CIRCUIT
FEEDER STRUCTURE
See Page 11
See Page 13,14
See Page 15
See Page 10
See Page 12
See Page 2
See Page 3
See Page 8
See Page 4
See Page 5
See Page 6
See Page 9
See Page 7
3
3
1
1
AC200V
1
AC200V
AC200V
1 AC200V 1 AC200V
1 AC200V
1 AC200V
1 AC200V
AC220V
3
AC220V
3
PAGE 2
YV180Xg (KGD)
Control Box
PE
AC IN
AC IN
AC100/220V
FRONT PANEL
Pendant
Support
Maintenance
A8
J272
MSP
J271
REAR
MSP
J275
J274
HA1
BUZZER
FDD
1.44MB
A4
J108
FDD
CONNECTION BOARD(CNF15)
J29
D.MAN
+24V
USB1 USB
MSP F
MSP
D.MAN
+24V
USB2 USB
MSP
MSP R
SERVO 1C
PI1C
PI2C
KGA-M4100-7xx
I/O2
I/O1
EMG
I/O2
I/O1
APPL
EMG/C/R
VISION
A_CAM1
A_CAM2
L.CTL2
V.OUT
A_CAM3
D_CAM2
D_CAM3
L.CTL1
(VICS3200)
A CAM1
PI1C
PI2C
J283
SERVO 1B
PI1B
PI2B
J124
J123
PI2B
PI1B
SERVO 1A
PI1A
PI2A
PI2A
J122
PI1A
J121
DRIVER 1A
MO2A
J142
J144
MO2B
DRIVER 1B
DRIVER 1C
MO2B
MO2A
J143
MO1B
MO1B
MO1C
MO1C
MO1A
J141
MO1A
J152
M1
100
MAX 3333rpm
X1-AXIS 2KW
WP
WM
WBK
42 MAX 750rpm
PUBK
PUP
PUM
54 MAX 500rpm
WW
PU PU
PU PU
WW
BK
FLEXIBLE
M11
M12
W2-AXIS 60W
PU2-AXIS 200W
J136
J148
J207
J282
J154
PU2
W2
86 MAX 4500rpm
M3
Y2-AXIS 1KW
YP
YM
Y2
WBK
M17
X2-AXIS 2KW
100 MAX 3333rpm
X2P
J125
X1P
WP
WM
WBK
W3-AXIS 60W
42 MAX 750rpm
PUBK
PUP
PUM
M4
PU1-AXIS 200W
54 MAX 500rpm
M13
J137
J149
WW
PU PU
J281
PU PU
J155
WW
J206
FLEXIBLE
DUCT Y1
M2
YP
YM
86 MAX 4500rpm
Y1-AXIS 1KW
PU1
Y1
W3
M14
W4-AXIS 60W
WP
WM
WBK BK
J133
W4
J126
R
R
R
R
RP
RM
MAX 4500rpm
FLEXIBLE
ZP
ZM
MAX 4500rpm
FLEXIBLE
A_CAM2
DUCT X2
M10
M9
Z2-AXIS 60W
R2-AXIS 60W
DUCT Z2
J160
J151
Z2
Z2
R2
R2
J135
ZR2
J147
ZR2
R1
R1
R
R
J159
J150
R
R
RP
RM
42
MAX 4500rpm
R1-AXIS 60W
M6
FLEXIBLE
DUCT Z1
ZP
ZM
Z1
Z1
Z1-AXIS 60W
42 MAX 4500rpm
M5
A_CAM1
FLEXIBLE
DUCT X1
J510
J134
ZR1
J146
ZR1
ZR1
J127
J130
J128
ZR2
X2
X1
ZR2
W2
PU2
W4
W3
J152
J152
J143
J143
J143
J144
J144
Y2
PU1
Y1
J141
J141
ZR1
J142
W3
W4
T
X1
Y1
Y2
PU1
Z2
R2
W2
PU2
X2 X2P
J126
Y1
PU1
W3
J125
X1P
J133
W4
J131
T
J130
J128
Z2P
R2P
Y2
J138
Y2
Y2
M7
WP
WM
W1-AXIS 60W
42
MAX 750rpm
W1
J132
W1
J142
J129
J129
J141
J220
CONNECTION BOARD(CNF39)
J220
J220
A CAM2
A CAM1A CAM1
J501
J502
J511
A CAM2A CAM2
D_CAM1
J99
DUCT Y2
(OPTION)
J21
J280
J501
J502
VE1
VE2
MAX 4500rpm
M15
LTP
LTM
T-AXIS 60W
42
J131
T
T
J144
Z1
R1
W1
Z1P
R1P
J127
J132
W1
J101
J167
J102
LDC1
I/O CONVEYOR A(CNX1)
CONNECTION BOARD(CNF48)
I/O CONVEYOR B(CNX1)
D_CAM1
D_CAM2
LDC2
J504
J506
J505
J503
EXT.PWR
SERIAL2
PARALLEL
EXT.PWR
CD-ROM
CONTROL BOX A1
UPS
J28
FDD
FDD
SYSTEM
KEY/MS
VGA
SERIAL1
USB2
USB1
KEY/MS
J273
J270
USB2
USB1
LAN
J112
J118
COM
MONITOR SELECTION.
J225
J110
See Page 10
See Page 3
BUZZER
TK01/-24C
See Page 3
See Page 8
See Page 9
See Page 9
See Page 9
See Page 9
See Page 3
See Page 6
See Page 7
42 MAX 750rpm
42
42
Oct./2003