BM123 Mechanical 20160307.pdf - 第96页
キャリブレーション部(基準マーク部) CALIBRATION SECT.(ST ANDARD MA RK SECT. ) 10 F10862-31-200_02_A M71

PART NAME
REMARKS
Q'TY
9
ノズルチェンジ部(SX3)
NOZZLE CHANGE SECT.(SX3)
イラスト
No.
REF
No.
PART No.
部 品 名 品 番 個数 備 考
R
1
R
2
1 1086219300
NOZZLE CHANGE UNIT ノズルチェンジユニット
4
301 108621900102
STAND スタンド
1
302 N210048714AA
PLATE プレート
1303 108621905301
BASE ベース
1304 1086289037
SHAFT シャフト
4
305 1086219005
LINK リンク
1
306 1047005235
VALVE バルブ
1307 1086219007
JOINT ジョイント
1308 1086219008
PLATE プレート
1
309 108621905901
PLATE プレート
1310 108621906001
PLATE プレート
1311 108621906101
PLATE プレート
1
312 N210048711AA
JOINT ジョイント
1
313 108621901302
PIN ピン
1314 1086219064
STOPPER ストッパー
1315 1086219014
SHEET シート
1
316 1086219066
SPRING バネ
1
317 1086289035
SHAFT シャフト
2318 1086289036
SHAFT シャフト
1319 1086219069
SPRING バネ
6
320 1086219020
COLLAR カラー
6
321 1086219071
PIN ピン
1322 1086219073
LABEL ラベル
MR105ZZ
2
N301
KXF05XVAA00
BEARING ベアリング
4,STEEL,T.T.C
10
N302
XUC4FT
RETAINING RING E-TYPE E ガタトメワ
CDU25-50D-A93
1
N303
N401CDU2-G77
CYLINDER シリンダ
AS1201F-M5-04
2
N304
N406AS12-014
SPEED CONTROLLER スピードコントローラ
4X12,h7A,STEEL
2
N305
XPJ4C12FW
PARALLEL PIN ヘイコウピン
TU0425B
1
N306
N434TU0425B
TUBE チューブ
TU0425Y
1
N307
N434TU0425Y
TUBE チューブ
D-A93
2V 1 N401DA93
SENSOR センサ
M70
F10862-19-300-AB_01

キャリブレーション部(基準マーク部)
CALIBRATION SECT.(STANDARD MARK SECT.)
10
F10862-31-200_02_A
M71

PART NAME
REMARKS
Q'TY
10
キャリブレーション部(基準マーク部)
CALIBRATION SECT.(STANDARD MARK SECT.)
イラスト
No.
REF
No.
PART No.
部 品 名 品 番 個数 備 考
R
1
R
2
1 1086231200
CALIBRATION UNIT キャリブレーションブ
1
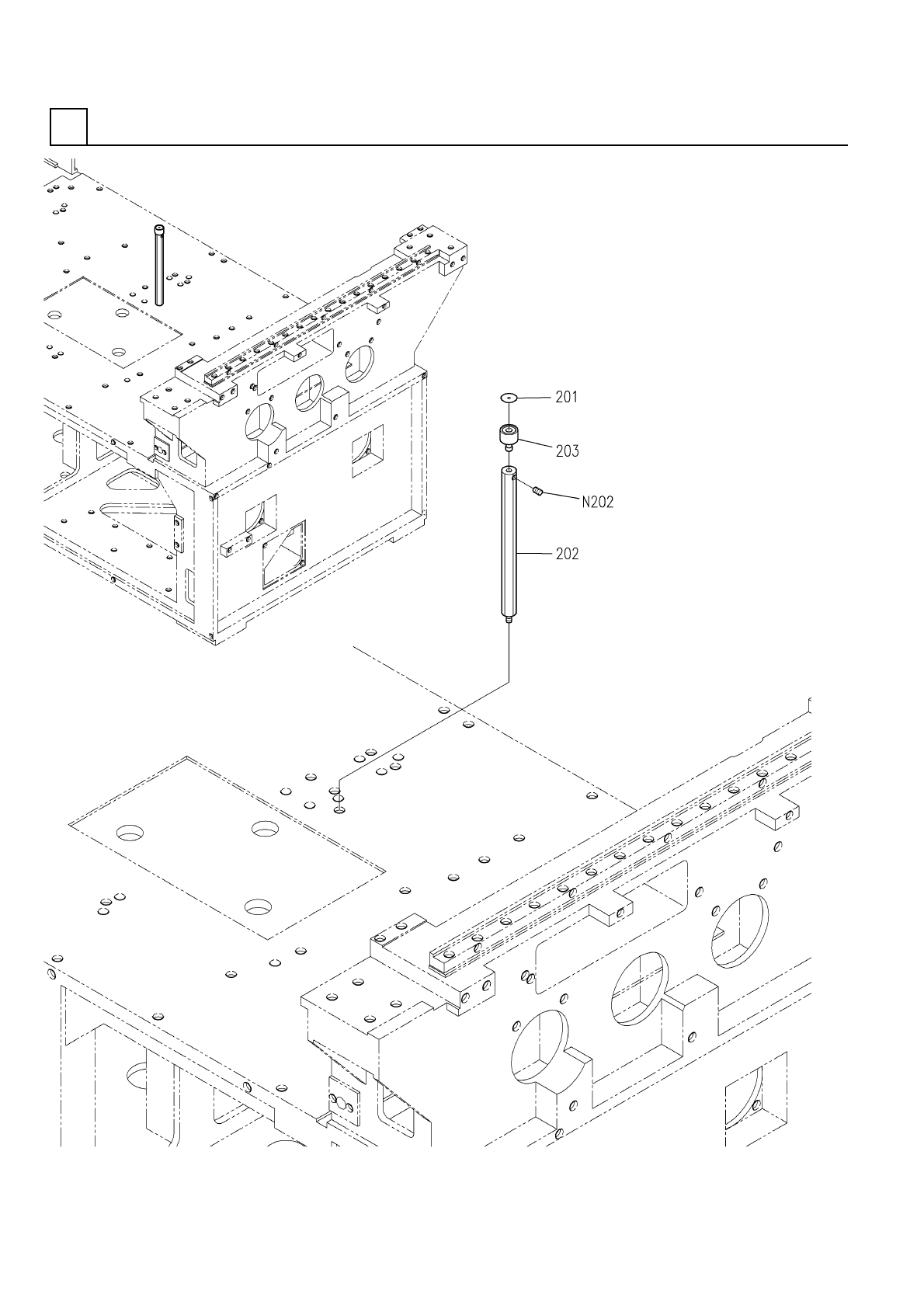
201 1086231201
JIG(PLATE) ジグ(プレート)
1
202 N210038167AA
STAND スタンド
1203 N210038174AA
BRACKET ブラケット
M4X5,STEEL,T.T.C
1
N202
XXE4D5FT
HEX. SOCKET SET SCREW ロッカクアナツキトメネジ
M72
F10862-31-200_02_A