yvpxg_e.pdf
YVP-Xg KGJ 0601 Contr ol Wiring Diagram

YVP-Xg
KGJ 0601
Control Wiring Diagram
YVP-Xg (KGJ)
Over view
Control box
Connection board
I/O head
I/O conveyor
Monitor selection
Relay circuit
Power circuit
Emergency circuit
Power transformer terminal
Buffer conveyor (option)
Inspection CAMERA
Air circuit
Wiring parts list
Table of contents
Confi dential & Proprietary

PAG E
1
YVP-Xg (KGJ)
Confi dential & Proprietary
KGJ-000-CN4
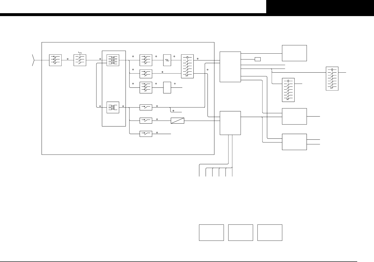
Over view
See Page 3
See Page 12See Page 11See Page 9
See Page 5
See Page 4
See Page 6
See Page 2
See page 10
See Page 8
INSPECTION CAMERA (OP.)BUFFER CONVEYOR (OP.)
TM11 3.77KVA
MAINTENANCE LIGHT
CONVEYOR MOTOR
25W
SZ-AXIS MOTOR
KM11
KM12
SY-AXIS MOTOR
Contactor
Contactor
MONITOR SEL.
A14
QF33 10A
Rating 4.3KVA MAX.
FRONT PANEL
SIGNAL TOWER
EMG S/W
COVER S/W
P22
I/O CONVEYOR
CONVEYOR SENSOR
FRONT OPERETION PANEL
COMU
DC24V
I/O HEAD
FUEL PUMP
AC100V
QF23 0.5A
AC100V
QF22 2A
QF21 3A
BLOWER MOTOR
HEAD SENSOR,VALVE
CONNECTION BOARD
DC24V
COMU
P21
P40
1B: 2.30KW (TOTAL)
1A: 3.48KW (TOTAL)
AC50/60Hz 14A (MAX)
A1
Each Motors
Each Cameras
CONTROL BOX
FDD
AC200V
DRIVER
3PH 200V 0~150Hz
OUTPUT:
MOTOR: 3PH 220V
CONTROL: 1PH 100V
AC50/60Hz 4.0A (MAX)
INPUT:
A13
Invertor
GS21 DC24V 14A
DC24V
Power Supply
AC100VAC100V
CRT1
TC11 0.75KVA
AC100VAC100V
Transformer
QF32 2A
TERMIANL
POWER TRANSFORMER
3~50/60Hz
EMERGENCY CIRCUIT
KM10/KM10A
AC220V3
3
Main Breaker
200/208/220/240
380/400/416V
QF11 QS11 QF31 10A NF11
Set 13A
Main Switch
Transformer
Circuit
Protector
Noise
Contactor
Filter
1 1
1
AC100V
1
1
1
1
3
AC220V
3
AC200V
3
AC200V
3
AC200V
3
AC220V
3
AC200V
1
AC220V
3
AC200V
1