yvpxg_e.pdf - 第6页
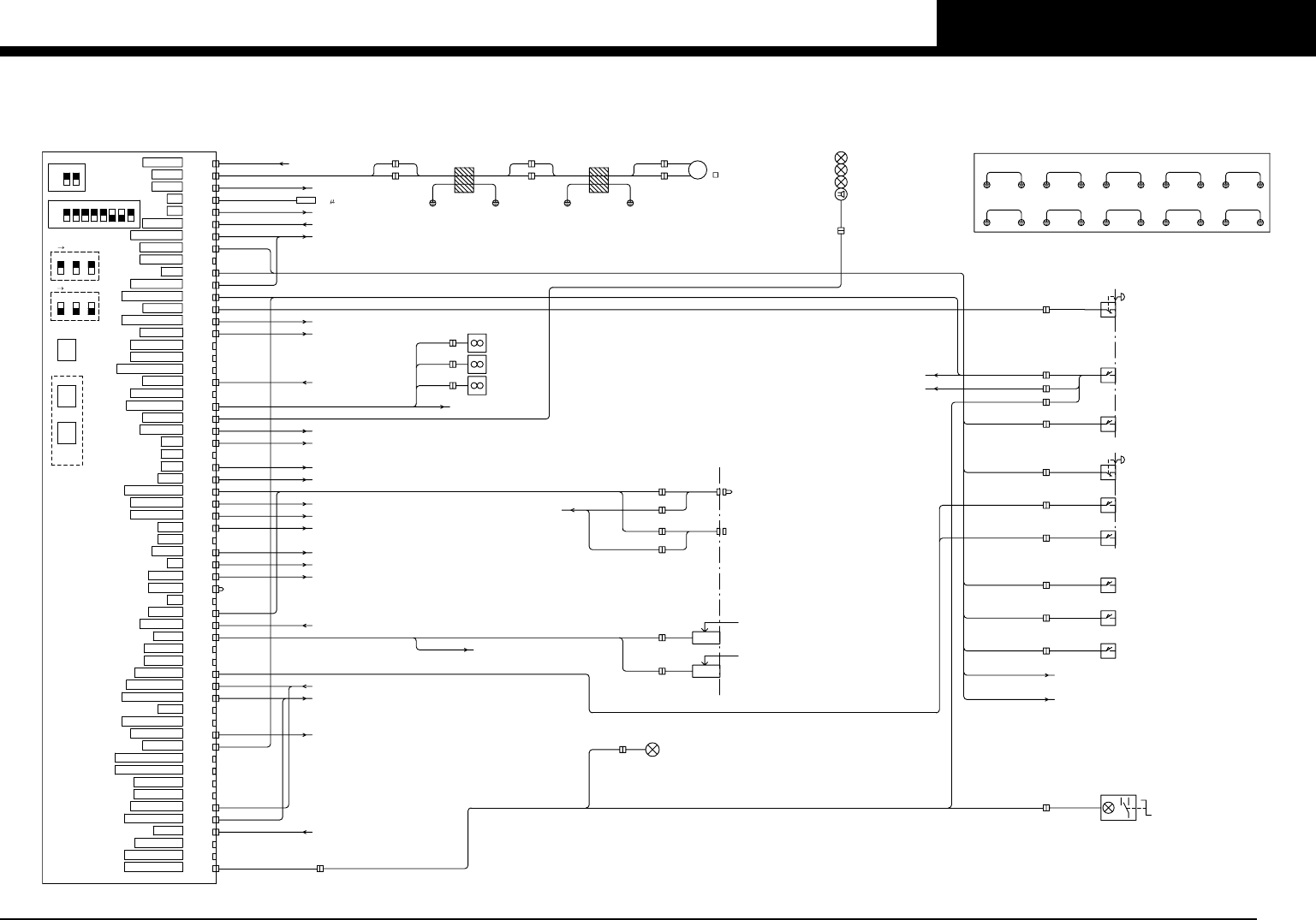
PA G E 4 YVP-Xg (KGJ) Con fi dential & Proprietary KGJ-000-CN4 I/O head DI2 DI1 A20 J295 J297 N3213 W-SQUEEGEE N3211-N3215 PLATE EMPTY SOLDER SQ008 ENCLOSED HEAD 6 YV003 KW3-M4570-0XX LDCL2 LDCL1 PRESSURE SOLDER J295 …

PAG E
3
YVP-Xg (KGJ)
Confi dential & Proprietary
KGJ-000-CN4
Connection board
EV3
FAN3
EV2
FAN2
EV1
FAN1
See Page 7
See Page 4
See Page 7
See Page 5
See Page 7
See Page 7
See Page 7
See Page 5
See Page 5
See Page 9
See Page 2
See Page 5
See Page 5
See Page 2
See Page 11
See Page 11
See Page 7
See Page 7
See Page 12
See Page 11
See Page 11
See Page 8
See Page 5
See Page 4,5
See Page 9
See Page 5
See Page 11
See Page 11
See Page 8
INSPECTION CAMERA OP.
J553
CNF31
J703
CNF37
B.CONVEYOR OP.
J702
CNF36
B.CONVEYOR OP.
J711
CNF28
B.CONVEYOR OP.
J710
CNF26
B.CONVEYOR OP.
J701
CNF7
B.CONVEYOR OP.
B.CONVEYOR OP.
J700
CNF5
LEFT
J94
RIGHT
J93
J95
J92
ENTER COVER
ENTER COVER
FDD COVER
FRONT CENTER
LOWER
J89
LOWER
J88
UPPER
J87
UPPER
J86
J85J84
REAR LEFTREAR RIGHTREAR LEFT
REAR RIGHTFRONT LEFTFRONT RIGHT
COVER EARTH
KA3 (KA3 5)
KA3 (KA3 3,KA3,4)
SQ256
SQ255
SQ254
SQ253
SQ252
SQ251
SQ250
SB10
EMG SWITCH (FRONT)
SB02
SB01
M10
W01/V01
C1
2.4 F
76 84
ON
OFF
12
DIP SW(S5:EMG)
53
DIP SW(S4:EMG)
21
OFF
ON
KGC-M4550-0XX
CONNECTION BOARD ASSY P40
KA2 (MASK DETECT)
I/O CONVEYOR (CN1)
J118
SW
LAMP SW
CLNG COVER LIMIT SW
J177
COVERCLNG EMG
J170
E.COVER2
E.COVER1
J169
J168
J167
J174
J164
COVER 3
LAMP
J114
J198
R.COVER2
R.COVER1
COVER LIMIT SW 3
COVER
COVER LIMIT SW 1
J162
J191
COVER 1COVER 1
KA3
EMG3
ENTER COVER LIMIT SW 2
ENTER COVER LIMIT SW 1
COVER
COVER
EMG
COVER
COVER
EMG SWITCH (REAR)
REAR COVER LIMIT SW 2
REAR COVER LIMIT SW 1
REAR SIDE
KA3
J179
EMG1 EMG
J173
FRONT SIDE
J181
J180
J224
J223
J294
J293
L
H
L
H
J56
J55J54
J292
I/O CONVEYOR (CN8)
J291
CONVEYOR1 H
CONVEYOR1 L
CONVEYOR SPEED
ADJUSTMENT
NEXT A
PREV A
PREV B
NEXT B
FRONT PANEL
NEXT INTERFACE
PREVIOUS INTERFACE
BUSY IN/LR IN
BA OUT/UR OUT
COUNT RESET
BA IN/UR IN
BUSY OUT/LR OUT
RUN (GREEN)
T3813
LAMP+24V
J114
I/O CONVEYOR (CN17)
J221
J198
CNF46
KA4(COVER LOCK)
J228
CNF33
ROLL MOTOR PWR (J226)
SZ,MS-AXIS BRAKE (J188,J199)
KA3 (KA3 1)
FAN3
FAN2
FAN1
80 MAX1700rpm
CONVEYOR MOTOR 1 25W
KM10A,XT21 (AC200V)
J171
I/O HEAD (J172)
I/O CONVEYOR (CN15)
Z,PU-AXIS BRAKE OUT (J185)
CNF57
CNF47
J214
J214
EL1
Maintenance Fluorescent Light
J116
J190
CNF29
CNF48
J184
J184
KM11,KM12
J163
CNF51
J54
I/O CONVEYOR (CN19)
J166
CNF39
J165
CONTROL BOX EMG
J225
CNF32
J291
J291
J201
CNF23
J22J22
I/O CONVEYOR (CN5)
J251
I/O HEAD POWER, I/O CONVEYOR POWER
J162
CNF52
J181
J181
CNF14
J180
J180
J161
I/O CONVEYOR (CN13)
J202
J51
J78J77
J53J57
TG1
CM1
TG1
CM1
DUCT X
TG1
CM1
DUCT Y
T3812
ALARM (RED)
T3811
ERROR (YELLOW)
T3821
BUZZER
HL11
HL11
J52
J20
+24V
CNF62
CNF59
CNF58
CNF43
CNF38
CNF41
CNF30
CNF25
CNF24
CNF21
GS21
CNF17
J41
CNF16
CNF15
KM10/KM10A
CNF12
CNF10
CNF9
CNF13
J203
CNF8
J48
CNF42
CNF6
CNF4
COVER LIGHT
CNF62
OPTION +24V
CNF61
WAFFLE TF
READY
W BRAKE OUT
W BRAKE IN
R AREA DI
F AREA SENSOR
CNF53
EMG PRN
CNF52
CONTACTOR3
SERVICE KEY2
CNF51
CNF50
CNF54
CNF55
CNF56
R AREA SENSOR
F AREA DI
CNF57
CNF58
CNF59
CNF60
FAN2
PU BRAKE OUT
PU BRAKE IN
EMG SPARE
PWR TF2
PWR TF1
CV VR
CV MOTOR
LR OUT
OT
CONV A
CONV B
C3
CMTR3
CNF36
ROLL MOTOR
LED DRIVER
C/R GOOD
PATLITE
OPTION +24V
CNF23
SENSOR PWR
CNF22
CNF24
CNF25
CNF26
TF1
CNF27
TF2
CNF28
TF3
CNF29
FAN1
CNF30
FRONT PANEL
CNF31
CNF32
CNF33
EPW2
CNF34
EPW3
CNF37
CNF38
CNF39
CNF40
CNF41
CNF42
CNF43
CNF44
CNF45
CNF46
CNF47
CNF48
CNF49
OP FEEDER PWR
CNF20
CNF21
+24V IN
FEEDER PWR
CV I/O PWR
SERVO ON
CNF17
CNF18
CNF19
HEAD I/O PWR
SERVICE KEY1
EMG
I/O CVA
CNF4
CMTR1
CNF5
CMTR2
CNF6
C1
CNF7
C2
CNF8
CNF9
CONTACTOR2
CNF10
I/O H1OT
CNF11
I/O H2OT
CNF12
CNF13
CONTACTOR1
CNF14
CNF15
YPU/HHK
CNF16
CNF1
CV ACIN
CNF1
B.CONVEYOR OP.
See Page 11
A4
B.CONVEYOR OP.
DV120202
A3
DV120202
A2
DV120202
S3
F
E
S2S1
A
B
C
D
R L
S3
F
E
S2S1
A
B
C
D
L R

PAG E
4
YVP-Xg (KGJ)
Confi dential & Proprietary
KGJ-000-CN4
I/O head
DI2
DI1
A20
J295
J297
N3213
W-SQUEEGEE
N3211-N3215
PLATE
EMPTY
SOLDER
SQ008
ENCLOSED HEAD
6
YV003
KW3-M4570-0XX
LDCL2
LDCL1
PRESSURE
SOLDER
J295
J171
J41
J102J104
+24V
I/O HEAD UNIT ASSY P21
E.REGULATOR
OPTION
BP2 LOADCELL2
BP1 LOADCELL1
J273
J272
DOWN
SQ2
DOWN
SQ1
YV002
YV001
T3A23
T3A22
T3A21
T3A20
J231
DOWN
UP
SQ2
SQ2
DOWN
SQ1
UP
SQ1
ORG
SZ-AXIS
OT
SY-AXIS
ORG
SY-AXIS
SQ007
SQ006
SQ005
SQ004
SQ003
SQ002
SQ001
N3202
N3201
N3200
N3207
N3206
N3205
N3204
N3203
SZ-ORG
SY-OT
SY-ORG
CN14
CN13
CN12
CN10
PISTON
DISP
LDCL2
LDCL1
DO2
CN15
CN14
CN13
CN12
CN10
J79
J271
See Page 3
CONNECTION BOARD (CNF25)
SYOT
J172
CN3
CN3
EMG
CN4
CN5
CN5
CN4
See Page 3
CONNECTION BOARD (CNF16)
J43
I/O
See Page 2
CONTROL BOX (I/O2)
DUCT SY
FLEXIBLE
CN2
DC24V IN
CN2
CNX1
3 4 5
DIP SW(S1)
21
OFF
ON
I/O BOARD CORE ASSY
CNX4
RS232C
CNX5
TEST
CNX1
CNX2
COMU1
COMU2
ON
OFF
12
DIP SW(S1)
N3213

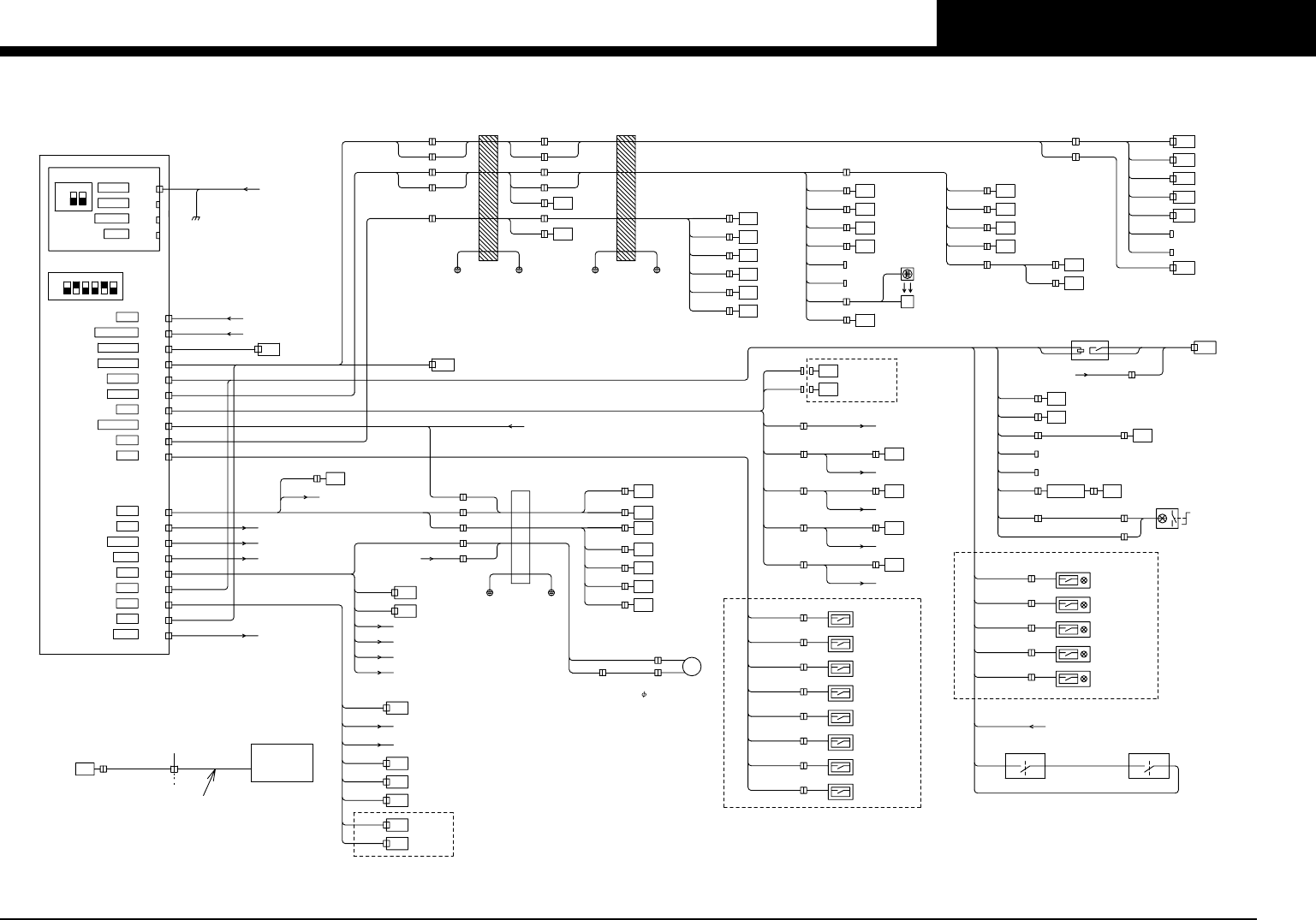
PAG E
5
YVP-Xg (KGJ)
Confi dential & Proprietary
KGJ-000-CN4
I/O conveyor
See Page 3
CONNECTION BOARD (CNF59)
B.CONVEYOR OPTION
YV804
YV803
YV204
YV203
YV202
EXIT STOPPER
B.C.2
EXIT STOPPER
B.C.1
T3843
T3842
T3844
COUPLED
CLNG
CLNG UP
T3846
T3845
VALVE
EXHAUST
KW3-M4580-0XX
J265
J268
N3087
N3097
J215
UP L
R
CLNG UP
SQ261
SQ260
N3097
N3087
CLNG
See Page 7
KA1 (J206)
SQ228
CLOSE
EXHAUST VALVE
N3091
DUCT CLNG
FLEXIBLE
See Page 3
NEXT,PREVIOUS INTERFACE (J293,J294)
CN10
DI7
35.4 MAX 8.7rpm
ROLL MOTOR
J216
BRAKE
ROLL
ROLL
M11
SQ237
AIR C.
NOTE1
J278
TEMP
THERMAL
SENSOR
AIR CON.
AIR C.
REAR PANEL
See Page 7
See Page 7
See Page 7
See Page 3
See Page 3
See Page 7
See Page 3
See Page 7
See Page 3
See Page 11
SQ233
SQ232
SQ231
SQ230
SQ229
J226
ROLL MOTOR
PWR(KA1)
ON
ANGLE
CLNG COUPLED
ROLL
DOWN L
CLNG
N3096
N3095
N3094
DOWN R
CLNG
N3093
ROLL
J80
DO6
DIA
OFF
CLNG COUPLED
N3090
B.CONVEYOR OP.
J714
CN12
YV802
YV801
YV200
KA5 (FUEL PUMP)
KA1 (SZ-AXIS BK,FUEL PUMP,ROLL MOTOR)
CONNECTION BOARD (CNF57)
CONNECTION BOARD (CNF47)
PUSH ROD ON
PCB
VACUUM ON
PCB
T3865
T3864
J264
DIA
CN11
KA1 (MS-AXIS BRAKE)
MASK CLAMP
T3840
KA1 (BLOWER MOTOR)
CONNECTION BOARD
(CNF42)
J203
CN19
J221
J251
CN17
CN17
DO4
DO3
J209
CN18
CN18
CN19
DI36
J214
CN15
CN15
DO6
CN16
DO5
CN16
J205
CN14
CN14
DO27
CONNECTION BOARD (CNF8)
J202
CN13
CN13
DO1,2
CN12
DI8
2324
NOTE1: The Harness is attachment for AIR CONDITIONER.
See Page 3
See Page 3
See Page 7
See Page 7
See Page 7
See Page 7
See Page 12
See Page 3
See Page 3
CONNECTION BOARD (CNF16)
See Page 2
J553
INSPECTION CAMERA OP.
3 4 5 6
DIP SW(S1)
21
OFF
ON
YV800
YV209
YV208
YV207
YV206
YV205
YV201
SQ223
SQ222
SQ221
SQ220
SQ227
SQ226
SQ225
SQ224
SQ801
SQ800
SQ212
SQ211
SQ210
SQ209
SQ208
SQ207
SQ206
SQ205B
SQ205A
SQ204
SQ203
SQ202
SQ201
SB37
SB36
SB35
SB34
SB33
SB32
SB31
SB30
SB24
SB23
SB22
SB21
SB20
SB11
N3023
N3022
PRESS DOWN
PRESS UP
OPTION
PCB
PCB
N3021
N3020
J267J266
N3015
T3855
N3015
OPEN SW
UPPER COVER
U1
LEVEL
SOLVENT
PNP CHANGER
N3017
J178
N3001+24VA
KM12
Contactor
KM11
+24VA+24V 2423
Contactor
N3000
CONNECTION BOARD (CNF17)
OPERATION PANEL
RESET (WHITE)
READY (WHITE)
ERROR CLEAR
(YELLOW)
STOP (RED)
START (GREEN)
J111
J109
J108
J107
J106
RESET
READY
ERR.CLR
STOP
START
N3005/T3850
N3007/T3856
N3004/T3853
N3003/T3852
N3002/T3851
COVER LOCK
J228
J229
C LOCK
C LOCK
CONNECTION
BOARD(CNF33)
VALVE
KA4
KA4 4
KA4 3
KA4 1
KA4 5
DETECT
CLNG
J263
N3012
N3012
PRESSURE
AIR
FR
MASK CLAMP
N3014
N3013
N3011
N3006
M FID
MASK LIGHT
EL3
T3837
T3836
MASK VACUUM
T3835
N3067
N3066
N3065
N3064
N3063
N3062
N3061
N3060
Z2
Z1
R2
R1
Y2
Y1
X2
X1
J286
J285
J282
J281
J284
J283
J280
J279
Z2
Z1
R2
R1
Y2
Y1
X2
MANUAL BUTTON
MANUAL BUTTON
MANUAL BUTTON
MANUAL BUTTON
MANUAL BUTTON
MANUAL BUTTON
MANUAL BUTTON
X1
MANUAL BUTTON
MANUAL BUTTON
J274
J275
J276
J277
KA2 (KA2 4,KA2 8)
KA2 (KA2 3,KA2 7)
KA2 (KA2 2,KA2 6)
KA2 (KA2 1,KA2 5)
LIMIT SW2
MASK DETECT
MASK DETECT L
MASK DETECT M
LIMIT SW1
MASK DETECT
N3027
N3026
N3025
J256
N3050
N3030
EXIT
N3043
N3043
EXIT
CONV.
CONV.
J258
J255
ORG
W-AXIS
ORG
R-AXIS
REAR DOWN
PCB HOLD
REAR UP
PCB HOLD
ORG
Z-AXIS
OT
X-AXIS
SQ219
SQ218
SQ217
SQ216
SQ215
SQ214
N3057
W-ORG
N3056
R-ORG
N3055
N3054
N3053
Z-ORG
N3051
X-OT
J262
J78J77
J261
DI6DI6
OT
Y-OT
SQ213
Y-AXIS
J219
ORG
Y-AXIS
SQ200
Y-ORG
DUCT X
FLEXIBLE
J218
DI5DI5
DI4DI4
DO3
M FID
DUCT Y
DO3
FLEXIBLE
M FID
J254
J209
MAIN STOPPER
SET POSITION
F DOWN
PCB HOLD
F UP
PCB HOLD
J257
N3043
N3041
N3040
N3037
N3036
INTERLOCK1
CONV.WIDTH
VACUUM
PCB
ENT
CONV.
EDGE CLAMP
ORG
PU-AXIS
ORG
X-AXIS
N3034
N3031
N3047
N3046
N3045
N3044
N3042
N3035
PU-ORG
X-ORG
DI4
J220
J212
STOPPER
CONV.EXIT
MAIN STOPPER
EDGE CLAMP
REAR
PCB HOLD
FRONT
PCB HOLD
T3834
T3833
T3832
T3831
T3830
DO3
M FID
J253
CN10
EL2
PCB LIGHT
PCB FID
J260
CN9
DI6
CN9
J292
CN8
J252
CN7
DI3
J254
CN6
DI4,5
CN5
J251
DI1,2
CN4
J209
LIGHT B
J213
CN3
LIGHT A
EMG
J41
CN2
CONNECTION BOARD (CNF10)
J180
CN1
I/O CONVEYOR UNIT ASSY P22
CONTROL BOX (I/O1)
I/O BOARD CORE ASSY
CNX4
RS232C
CNX5
TEST
CNX1
CNX2
COMU1
COMU2
ON
OFF
12
DIP SW(S1)
CN2
DC24V IN
CN3
CN4
CN5
CN6
CN7
CN1
CN8
EMG/INT
CNX1_A
J101
AIR CON.
43
1
5