yvpxg_e.pdf - 第13页
P AGE 11 YVP-Xg (KGJ) Con fi dential & Proprietary KGJ-000-CN4 Buf fer conveyor (option) SB53 SB50 WB1/VB1 WA1/VA1 C3 C2 1.5 F 1.5 F BC2 VR BC1 VR BC2 DI BC2 DI BC1 DI LW2 LW1 LW2 LW1 See Page 2/12 See Page 2/12 J723 …

PAG E
10
YVP-Xg (KGJ)
Confi dential & Proprietary
KGJ-000-CN4
Power transformer terminal
240V
0V
190V
200V
208V
220V
240V
0V
190V
200V
208V
220V
0V
100V
TC11
0.75KVA
240V
0V
190V
200V
208V
220V
240V
0V
190V
200V
208V
220V
0V
100V
TC11
0.75KVA
240V
0V
190V
200V
208V
220V
240V
0V
190V
200V
208V
220V
0V
100V
TC11
0.75KVA
240V
0V
190V
200V
208V
220V
240V
0V
190V
200V
208V
220V
0V
100V
TC11
0.75KVA
240V
0V
190V
200V
208V
220V
240V
0V
190V
200V
208V
220V
0V
100V
TC11
0.75KVA
240V
0V
190V
200V
208V
220V
240V
0V
190V
200V
208V
220V
0V
100V
TC11
0.75KVA
240V
0V
190V
200V
208V
220V
240V
0V
190V
200V
208V
220V
0V
100V
TC11
0.75KVA
TC11: The selection of POWER SOURCE 0.75KVA
U10U10U10U10U10U10U10
208V
R1
R1 V10
S1
0V
0V
100V
100V
V10
S1
0V
0V
100V
100V
R1
R1
R1
R1
V10
S1
0V
0V
100V
100V
V10
S1
0V
0V
100V
100V
V10
S1
0V
0V
100V
100V
V10
S1
0V
0V
100V
100V
V10R1
S1
T1S1
R1
T1S1
R1
U50
U60
V60
V50
W50
N
U50
U60
V60
V50
W50
N
T1S1
R1
T1S1
R1
T1S1
R1
T1S1
R1
416V400V380V240V220V200V
U50
U60
V60
V50
W50
N
U50
U60
V60
V50
W50
N
U50
U60
V60
V50
W50
N
U50
U60
V60
V50
W50
N
U50
U60
V60
V50
W50
T1S1
R1
N
0V
0V
100V
100V
416V400V380V240V220V208V200V
TM11: The selection of POWER SOURCE 3.77KVA
TM11
3.77KVA
240V
220V
208V
200V
190V
0V
240V
220V
208V
200V
190V
0V
240V
220V
208V
200V
190V
0V
240V
220V
208V
200V
190V
0V
240V
220V
208V
200V
190V
0V
240V
220V
208V
200V
190V
0V
220V
220V
200V
220V
200V
W
V
U
200V W60 200V W60 200V W60 200V W60 200V W60 200V W60 200V W60
TM11
240V
220V
208V
200V
190V
0V
240V
220V
208V
200V
190V
0V
240V
220V
208V
200V
190V
0V
240V
220V
208V
200V
190V
0V
240V
220V
208V
200V
190V
0V
240V
220V
208V
200V
190V
0V
220V
220V
200V
220V
200V
W
V
U
3.77KVA
TM11
240V
220V
208V
200V
190V
0V
240V
220V
208V
200V
190V
0V
240V
220V
208V
200V
190V
0V
240V
220V
208V
200V
190V
0V
240V
220V
208V
200V
190V
0V
240V
220V
208V
200V
190V
0V
220V
220V
200V
220V
200V
W
V
U
3.77KVA
TM11
240V
220V
208V
200V
190V
0V
240V
220V
208V
200V
190V
0V
240V
220V
208V
200V
190V
0V
240V
220V
208V
200V
190V
0V
240V
220V
208V
200V
190V
0V
240V
220V
208V
200V
190V
0V
220V
220V
200V
220V
200V
W
V
U
3.77KVA
TM11
240V
220V
208V
200V
190V
0V
240V
220V
208V
200V
190V
0V
240V
220V
208V
200V
190V
0V
240V
220V
208V
200V
190V
0V
240V
220V
208V
200V
190V
0V
240V
220V
208V
200V
190V
0V
220V
220V
200V
220V
200V
W
V
U
3.77KVA
TM11
240V
220V
208V
200V
190V
0V
240V
220V
208V
200V
190V
0V
240V
220V
208V
200V
190V
0V
240V
220V
208V
200V
190V
0V
240V
220V
208V
200V
190V
0V
240V
220V
208V
200V
190V
0V
220V
220V
200V
220V
200V
W
V
U
3.77KVA
TM11
240V
220V
208V
200V
190V
0V
240V
220V
208V
200V
190V
0V
240V
220V
208V
200V
190V
0V
240V
220V
208V
200V
190V
0V
240V
220V
208V
200V
190V
0V
240V
220V
208V
200V
190V
0V
220V
220V
200V
220V
200V
W
V
U
3.77KVA

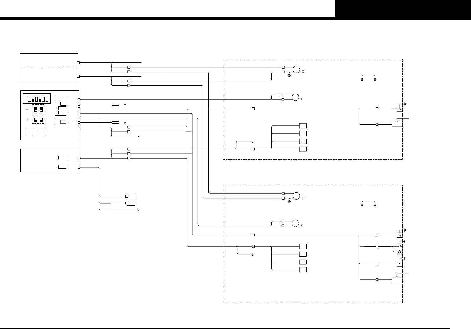
PAGE
11
YVP-Xg (KGJ)
Confi dential & Proprietary
KGJ-000-CN4
Buffer conveyor (option)
SB53
SB50
WB1/VB1
WA1/VA1
C3
C2
1.5 F
1.5 F
BC2 VR
BC1 VR
BC2 DI
BC2 DI
BC1 DI
LW2
LW1
LW2
LW1
See Page 2/12
See Page 2/12
J723
J724
J722
J721
J720
J719
B.C.1
N3075
N3077
N3077
N3076
EXIT2
EXIT1
ENT.
ORG
N3074
N3071
B.C.1
EXIT2
EXIT1
ENT.
N3073
N3073
N3072
ORG
N3070
B.C.2
J711
J710
CONVEYOR SPEED ADJUSTENT
J711
J716
B.C.2
EXIT2
EXIT2
EXIT1
B.C.2
ENT
B.C.2
B.C.2
SQ827
SQ826
SQ825
SQ824
LW2-AXIS
B.C.2
ORG
EXIT1
B.C.1
ENT
B.C.1
B.C.1
EMG
CONVEYOR SPEED
ADJUSTMENT
CONVEYOR SPEED
ADJUSTMENT
B.C.2
H
VR
B.C.1
H
VR
EMG
J54
CNF43
CV VR
CNF43
EMG SWITCH (B.C.1)
EMG SWITCH (B.C.2)
SB04
SB03
SQ823
SQ822
SQ821
SQ820
M16
M14
M15
M13
LW1-AXIS
MODE SELECT SWITCH
J709
J708
J707
J706
J718
J717
J713
J705
J712
J704
J715
J703
J702
J711
J710
J701
J700
MO2A
CONVEYOR EARTH
CONVEYOR EARTH
R-AXIS ENCODER
R-AXIS MOTOR
4
DIP SW (S4:TF)
21
OFF
ON
653
BUFFER CONVEYOR 2
EMG
EMG
N3080
N3081
J142
J122
PCB CHECK LAMP
BUFFER CONVEYOR 1
B.C.1 CONVEYOR MOTOR 15W
B.C.2 CONVEYOR MOTOR 15W
70 MAX1400 rpm
70 MAX1400 rpm
LW1-AXIS 60W
LW2-AXIS 60W
CM
CM
CM BC1
CM BC2
LW2
LW2
LWP
LWM
TG
LWP
LWM
LW1
LW1
TG
42 MAX 4500 rpm
42 MAX 4500 rpm
CNF5
CNF26
CNF36
CNF28
B.C.1
(AUTO/MANUAL)
PCB CHECK SWITCH
ORG
CNF37
CNF7
C3
CMTR3
CNF36
CNF37
TF3
TF1
CNF28
CNF26
C2
CMTR2
CNF7
CNF5
CONNECTION BOARD ASSY P40
MO2A
DRIVER 1A
PI2A
SERVO 1A
PI2A
CONTROL BOX A1
See Page 3
YV821
YV820
CN17
SOLENOID VALVE
J221
T3843
T3842
B.C.2
EXIT STOPPER
EXIT STOPPER
B.C.1
CN17
DO4
CN12
DI8
I/O CONVEYOR UNIT ASSY P22
See Page 5
J714
CN12
A4A3
R L
S3
F
E
S2
C
D
S3
F
E
S2
C
D
L R
DV120202 DV120202

PAG E
12
YVP-Xg (KGJ)
Confi dential & Proprietary
KGJ-000-CN4
Inspection CAMERA
FAN4
FAN INSPECTION LIGHT
EV4
CN2
CN3
CN5
J558
SENSOR
THERMAL
SQ500
T SENSORCN5
CN4
CN4
J553
CN1
J553
J553
J252
FAN
N3023
CN7
J557
J552
CN6
LED PWR
COAX
SIDE
MAIN
J556
J555
J554
CN5
CN4
CN3
COAX
SIDE
MAIN
INSPECTION LIGHT ASSY
LED DRIVER BOARD
CN1
LED BOARD
24VIN
CN1
RS485OUT
RS485IN
CN7
CN6
J552
D_CAM1
J551
D CAM1
D_CAM1
CONNECTION BOARD ASSY P40
INSPECTION CAMERA
CNF31
LED DRIVER CNF31
L.CTL1
L.CTL1
VISION
CN7
CN7
DI3
I/O CONVEYOR UNIT ASSY P22
CONTROL BOX A1