CP-642E-08JE.pdf - 第160页
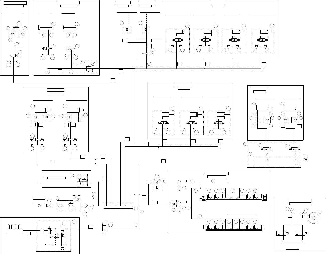
27.エアー配管図(WPI) 27.Pneumatic circuit diagram(WPI) 番号 図番 & コード番号 個数 品名 規格 備考 材質 No. Drg.No. & Code No. QTY Description Rating Remarks Materials 1 H1046A 1 VALVE, STOP バルブ ストップ A3/8X100 OT 2 H3030A 1 FILTER, REG…

CP-642E PARTS LIST ver08
27 - 1
27.エア-配管図(WPI)
27.Pneumatic circuit diagram(WPI)
27.エア-配管図(WPI)
27.Pneumatic circuit diagram(WPI)
タテx173.205
Ref.31-1
Ref.31-1
Ref.31-1
Ref.33-7
Ref.19-4
φ6
φ6
φ6
φ6
(Φ25x40)
φ6
φ6
φ6
φ8
φ6
φ6
φ6
11st vacuum cut
16st vacuum cut off
16st vacuum cut
11st vacuum cut off
A
P
φ8
Vacuum backup pin
(オプション)
Noise reduction box
Loder
基板クランプ(WSS)
φ6
φ8
カムBOX(WPA)
1st nozzle up/down1st feed lever up/down
Pθ rotation
Rear Fence
φ8
φ6
φ8
4.0kgf/cm
2
φ8
(φ25x12)(φ25x12) (φ25x12) (φ25x12)
(φ25x12) (φ25x12)
A
B
R1
R2
P
3/8
3/8
3/8
φ8
(Φ16x10)
90°旋回時
PT3/8
メカニカルバルブ
20 heads
Vacuum
PCBストッパ− 2
R
R
P
B
A
φ6
φ6
φ8
φ6
配管タ−ミナル
φ8
Tape feeding lever
送りレバ−後退時
Left shutter
Right shutter
Air supply
Pθ rotation
A
B
R1
A
B
R1
(Φ25x40)
90°旋回時
18st nozzle change fwd/bwd3st Pθ up/down
10st Fθ up/down 13st PRθ up/down
レバー上昇時レバー上昇時
レバー上昇時レバー上昇時レバー上昇時 レバー上昇時
(Φ16x10)
R
R
P
B
A
Back side board clamp
Operator side board clamp
5kgf/cm
2
(φ25x12)
Cam box
レバー上昇時
配管タ−ミナル
配管タ−ミナル
φ6
φ6
φ6
φ6
φ6
φ6
φ6
φ6
φ6
φ4
φ6
φ6
φ6
φ6
φ6
φ6
φ6
φ6
φ6
φ6
φ6
φ6
φ6
φ6
φ8
R2 R2
φ6
φ6
φ6
φ8
φ8
11st nozzle up/down
1ST駆動部(WPL)
PRθ rotation
(φ20x250)
(φ20x250)
PCBストッパ− 1
XYテ−ブル
1ST Mechanizm
Feeding lever retracted
カ−トリッジ送り
While rotating 90°
θ軸(WPQ)
PRθ旋回
Pθ旋回
While rotating 90°
16st(WPU)
11st(WPS)
16st真空破壊 11st真空破壊
カムBOX(WPA)
1st送り上下 1stノズル上下 3stPθ上下 18stノズル切替前後
While lever ascends While lever ascends While lever ascendsWhile lever ascends
10stFθ上下
Cam box
11stノズル上下 13stPRθ上下
While lever ascendsWhile lever ascendsWhile lever ascends
Conduct terminal
シャッタ−左
シャッタ−右
リアフェンス(WAF)
ロ−ダ(WQL)
PCB stopper 1 PCB stopper 2
Board clamp
基準側
従属側
防音BOX(WPV)
Mechanical valbes
バキュ−ム系
20ヘッド
Conduct terminal
エア−源
(Option)
バキュームバックアップピン
XY table
Conduct terminal
φ6
φ4
Damper(Option)
防振ダンパー(オプション)
φ6
Q1
Q1
Q1
A1
A1A1
B1
B1 B1 B1
B1
B1
F1
A1
F2
B1
B1
F3 F4
B1
B1
Z2
B1
B1
B1
B1
φ6
B1
B1
B1
B1
B1
B1
L7 L8
V1
φ6 φ6
φ6 φ6 φ6 φ6 φ6 φ6 φ6
φ6 φ6 φ6 φ6 φ6 φ6 φ6 φ6
φ8
R1 R2
A B
R1 R2
BA
R1
A B
R2
R1 R2
BA
R1
A B
R2 R2
BA
R1 R1
A B
R2
B1
S1
L3
L1
L5
L6
L4
S1
S1
S1
S1
S1
S1
S1 S1
S1 S1
S1
S1
S1 S1
S1
S1 S1 S1
S1 S1
L2
B1
B1
B1
B1
208
176
165
175
161
175
161
175
161
183
162
176
167
175
161
13
13
B
A
139
26
A
26
12 12
9
23
28
14
18
26
27
23
23
26
26
27
22
22
24
24
19
21
28
22
22
19
21
35 35
34
P1
P2
Q2 Q3 Q4 Q5
2
3
30
32
37
1
36
25 2525 25 25 25
20
20
11
8
8
11
8
8
20
25 25
20 20
2525 25 25
20 20
2525
31
7
17
16
6
4
6
29
23
30
31
15
23
38
38

27.エアー配管図(WPI)
27.Pneumatic circuit diagram(WPI)
番号 図番 & コード番号 個数 品名 規格 備考 材質
No. Drg.No. & Code No. QTY Description Rating Remarks Materials
1 H1046A 1 VALVE, STOP バルブ ストップ A3/8X100 OT
2 H3030A 1 FILTER, REGULATOR フィルタ レギュレータ AW3000-02-BDG OT
3 S3157H 1 SW, PRESSURE SW プレッシャ IS3000-02 OT
4 . 1 MANIFOLD マニホールド VV5Z3-41-021-M5 OT
6 H1130Z 2 VALVE, SOLENOID バルブ SOL VZ3140-5MZ OT
7 1 MANIFOLD マニホールド WQL4080 OT
8 K5351N 4 CONTROLLER, SPEED コントローラ スピード AS1201F-M5-06 OT
9 H1083T 1 VALVE, SOLENOID バルブ SOL SS22J-M5-D24UP-Z OT
11 S2113H 2 CYLINDER, AIR シリンダ エアー CDQ2D16-10D-F7BV OT
12 K5339T 2 CONTROLLER, SPEED コントローラ スピード AS1311F-M5-06 OT
14 H10246 1 VALVE, SOLENOID バルブ 減圧 R002-01G OT
15 H5447T 1 VACUUM PUMP ポンプバキューム KHA750A-302-G1 OT
16 . 1 VACUUM GAUGE 真空 ゲージ 4-041421 OT
17 S3158A 1 PRESSURE SWITCH SW プレッシャ ISG190-030-G1 OT
18 H1077T 1 VALVE, SOL バルブ SOL PCS242-M5-D24-SP OT
19 H1067C 2 VALVE, SOL バルブ SOL A12PD25-1S-02-E OT
20 7 CYLINDER, AIR シリンダ エアー WPA5142 OT
21 . 2 CYLINDER, AIR シリンダ エアー DAD-25X40-ZG553A2-3731W OT
22 S1053T 4 SILENCER サイレンサ KM-23 OT
23 S1056A 5 SILENCER サイレンサ AN101-01 OT
24 S1058A 2 SILENCER サイレンサ AN120-M5 OT
25 S1052A 14 SILENCER サイレンサ SL-M5 OT
26 K5330A 4 CONTROLLER, SPEED コントローラ スピード SC6-01-B OT
27 S2099T 2 CYLINDER, AIR シリンダ エアー CDM2B20-250-H7A1 Rear Fence(Option) OT
28 H1073F 2 VALVE, SOLENOID バルブ SOL PCD345-01D-D24SP OT
29 K5338A 1 CONTROLLER, SPEED コントローラ スピード AS1211F-M5-06 OT
30 H1037E 1 VALVE, MANUAL バルブ 手動 HV6-6 OT
31 H1063T 2 VALVE, MECHANICAL バルブ メカニカル VM133-M5-01 OT
32 H1006T 1 GENERATOR, VACUUM 発生器真空 VDBL12P8-06-SA OT
34 1 CYLINDER, AIR シリンダ エアー WPL5012 OT
35 K5332A 2 CONTROLLER, SPEED コントローラ スピード SS4-M5A OT
36 S4016R 1 SEPARATOR MIST セパレータ ミスト AFM3000-02D OT
37 H10247 1
VALVE, PRESSURE REDUCING
バルブ 減圧
R150-02 OT
38 K5048T 2 CONNECTOR コネクタ PW8-6 OT
CP-642E PARTS LIST ver08
27 - 2
27.エアー配管図(WPI)
27.Pneumatic circuit diagram(WPI)

27.エアー配管図(WPI)
27.Pneumatic circuit diagram(WPI)
番号 図番 & コード番号 個数 品名 規格 備考 材質
No. Drg.No. & Code No. QTY Description Rating Remarks Materials
*.(A1,B1,L12,等)で表示されているのはエアーホースです。
詳細は電気図面をご覧下さい。
*.The types of air hoses are specified using alphabet characters (eg.A1,B1,L12,etc.).
Refer to the Electrical Schematic for details.
CP-642E PARTS LIST ver08
27 - 3
27.エアー配管図(WPI)
27.Pneumatic circuit diagram(WPI)