文档中心
/
CM602电路图.pdf
CM602电路图.pdf - 第115页
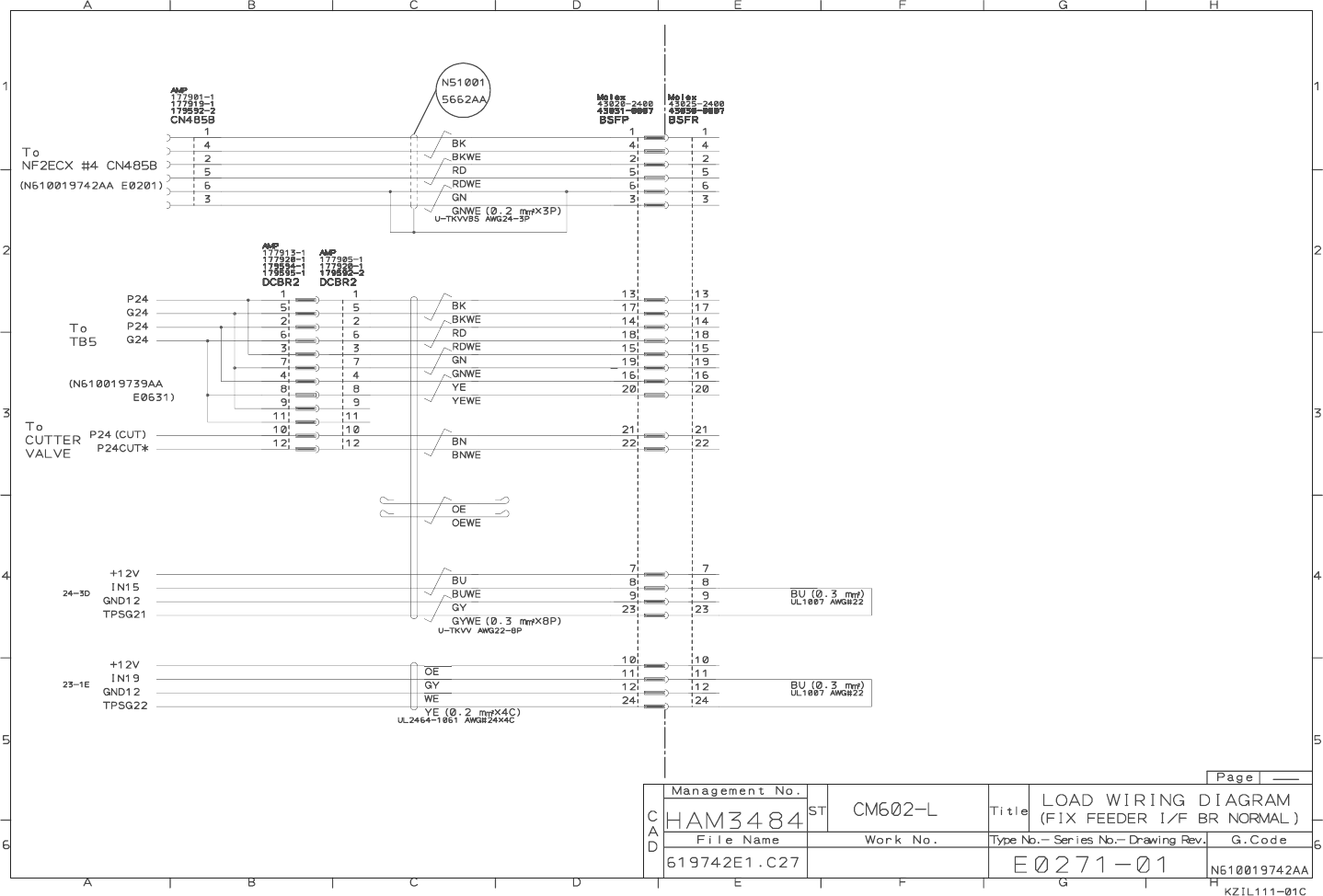
1. LOAD WIRING DIAGRAM 1-3 CONVEYOR SECTION EJM8A- E-W DB0A-A00-0 0
目录
100%
显示:宽度
宽度
1 / 438
回到旧版
旧版
?
1. LOAD WIRING DIAGRAM
1-3 CONVEYOR SECTION
EJM8A-
E-W
DB0A-A00-0
0
该页面需要启用 JavaScript 才能进行交互式预览。