文档中心
/
CM602电路图.pdf
CM602电路图.pdf - 第286页
在线预览 CM602电路图.pdf PDF 文档。
目录
100%
显示:宽度
宽度
1 / 438
回到旧版
旧版
?
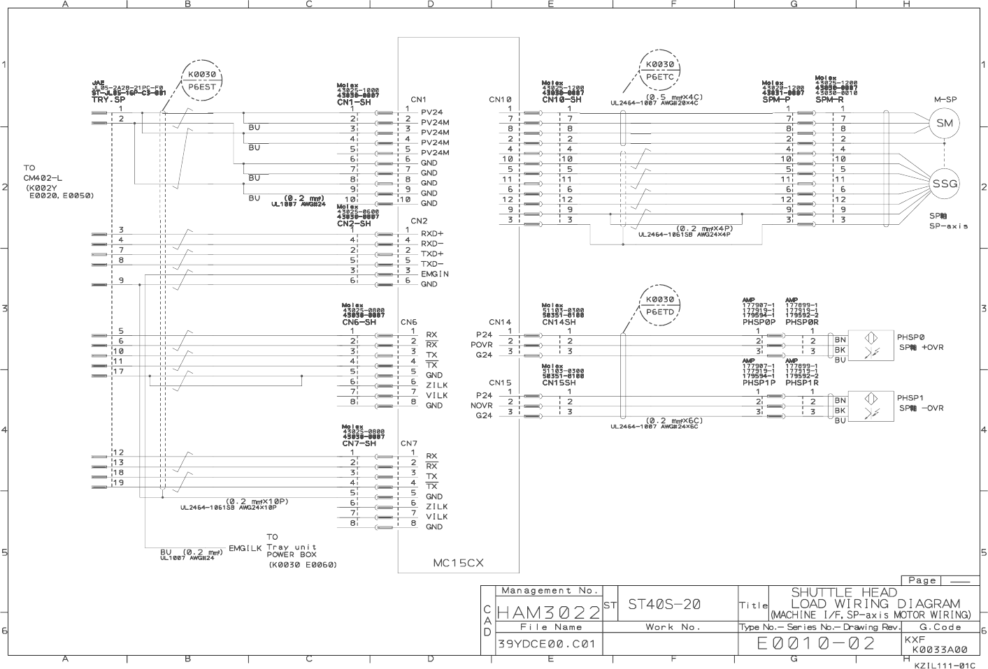
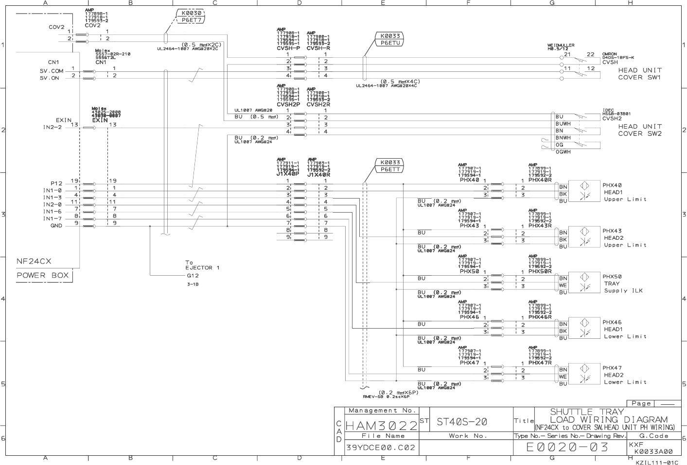
4. OPTION
4-13 SHUTTLE HEA
D LO
AD WIRING
DIA
G
R
A
M
EJM8A-
E-W
DB0A-A00-0
0
该页面需要启用 JavaScript 才能进行交互式预览。