CM602电路图.pdf - 第223页
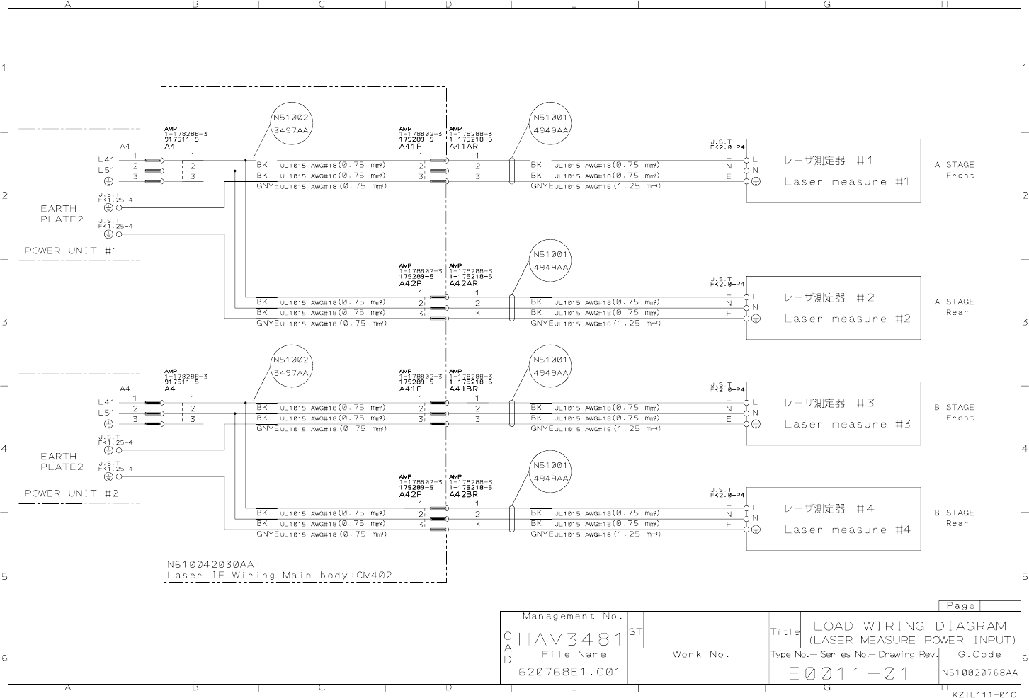
4. OPTION 4-6 L A SER I/F WIRING (LO A D WIRING DI A G RAM) EJM8A- E-W DB0A-A00-0 0


4. OPTION
4-6 LASER I/F WIRING (LOAD WIRING DIAGRAM)
EJM8A-E-WDB0A-A00-00

4. OPTION 4-6 L A SER I/F WIRING (LO A D WIRING DI A G RAM) EJM8A- E-W DB0A-A00-0 0


