CM602电路图.pdf - 第397页
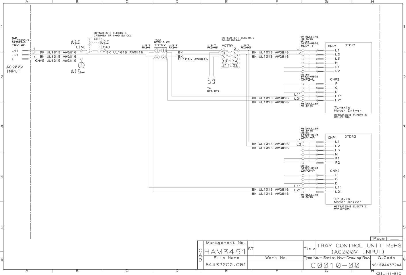
4. OPTION 4-32 TR A Y P OWER BOX DI A GR AM (DT50S-20) EJM8A- E-W DB0A-A00-0 0

1.
= MEMO =
EJM8A-E-WDB0A-A01-00

4. OPTION
4-32 TRAY POWER BOX DIAGRAM (DT50S-20)
EJM8A-E-WDB0A-A00-00

4. OPTION 4-32 TR A Y P OWER BOX DI A GR AM (DT50S-20) EJM8A- E-W DB0A-A00-0 0


