E64C-E-WDBA-0002-A4.pdf - 第157页

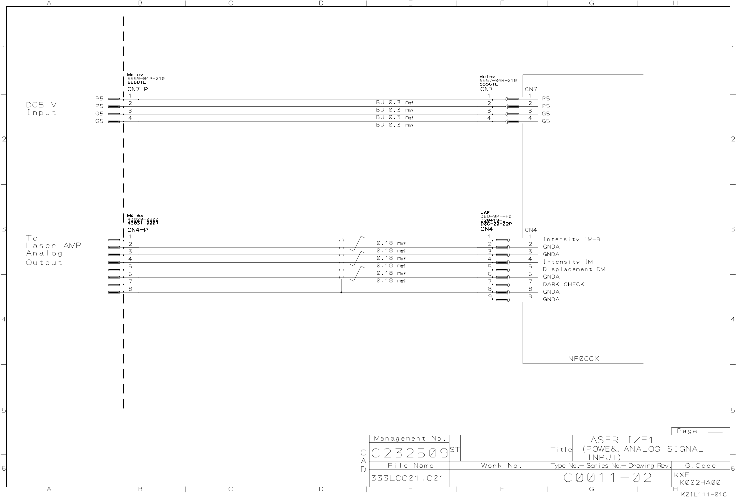
4. OPTION 4-4 L A SER I/F BOX: A F (L A SER I/F) E64C-E-W DB0A-A 00-00

100%1 / 280
4. OPTION
4-4 LASER I/F BOX: AF (LASER I/F)
E64C-E-WDB0A-A00-00