文档中心
/
E64C-E-WDBA-0002-A4.pdf
E64C-E-WDBA-0002-A4.pdf - 第202页
在线预览 E64C-E-WDBA-0002-A4.pdf PDF 文档。
目录
100%
显示:宽度
宽度
1 / 280
回到旧版
旧版
?
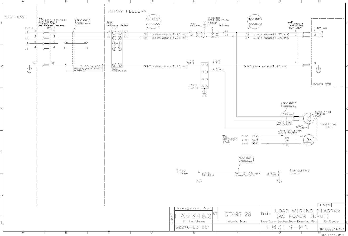
4. OPTION
4-15 DIRECT TRAY LOA
D WIRING DI
A
GR
A
M
(SINGLE)
E64C-E-W
DB0A-A
00-00
该页面需要启用 JavaScript 才能进行交互式预览。