E64C-E-WDBA-0002-A4.pdf - 第165页
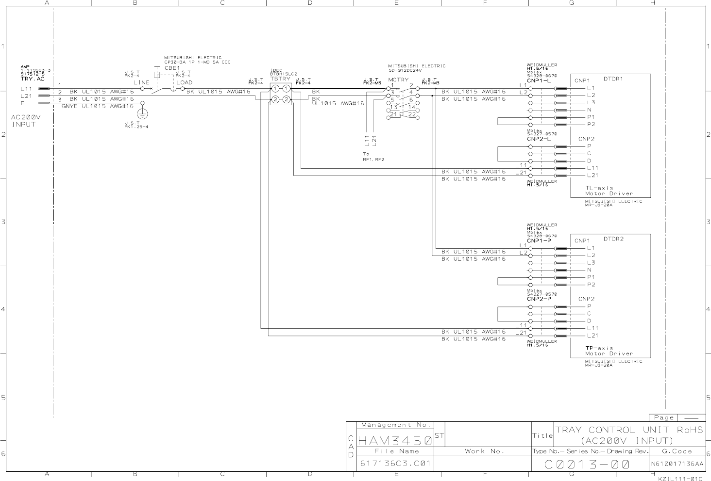
7. 4. OPTION 4-6 TRAY POWER BOX DIA GR AM E64C-E-W DB0A-A 00-00

1.
= MEMO =
E64C-E-WDB0A-A01-00

7.
4. OPTION
4-6 TRAY POWER BOX DIAGRAM
E64C-E-WDB0A-A00-00

7. 4. OPTION 4-6 TRAY POWER BOX DIA GR AM E64C-E-W DB0A-A 00-00


