E64C-E-WDBA-0002-A4.pdf - 第253页
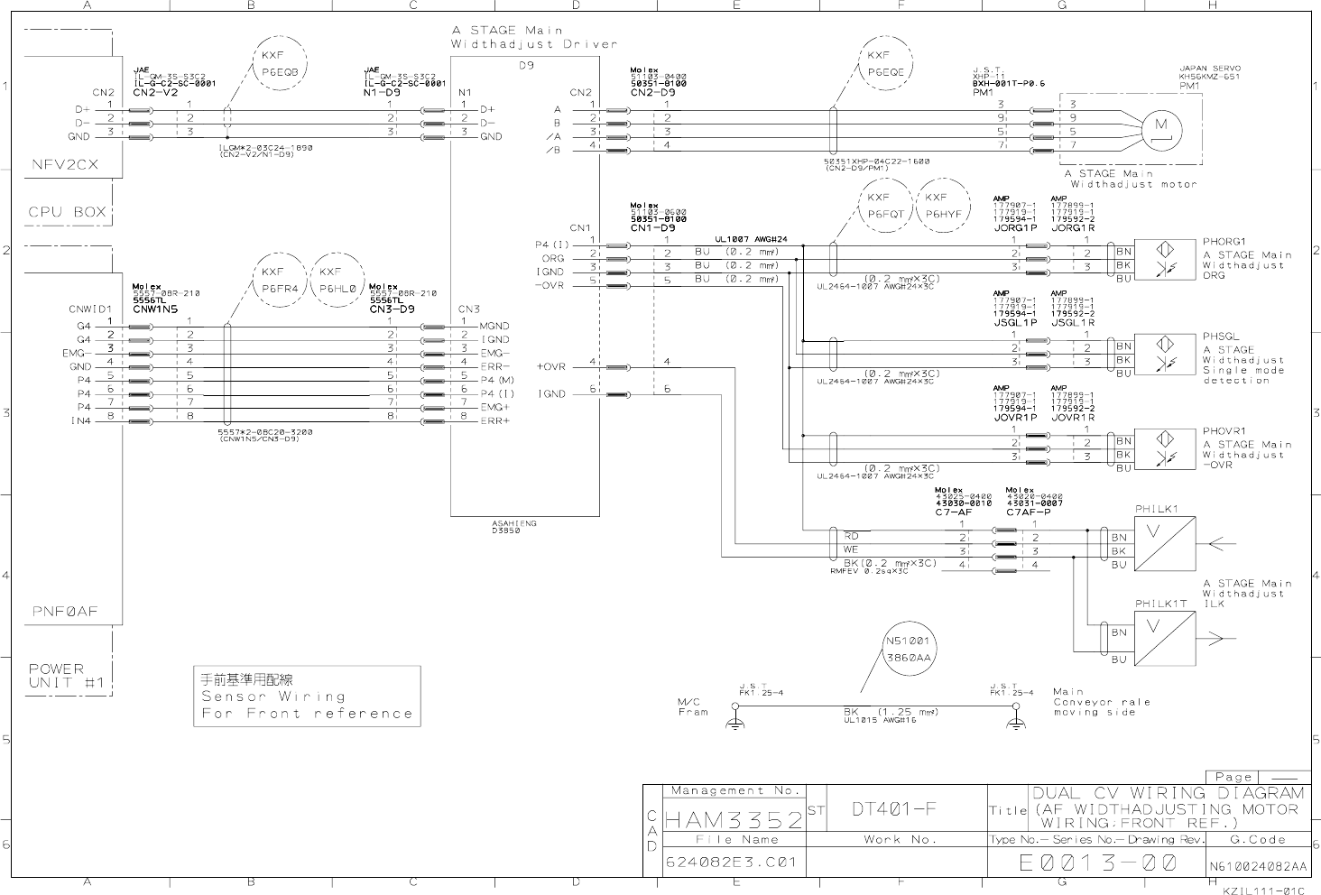
4. OPTION 4-25 DU A L CONVEYOR WIRING DI A GRA M E64C-E-W DB0A-A 00-00

1.
= MEMO =
E64C-E-WDB0A-A01-00

4. OPTION
4-25 DUAL CONVEYOR WIRING DIAGRAM
E64C-E-WDB0A-A00-00

4. OPTION 4-25 DU A L CONVEYOR WIRING DI A GRA M E64C-E-W DB0A-A 00-00


