JX-100_JX-100LED-Rev05.pdf - 第56页
- 53 - 27. MAIN LINE FILTER COMPONENTS メインラインフィルタ関係 4 15 14 16 17 7 8 13 11 9 3 6 18 5 12 10 2 4 1

- 52 -
REF.NO NOTE PART NO D E S C R I P T I O N
品 名
Qty
1 PJ-3090052-01 PLUG
プラグ
1
2 PJ-3011252-02 HALF UNION
ハーフユニオン
1
3 161-21907 HOSE BAND
ホースバンド
1
4 BT-1200801-EF TUBE
チュ−ブ
3
5 400-79563 C_PS_BASE
C PS ベース
1
6 HX-0029400-00 FIXED BASE
固定ベース
7
7 SM-4040601-SC SCREW M4X0.7 L=6
なべ小ねじ M 4 X 0.7 L =6
7
8 SL-4040891-SC SCREW M4 L=8
座金付きなべ小ねじ M 4 L =8
4
9 400-77394 RUBBER FOOT
ラバーフット
4
10 SL-6042092-TN SCREW M4 L=20
座金付き六角穴ボルト
6
11 400-79564 C_BRAKER_BR
C ブレーカ BR
1
12 SL-4040891-SC SCREW M4 L=8
座金付きなべ小ねじ M 4 L =8
4
13 400-79565 C_PS_COVER
C PS カバー
1
14 SM-0040801-SC SCREW
トラスねじ M 4 L =8
8
15 400-79566 C_BRAKER_COVER
C ブレーカカバー
1
16 SM-0030601-SC SCREW M3X0.5 L=6
トラス小ねじ M 3 X 0.5 L =6
4
17 400-76928 ISOLATION TRANSFORMER
トランス
1
18 HA-0053900-00 CIRCUIT PROTECTOR
サーキットプロテクタ
1
19 HA-0053200-10 CIRCUIT PROTECTOR
サーキットプロテクタ
1
20 HK-0695500-10 BLOCK TERMINAL
ブロックターミナル
6
21 HK-0695900-00 BLOCK TERMINAL
ブロックターミナル
2
22 HK-0691900-0B BLOCK TERMINAL
ブロックターミナル
4
23 HK-0695900-0A BLOCK TERMINAL
ブロックターミナル
2
24 400-00530 CARRIER RAIL 75
キャリアレール75
2
25 100-04109 GROUND MARK
グランドマ−ク
2
26 400-81429 OIL_PAN
オイルパン
1
27 EA-9500B01-00 CABLE BAND
束線バンド
6
28 EA-9500B02-00 CABLE BAND 150
結束バンド 150
4
29 SL-6061292-TN SCREW
座金付き六角穴ボルト
4

- 53 -
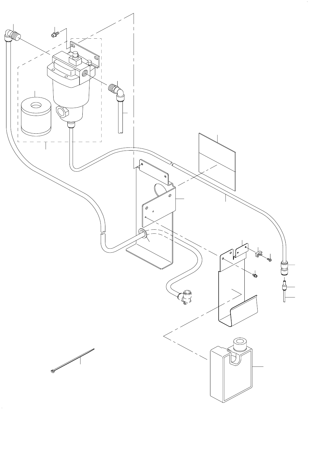
27.MAIN LINE FILTER COMPONENTS
メインラインフィルタ関係
4
15
14
16
17
7
8
13
11
9
3
6
18
5
12
10
2
4
1

- 54 -
REF.NO NOTE PART NO D E S C R I P T I O N
品 名
Qty
1 PF-0154010-A0 AIR FILTER
エアフィルター
1
2 PF-9010070-00 FILTER ELEMENT
フィルターエレメント
(1)
3 BT-1200801-EF TUBE
チューブ
2
4 PJ-3041254-01 ELBOW UNION D=12
エルボユニオン φ 12
2
5 400-16815 DRAIN TANK
ドレインタンク
1
6 BT-1000651-EB POLYURETHANE TUBE
ポリウレタン チューブ
0.8
7 PJ-3031000-02 STRAGHT
ストレート
1
8 PJ-3090400-03 STRAGHT
レジューサ(φ 4− φ 10)
1
9 BT-0400251-EA TUBE HOSE, BLUE
ウレタンホ−ス 青
0.16
10 SL-6061692-TN BOLT
座金付き六角穴ボルト
2
11 400-55291 FILTER BRACKET
フィルタブラケット
1
12 HX-0005500-0J RUBBER BUSHING
ゴムブッシュ
1
13 E1387-700-000 HOD MAGNET
HOD マグネット
2
14 400-55290 DRAIN TANK STAY
ドレインタンクステイ
1
15 SL-6040892-TN BOLT
座金付き六角穴ボルト
2
16 HX-0029400-00 FIXED BASE
固定ベース
1
17 SM-4040601-SC SCREW M4X0.7 L=6
なべ小ねじ M 4 X 0.7 L =6
1
18 EA-9500B01-00 CABLE BAND
束線バンド
1