QP-242E-11.pdf - 第236页
63.2.本体(BHAB) 63.2.Body(BHAB) 番号 図番 & コード番号 個数 品名 規格 備考 No. Drg. No. & Code No. QTY Description Rating Remarks 68 K4147T 2 FLEXIBLE TRACK ケーブルベア 25.3-055-16-13B **-7** 69 BHSY5030 2 PLATE プレート 70 BHSY5040 2 R…

63.2.本体(BHAB)
63.2.Body(BHAB)
番号 図番 & コード番号 個数 品名 規格 備考
No.
Drg. No. & Code No.
QTY Description Rating Remarks
1 BHAB0021 1 COLUMN コラム **-6**
2 BHAB0030 1 LEG 脚
3 BHAB0040 1 LEG 脚
4 BHAB0056 1 LEG 脚
5 BHAB0067 1 LEG 脚
11 BHAB0130 1 GUIDE ガイド
12 BHAB0130 1 GUIDE ガイド **-6**
15 BHAB0260 1 BKT BKT **-6**
16 BHAB0310 2 BOLT ボルト
17 BHAB0320 2 BOLT ボルト
18 BHAB5060 2 BOLT ボルト
19 BHAB0360 2 BKT BKT
21 MPQ0132 1 BKT BKT
22 MPQ0141 1 CLAMP クランプ
23 MPQ0150 1 PLATE, RUBBER プレート ゴム
34 BHSY0190 2 PLATE プレート
35 BHSY0200 2 RETAINER, WIRING 押え 配線
36 K5335E 6 CONTROLLER, SPEED コントローラ スピード JSU6 *I-6**, *I-7**
37 K1133A 1
CAMERA, CCD
カメラ CCD IK-541
38 H5287A
BOLT, HEX SOCKET
ボルト 六角穴
M4X8L
39 H5294A
BOLT, HEX SOCKET
ボルト 六角穴
M4X30L
40 H5298A
BOLT, HEX SOCKET
ボルト 六角穴
M5X10L
42 H5388A
BOLT, HEX SOCKET
ボルト 六角穴
M12X35L
44 W1022A
WASHER, LOCK
ワッシャ スプリング 4M/M
45 W1023A
WASHER, LOCK
ワッシャ スプリング 5M/M
46 W1024A
WASHER, LOCK
ワッシャ スプリング 6M/M
48 W1043A
WASHER, FLAT
ワッシャ 平
4W-4
49 W1045A
WASHER, FLAT
ワッシャ 平
4W-6
52 W1016A
WASHER, CONICAL
ワッシャ 皿
M-12-H
54 K5359E
SCREW, COUNTERSUNK
小ネジ 皿
M4X8L
56 K52613
SCREW, HEX SOCKET BUTTON
小ネジ六角穴ボタン M6X8L
57 K4147H 2
FLEXIBLE TRACK
ケーブルベア 25.2-055-16-22B **-6**
58 BHAB5029 1 COLUMN コラム **-7**
61 BHAB5030 2 BKT BKT **-7**
65 K5335E 10 CONTROLLER, SPEED コントローラ スピード JSU6 *S-6**
66 K5335E 8 CONTROLLER, SPEED コントローラ スピード JSU6 *S-7**,**-8**
67 H5321A
BOLT, HEX SOCKET
ボルト 六角穴
M6X12L
QP-242E PARTS LIST ver11
63 - 5
63.2.本体(BHAB)
63.2.Body(BHAB)

63.2.本体(BHAB)
63.2.Body(BHAB)
番号 図番 & コード番号 個数 品名 規格 備考
No.
Drg. No. & Code No.
QTY Description Rating Remarks
68 K4147T 2
FLEXIBLE TRACK
ケーブルベア 25.3-055-16-13B **-7**
69 BHSY5030 2 PLATE プレート
70 BHSY5040 2 RETAINER, WIRING 押え 配線
71 BHAB6027 1 COLUMN コラム **-8**
72 BHAB6031 1 BKT BKT **-8**
73 BHAB0140 1 MANIFOLD, AIR マニホールド エアー
74 Y3054A 3 ELBOW エルボ KQL08-02S
75 Y3058L 1 UNION, HALF ユニオン ハーフ KQH16-04S
76 H5320A
BOLT, HEX SOCKET
ボルト 六角穴
M6X10L
77 BHPH4580 1 BKT BKT
78 BHAB0700 1 BKT BKT
79 A10381 1 AMPLIFIER アンプ AP-80A
80 BHGC4191 1 BKT BKT
81 H5298A
BOLT, HEX SOCKET
ボルト 六角穴
M5X20L
82 H5285A
BOLT, HEX SOCKET
ボルト 六角穴
M4X5L
83 BHPZ0042 1 NAMEPLATE 銘板 Japanese/English
84 BHPZ0122 1 NAMEPLATE 銘板 Japanese/French
85 BHPZ0081 1 NAMEPLATE 銘板 Japanese/English
86 BHPZ0111 1 NAMEPLATE 銘板 Japanese/French
QP-242E PARTS LIST ver11
63 - 6
63.2.本体(BHAB)
63.2.Body(BHAB)

上
up
下
down
上
up
下
down
モジュールコンベア基板ストッパ
Module conveyor
board stopper
φ10x35
C20x30 C12x15
下
down
上
up
up/down
Nozzle change shutter
open/close
モジュールコンベア基板クランプ
Module conveyor
board clamp
φ25x40
ノズルチェンジシャッタ−開閉
閉
close
開
open
下
down
上
up
閉
close
開
open
上昇
Raise
下降
Lower
上昇低速
low speed
release
閉
closeopen
開上昇
RaiseLower
下降
φ6
φ6
M6 φ6
M5 φ6
M2 φ6
M1 φ6
P6 φ6
P5 φ6
P1 φ6
P2 φ6
φ6
P4
φ4
P4
P14
上昇高速
high speed
release
下降低速
low speed
release
下降高速
high speed
release
56
55
57
55
18
16
16
1616
16161616
16
16
19
P3
P3
φ4
φ6
5858
5454
59
67
54
59
59
59
70
68
66
28
10 10 10
9
59
59
54
1/8
1/8
M5 M5M5 M5
M5 M5
φ6
P12 P15
φ6
φ6
P10
φ6
P13
φ6
P16 φ6
P17 φ6
P8
P7
M8
φ6
P12
φ6
M3
φ6
M4
φ6
M7
φ6
30
31
58585959
8
11
64
63
65
54
53
52
51
50
46
50
50
52
69
61
60
23
MFU
26
25
22
21
49
B2
φ16
P12
φ6
B2
φ16
P12
φ6
B2
φ8
B2
φ6
φ4
H2
φ6
B2
φ6
B2
φ16
φ16
B1
φ16
B2
1/2
1/2
1/4
1/2
3/4
1/2 3/4
1/2
1/2
5Kg/㎝
2
セット圧4.5kg/㎝
2
Set pressure 4.5kg/㎝
2
46
48
7
6
47
46
5
4
3
4342
2
29
ICM
*S-8**
次のモジュ−ルへ
To the next module
Lower
Lower
Raise
Raise
4443
45
62
B2
φ8
M5
H1
φ6
61
P12
φ6
M5
61
P12
φ6
M5
61
P12
φ6
M5
61
P12
φ6
M5
M6
1/2
1/4
1/4
1/4
B2
φ8
27
17
17
P11
φ6
ノズルチェンジャ
Nozzle changer
P9
A
B
A
B
A
B
A
B
C20x30 C12x15
Nozzle change
up/down
Nozzle change shutter
open/close
ノズルチェンジシャッタ−開閉ノズルチェンジ上下
M5M5 M5 M5
30
32
58585858
M8
φ6
M3
φ6
M4
φ6
M7
φ6
M8
φ6
M3
φ6
M4
φ6
M7
φ6
ノズルチェンジ上下
Nozzle change
1/2
20
Nozzle changer
Type A
Nozzle changer
Type B,C
*S-6**
73
75
77
76
62
B1
H3
φ4
B1
69
78
78
79
φ6
H1
Parts pickup check(Option) Standard
22
1
175
B
QP-242E PARTS LIST ver11
64 - 1
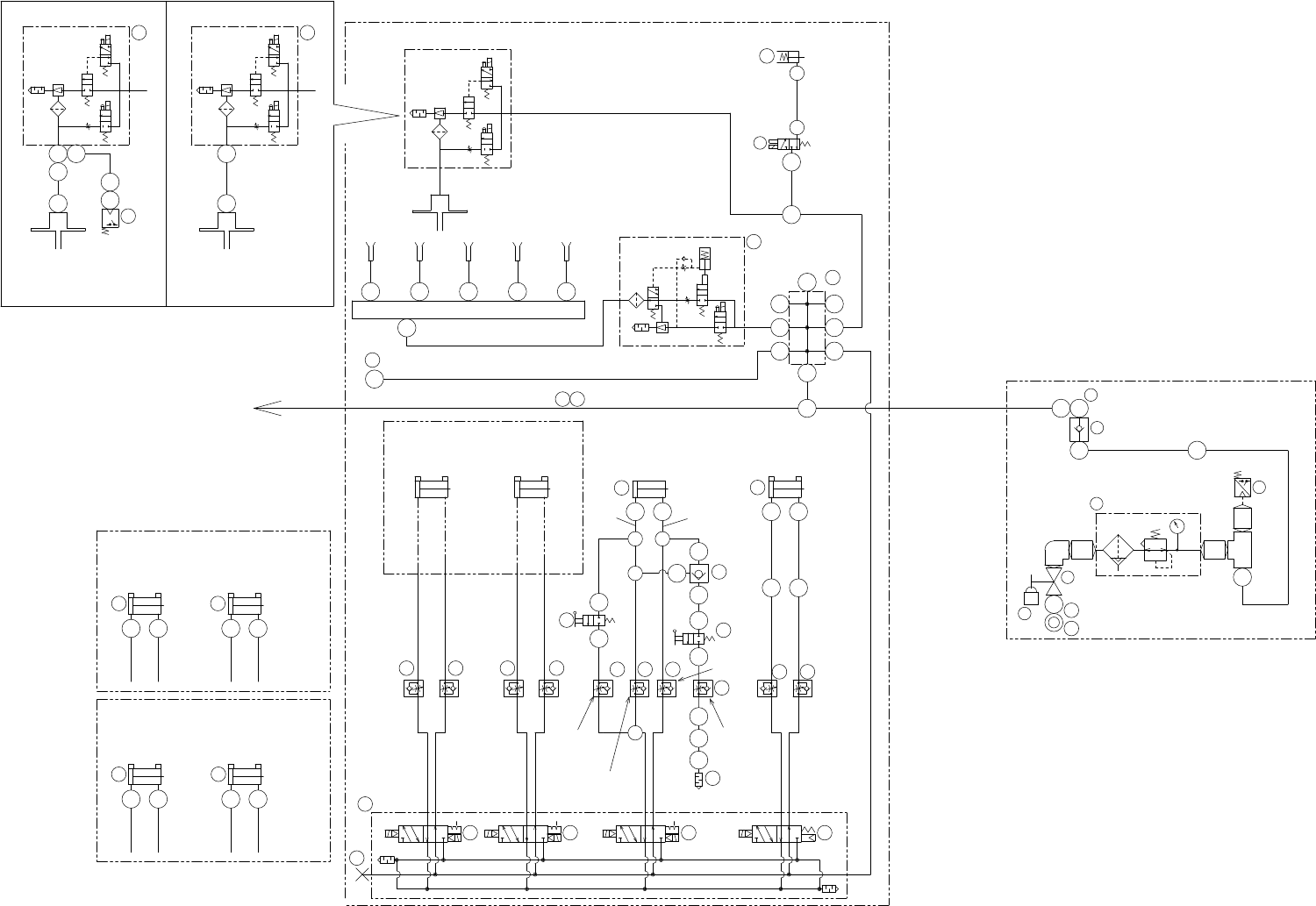
64.1.本体エアー配管図(BHWB)
64.1.Pneumatic circuit diagram(BHWB)
64.1.本体エアー配管図(BHWB)
64.1.Pneumatic circuit diagram(BHWB)