DECAN_L2_TRM(Ver4.4_CS20.12).pdf - 第160页
Page +$1:+$ 156 DECAN L2 Air (3/6)

Page
+$1:+$
155
DECAN
L2
Air (2/6)
NO. PART NO. PART NAME Q'TY Old No. Supply Supply LT Reference
1 AM03-010745A FILTER_ASSY 1
2 HP04-000179 MIST SEPERATOR 1
3 HP04-000178 FILTER 1
4 HP06-900211 FITTING 1
5 HP06-900187 FITTING 1
6 HP06-900014 FITTING 1
7 HP06-900018 FITTING 1
8 FC14-900724 PLUG 1
9 HP14-900026 SOLENOID VALVE 1
10 HP14-900092 VALVE,CHECK 1
11 HP06-900271 UNION Y FITTING 1
12 HP09-900163 SILENCER 1
13 HP14-900026 VALVE,SOLENOID 1
14 HP06-900048 ELBOW FITTING 1
15 HP06-900027 FITTING 1
16 HP06-900293 ELBOW FITTING 1
17 HP06-900299 COUPLER 1
18 J9057172B DOCKING BLOCK ASSY(RIGHT) 1
19 HP06-900300 PLUG 1
20 J9057180A DOCKING CART ASSY 1
21 HP14-900090 SPEED CON 1
22 HP06-900027 FITTING 1
23 J9057168B DOCKING BLOCK ASSY(LEFT) 1
24 HP14-900089 SPEED CON 1
25 J6711019A UNION Y FITTING 1

Page
+$1:+$
156
DECAN
L2
Air (3/6)

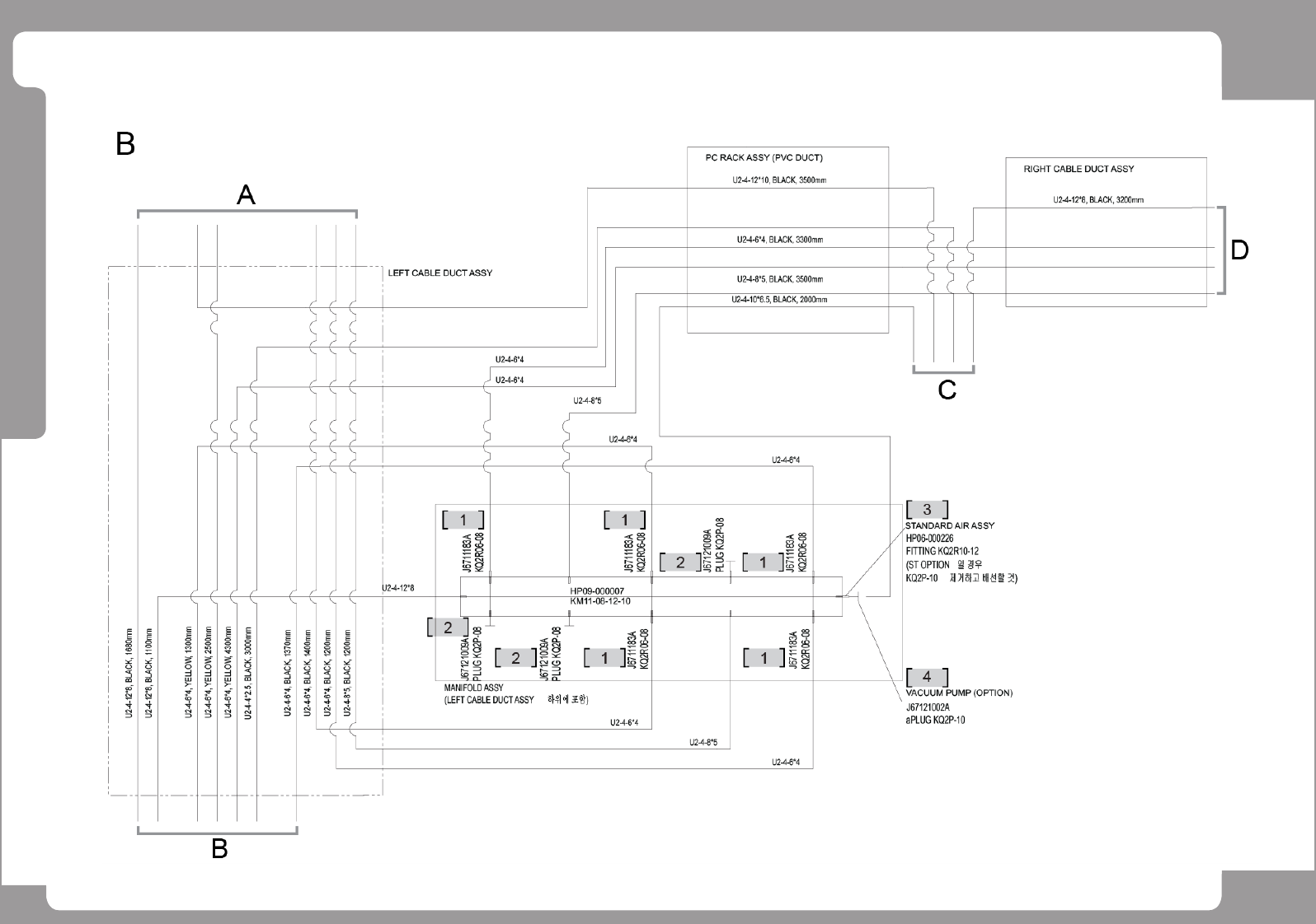
Page
+$1:+$
157
DECAN
L2
Air (3/6)
NO. PART NO. PART NAME Q'TY Old No. Supply Supply LT Reference
1 HP06-900282 STRAIGHT FITTING 4
2 FC14-900644 PLUG 3
3 HP06-000226 FITTING 1
4 FC14-900641 PLUG 1