DECAN_L2_TRM(Ver4.4_CS20.12).pdf - 第185页
Page +$1:+$ 181 DECAN L2 Harness Wiring Diagram (4/8) CN2 R-FEEDER I/F BOARD CN5 CN6 SM_FD003 SM_FD004 CN3 REAR FEEDER BASE RIGHT B/D FLA T CABLE AP5 AXIS IO BOARD #3 [AXIO#3] CN2 PWR CN3 CAN [RFD] CN1 CN11 CN21 Z12 AMP …

Page
+$1:+$
180
DECAN
L2
Harness Wiring Diagram (3/8)
(750W)
RX
PW471_PW017
SENSOR
F CONVEYOR
IF BOARD
CN15
(750W)
FX
FLAT CABLE
AP5 AXIS IO BOARD #1
CN11
FY2FY1
CN13
RY2RY1
SM471_PW016
SM511_MD027-2
PW471_PW018 PW471_PW019
CN21 CN23
CN17
(20W)
In Width
WW1
BW1-1 BW1-2
SM411_PW029
CN24 CN26
CN19
WW2
BW2-1 BW2-2
[AXIO#1]
CN12 CN14
CN16
SM511_VM013
CN22
CN25
CN18 CN20CN2
PWR
SACO-CN27
SENSOR
R CONVEYOR
IF BOARD
SM471_SC007-1
CN1
FX-PWR
FX-EN
RX-PWR
RX-EN
#2 DC
POWER B/D
[DP2]
CN3
CN2
SM511_CS229
CN3
CN2
CN3
CN2
CN3
CN2
SM511_CS023
SM511_CS022
SM511_CS025
SM511_CS024
SM511_CS014
SM511_CS015
CN1
SM471_PW121-2
PCIE X1
PCIE ADAPTER #1
CN1
CN1
CN1
CN1
CN1
CN1
CN2
CN3
CN4
CN5
CN6
CN7
TB1-11D
TB1-12D
X-PWR
X-EN
X-PWR
X-EN
SM511_CS251 SM511_CS251-1
FY1-PWR
SM511_VM014
SM511_VM015
SM511_VM017
SM511_VM018
SM471_PW120-2
MC1-14
TB1-12B
SM511_CS054
SM511_MD001
SM511_MD008
SM471_MD002
SM511_MD003
SM511_MD012
SM471_MD004
SM511_MD011
SM511_MD006
SM511_MD009
SM511_MD010
SM511_MD005
SM511_FL001-3
SM511_MD007
FY2-PWR
RY1-PWR RY2-PWR
FY1-ENC
LINEARLINEAR LINEARLINEAR
RY2-ENCRY1-ENC
FY2-ENC
F.Y BRK
R.HD BRK
CN4 CN1 CN4 CN4 CN4CN1
CN3
CN2
CN3
CN2
CN3
CN2
CN3
CN2
CN3
CN2
CN3
CN2
CN1
CN2
CN3
CN7
CN6
In Shuttle
In Width Home
In Shuttle Home
In Front Belt #2
In Front Belt #1
WS2
WW2
WW1
MS1 WS1
Exit Width
Exit Shuttle
Exit Front Belt #2
CN1
CN2
CN3
CN7
CN6
Exit Width Home
Exit Shuttle Home
Exit Front Belt #1
MS2
IN-BELT1
IN-BELT2
IN.SH-EN
IN-WD-PW
IN-WD-EN
IN.SH-EXT2.EN
IN-F-IN
IN-F-WAIT
IN-WD-H
IN-SH-H
EX-BELT1
EX-BELT2
EX-SH-EN
EX-WD-EN
EX-WD-PW
EX-SH-EN
EX-F-OUT1
EX-F-OUT2
EX-WD-H
EX-SH-H
EX-F-BD-OUT
SM511_CS203
SM511_CS204
SM511_CS201
SM511_CS202
SM511_CS201-1
IN.SH-EXT2.PW
SM511_CS201-2
SM511_CS201-3
SM511_CS209-1
SM511_CS201-1 SM511_CS201-5
SM511_CS202-1
SM511_CS203-1
EX-SH-PW
SM511_CS203-1
SM511_CS203-1
SM511_CS203-2
SM511_CS209-1
SM511_CS204-1
SM511_CS204-1
SM511_CS204-1
SM511_CS201-5
IN CONV (SHUTTEL MODE)
EXIT CONV(SHUTTEL MODE)
BW1-1
SM511_CS250
BW1-2
BW2-1/BW2-2
BW2-1
BW2-2
WW1-PWR
WW1-ENC
SM511_CS052
WW2-PWR
WW2-ENC
[L] [R]
SM511_MD027-1
SM511_MD027
SM511_MD027-2
SM511_MD027-1
SM511_MD027
SM511_MD027-2
SM511_MD027-1
SM511_MD027
SM511_MD027-2
SM511_MD027-1
SM511_MD027
SM511_MD027-2
SM511_MD027-1
SM511_MD027
SM511_MD027-2
SM511_MD027-1
SM511_MD027
(DC BRK)
CN15
SM511_PW147
PUMP-ALARM
CV-CN15-IN
CV-CN15-EXT
[CV]
CN5
CN8
CN6
CN7
CN7
CN9 CN10
CN9
SM511_VI104
SM511_VI104-1
SM511_VI104-2
SM511_FL001-14
AXIO#2-CN5
SM471_VI006
HD-CN5
HD-CN4
AXIO#3-CN5
SM471_VI006
HD-CN5
HD-CN4
HD-SOL-EXT
F-HD-SOL
R-HD-SOL
F-HD-SOL
H7H10-VAC
R-HD-SOL
H7H10-VAC
H1H6-VAC
H1H6-VAC
SM511_CS035
SM511_CS050
Y11.Y12,Y21.Y22.X1.X2 HOM SNS
(DC BRK)
(DC BRK)
[AX]
JST 10P
JST 10P
SM511_CS202-1
1
Driver PWR
J2R-1 10P
SM511_CS210
J2R-2 4P
J7R-1 10P
J7R-2 4P
J7R-3 6P
SM511_CS211
J2R-3 6P
L-CV-32P
L-CV-30P
(56각)
(42각)
R-CV-32P
R-CV-30P
(56각)
(42각)
(56각)
(42각)
(42각)
(56각)
(42각)
(42각)
2
3
4
1
3
4
6
2
5
Motor PWR
1
Driver PWR
2
3
4
4
3
1
2
56각
Motor PWR
/B
B
/A
A
42각
/B
B
/A
A
1
3
4
6
2
2
4
3
1
2
컨벡스 회로도
BS1 BS2
BS1 BW1
BS12 BW12
BS2 BW2
BS34 BW34
BELT DRIVER BELT DRIVER
SM511_FL001-1.2
SM511_FL001-4
SM511_FL001-5
SM511_FL002-3
SM511_FL002-1.2
SM511_FL001-3
SM511_FL001-1.2
SM511_FL002-3
SM511_FL002-1.2
SM511_FL001-4
SM511_FL001-5
* 케이블 베어
* 케이블 베어
SM511_FL002-14
SM511_FL001-14
SM511_FL002-14
[HD1] [HD2]
(C/V WORK)
(C/V WORK)
(C/V WORK)
(C/V WORK)
F PCB In
F PCB Wait
IN-F-IN
IN-F-WAIT
SM511_CS201-4
LONG(㝩㊌)
Exit F PCB Out#1
Exit F PCB Out#2
Exit F BOARD Out
EX-F-OUT1
EX-F-OUT2
EX-F-BD-OUT
SM511_CS203-3
LONG(㝩㊌)
커넥터변경
커넥터변경
IN.SH-PW
EX-SH-EN
IN-F-BD-OUT
SM511_CS201-1
400mm
SINGLE CONV 일때 삭제
IN-SH-EN
AM03-019776A
SM511C_VM003-01
AM03-019778A
SM511C_VM003-02
AM03-019777A
SM511C_VM004-01
AM03-019775A
SM511C_VM004-02
AM03-019780A
SM511_VM005-01
AM03-019781A
SM511_VM005-02

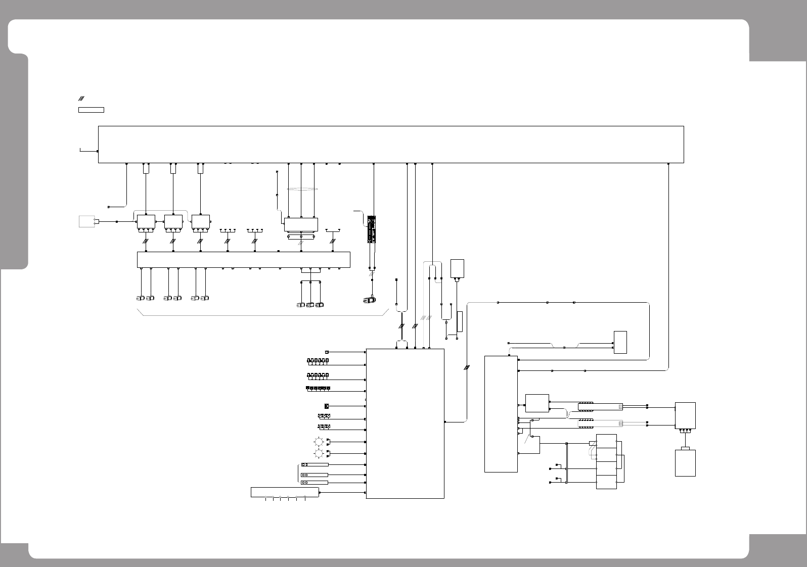
Page
+$1:+$
181
DECAN
L2
Harness Wiring Diagram (4/8)
CN2
R-FEEDER I/F
BOARD
CN5
CN6
SM_FD003
SM_FD004
CN3
REAR FEEDER BASE RIGHT B/D
FLAT CABLE
AP5 AXIS IO BOARD #3
[AXIO#3]
CN2
PWR
CN3
CAN
[RFD]
CN1
CN11 CN21
Z12 AMP
R.SW
CN12
CN5
CN6
CN3 CN1
CN10
CN4 CN2
CN13
CN14
CN5
CN6
CN3 CN1 CN4 CN2
CN15 CN16
CN5
CN6
CN3 CN1 CN4 CN2
CN17 CN18 CN19 CN20 CN22 CN23
CN26
CN10 CN10
SM411P REAR MOTOR IF B/D
[RMOT]
Z34 AMP Z56 AMP
CN24 CN25
PW471_PW017
[HD2]
CAN
JK1 JK2 JK3 JK4 JK5 JK6
JK7 JK8 JK9 JK10 JK11 JK12
SM_FD005
CN11
FEEDER INPUT
EXT.BOARD
[FD_EXT]
SM_FD006
CN2
JJ1 JJ2 JJ3 JJ4 JJ5 JJ6
SM_FD007
JJ7 JJ8 JJ9 JJ10 JJ11 JJ12
SM_FD025
SM_FD024
CAN
PWR
REAR FEEDER BASE LEFT B/D
FD-CN7
FD-CN7
R.FD-CN13-EX
FD-CN7
PCIE X1
DECAN HEAD IF B/D
CN7 CN9
CN19CN18
Z1~Z6 HOME
CN1
PWR
SACO-CN26
PCIE ADAPTER #3
CAN
PWR
CAN
PWR
CN11 CN12 CN13 CN14 CN15 CN23 CN21 CN22
CN19 CN20CN18CN17CN16
CN1 CN6 CN2 CN7 CN3 CN8 CN4 CN9 CN5 CN10 CN24
HD-PW
SM511_SC123
CAN
R1~R3, SW HOME
Z1~Z8 HOME
Z9~Z10, R1~R5, SW HOME
PC RACK
PS2
SM511_IT005
+24V 24G
CH1
CH2
CH3
CH4
(50W)
SW-ENRSW-PWR
Z1 Z2 Z3 Z4 Z5 Z6
DECAN_MD039
REAR
PWR
SM511_PW124-1
PWR
SM511_PW124
SM511_PW031
SACO-CN29
SM471_VM009-1
SM471_VM009-2
SM511_VM009-3
IT MASTER
SM511_MD015
SM511_MD016
SM511_SC007-3
SM511_VM007
DECAN_MD019
DECAN_MD020
DECAN_MD021
DECAN_MD022
DECAN_MD023
DECAN_MD024
RZ-DRV-PWR
PS4
+24V
24G
CN5
CN4
SM511_VI006
H1~H6(VAC,BLOW H7~H8(VAC.BLOW)
H1H6-VAC
H7H10-VAC
R-HD-SOL
R-HD-SOL
HD-SOL-EXT
AXIO#1-CN5
AXIO#1-CN6
SM511_CS035
CN5
F-HD-SOL
SM511_VI104 SM511_VI104 -2
SM511_IT004
SM511_IT004
CAN_CH3_L
CAN_CH4_R
BD_PW
BD_PW
CAN
PWR
CN7
CN8
FD-CN7-EX
CN13
SM411N_FD001
8
7
RY5
8
7
RY6
5
RY9
5
RY10
5
3
5
5
SM471_FD008
CN3
J3R-2 J8L-2
SM511_CA101-3 SM511_CA201 SM511_CA102-4
CAN
CN4
SM511_CV101
[SC]
CV-CN4
CN20
CN22
CN7
[AX]
CN8
SM511_CA105-1
CAN
SM511_CA105
SM511_CA202
R-HD-CAN
J9L-2
J9L
J4R-2
J4R
CN2
(DC BRK)
(DC BRK)
J3R
J8L
CAN
DECAN_SC111-2
R-R-DRV-PW
SM511_SC121
SC-CN11
PWR
SM511_FL002-14
SM511_FL001-6.7
SM511_FL001-8.9
SM511_FL001-10.11
SM511_FL002-6.7
SM511_FL002-9.10
SM511_FL002-12
SM511_FL002-10.11
SM511_FL001-15
SM511_FL002-15
SM511_FL001-14
SM511_FL002-13
SM511_PW148
RELAY-BK1-3
SM511_FD013
R-FB-L
5559-4
SM511_PW148
R-FB-R
5559-4
SM511_PW148
RELAY-BK1-2
RELAY-BK1-1
24G-EX-3
24G-EX-4
SM511_FD010
SM511_FD011
CV-RFD-PWR
SM511_CV101 -1
SINGLE CONV 일때 삭제
R12 R34 R56
SM471_MD038
SM471_MD039
SM471_MD040
DECAN_MD011
Rear R DRIVER
DECAN_VM011
PW
SM511_FL001-12.13
DECAN_MD012
R12
R34
R56
R12(CMD)
R34(CMD)
R56(CMD)
VAC.
VAC.VAC.
VAC.
H1 H2
H3 H4
SM321 VACUUM SENSOR B'D(H1~H6)
H5
VAC. VAC.
CN1
[VAC]
H6
CN16
H1~6 VAC SOL
CN15
H1~6 BLOW SOL
CN14
CN12
Z1~6 HOME
CN11
CN9
SW HOME
CN13
OVER BLOW
CN10
R1~3 HOME
CN8
조명
FIDUCIAL조명 #1
CN17
FIDUCIAL조명 #2
OUTER/INNER
조명
OUTER/INNER
CN6
CN7
CN20
DECAN_HD006
DECAN_HD011
DECAN_HD012
DECAN_HD008
DECAN_HD014
DECAN_HD009
DECAN_HD013
DECAN_FID1_LED
DECAN_FID2_LED
DECAN_FLY SIDE_LED
SIDE
조명
DECAN_FLY OUTER_LED
OUTER
DECAN_FLY COAX_LED
COAXIAL
CN21
R1~3 AUX HOME
DECAN_HD005

Page
+$1:+$
182
DECAN
L2
Harness Wiring Diagram (5/8)
CN5
CN3
CN2
CN11
BOARD
SM411P AXIS SENSOR
F FEEDER UNLOCK
RY1 ML
SM511_AX103
SM511_AX104
SM511_CS134
CN8
CN12
CN5
CN4
SM511_CS135
CN6
CN7
[AX]
CN7
CN9 CN10
CN9
CN13
SM511_CS041
CN6
RY1 HM
RY1 PL
FY1 HM
FY1 ML
FY1 PL
SM511_CS134-1
R FEEDER UNLOCK
SM33_CS034-2
CN4
SM471_VI006
FLAT HD1-SOL2
(HD1-CN6-EXT)
FLAT HD2-SOL2
(HD2-CN6-EXT)
SM511_CS136
SM511_FL002-4
SM511_CV131
CRASH SENSOR
SM33_CV030
SM511_FL002-4
SM471_AX002
SM511_VI104
SM511_AX103-1
J3R-3
J3R-4
J8L-3
J8L-4
J5R-1 J10L-1
SM511_VI104-1
SM511_VI104-2
#1F-FL-11
AXIO#2-CN5
SM471_VI006
#2F-FL-11
HD-CN5
HD-CN4
AXIO#3-CN5
SM471_VI006
HD-CN5
HD-CN4
HD-SOL-EXT
F-HD-SOL
R-HD-SOL
F-HD-SOL
H7H10-VAC
R-HD-SOL
H7H10-VAC
H1H6-VAC
H1H6-VAC
#1R-FL-11
#2R-FL-11
SM33_CS034-1
SM511_CS035
SM511_CS050
SM511-CS051
Y11.Y12,Y21.Y22.X1.X2 HOM SNS
W STP UP/DN
W BUT
F-X-SEN
CRASH-SEN
R-X-SEN X_SEN
SM471_AX002
X_SEN
X2 MOTOR SENSOR
HOME
ML
X1 MOTOR SENSOR
HOME
ML
FY-AX-EXT
J5R J10L
J3R
SM511_CA201
J8L
SM511_CS142
SM511_CV201
SM511_CS142-1
[CV]
CN14 CN19
CON1
CON1
SENSOR,SOL DATUM
CN1
PWR
SACO-CN23
SM511_AX001
FLAT CABLE
CN15
CN17
CN18
CN19
F SHUTTLE STOPPER SOL
F WORK STOPPER SOL
F BUT SOL
F EDGE PUSHER SOL
CN15
CN17
CN18
CN19
R SHUTTLE STOPPER SOL
R WORK STOPPER SOL
R BUT SOL
R EDGE PUSHER SOL
CN4
CN5
PCB WORK 1-1
SM511_CS001
PCB WORK 2-1
CN4
CN5
PCB WORK 1-2
SM511_CS001
PCB WORK 2-2
F BUT UP
F-BUT
SM33_CS007
R BUT UP
R-BUT
SM33_CS007
CN9 CN9
WIDTH WORK 2 HOME
WW2H
SM511_CS009
CN8
WIDTH WORK 1 HOME
WW1H
SM511_CS009
CN8
SM511_CS006
F WORK STOPPER UP
F WORK STOPPER DOWN
F-STP-UP
F-STP-DN
SM511_CS039
[L] [R]
(DC BRK)
(DC BRK)
SM511-CS051-1
AX-CN4-EXT
[AXIO#1]
JST 30
L/R CN11
L/R CN12
CN10CN10
DECAN_CS143-1
FRONT DUMP BOX CHECK SWITCH
DECAN_CS144-1
REAR DUMP BOX CHECK SWITCH
F_DM_BOX R_DM_BOX
SENSOR
F CONVEYOR
IF BOARD
SENSOR
R CONVEYOR
IF BOARD
R WORK STOPPER UP
R WORK STOPPER DOWN
R-STP-UP
R-STP-DN
L/R CN13
L/R CN14
SM511_CS039 SM511_CS006
SM511_CS111-4 SM511_CS111-4
SINGLE CONV 일때 삭제
E3S-LS3N
E3S-LS3N
E3S-LS3N
E3S-LS3N