TR6DNR_TR6DNV_TR6DNX-Rev04PDFA.pdf - 第31页
- 28 - REF .NO NOT E PAR T NO D E S C R I P T I O N 品 名 Qty 1 400-73 830 TAG IN SERT(T) KI T タグインサー ト(T)キッ ト 30 2 SM-403 1001-SC SCREW M3X0.5 L =10 なべ小ねじ M 3 X 0. 5 L =10 30 3 WP-0320 500-SC WASHER M3 平座金小型丸 M 3 30 4 WS-…

- 27 -
14. OPTION COMPONENTS (SCS)
オプション関係(SCS)
10
11
9
8
6
7
14
15
23
13
12
8
7
9
21
22
24
6
14
15
23
16
20
19
16
17
16
18
1
2
4
3
5

- 28 -
REF.NO NOTE PART NO D E S C R I P T I O N
品 名
Qty
1 400-73830 TAG INSERT(T) KIT
タグインサート(T)キット
30
2 SM-4031001-SC SCREW M3X0.5 L=10
なべ小ねじ M 3 X 0.5 L =10
30
3 WP-0320500-SC WASHER M3
平座金小型丸 M 3
30
4 WS-0310002-KN SPRING WASHER M3
ばね座金 3.1 X 5.9 X 0.7
30
5 NM-6030001-SC NUT M3X0.5 TYPE1
六角ナット M 3 X 0.5 1種
30
6 400-73807 TR6D_ANTENNA_BR_1
TR 6 D _アンテナ_ BR _1
2
7 SL-6030692-TN SCREW M3 L=6
座金付き六角穴ボルト M 3 L =6
4
8 400-73808 TR6D_ANTENNA_BR_2
TR 6 D _アンテナ_ BR _2
2
9 SL-6030692-TN SCREW M3 L=6
座金付き六角穴ボルト M 3 L =6
4
10 400-73809 TR6D_ANTENNA_BR_3_UPPER
TR 6 D _アンテナ_ BR _3_ UPP
1
11 SL-6030692-TN SCREW M3 L=6
座金付き六角穴ボルト M 3 L =6
2
12 400-73810 TR6D_ANTENNA_BR_3_LOWER
TR 6 D _アンテナ_ BR _3_ LOW
1
13 SL-6030692-TN SCREW M3 L=6
座金付き六角穴ボルト M 3 L =6
2
14 400-73667 ANTENNA ARRAY 14MM PITCH / 15 POSITION
アンテナアレイ14 MM ピッチ/15ポジション
2
15 SM-4030801-SC SCREW M3X0.5 L=8
なべ小ねじ M 3 X 0.5 L =8
12
16 HX-0034400-00 HARNESS PARTS
束線パーツ
3
17 SL-4030891-SC SCREW M3X8
なべ小ねじセムス M 3 L =8
1
18 SL-4040891-SC SCREW M4 L=8
座金付きなべ小ねじ M 4 L =8
1
19 SM-4040801-SC SCREW M4X0.7 L=8
なべ小ねじ M 4 X 0.7 L =8
1
20 NM-6040001-SC NUT M4X0.7 TYPE1
六角ナット M 4 X 0.7 1種
1
21 EA-9500B01-00 CABLE BAND
束線バンド
25
22 HX-0006500-0A CABLE CLIP
束線バンド
5
23 400-81313 SHIELD BRACKET 6D
シールドブラケット 6 D
2
24 400-83190 IS SCN PCB ASM
IS 用 SCN 基板組
1

- 29 -
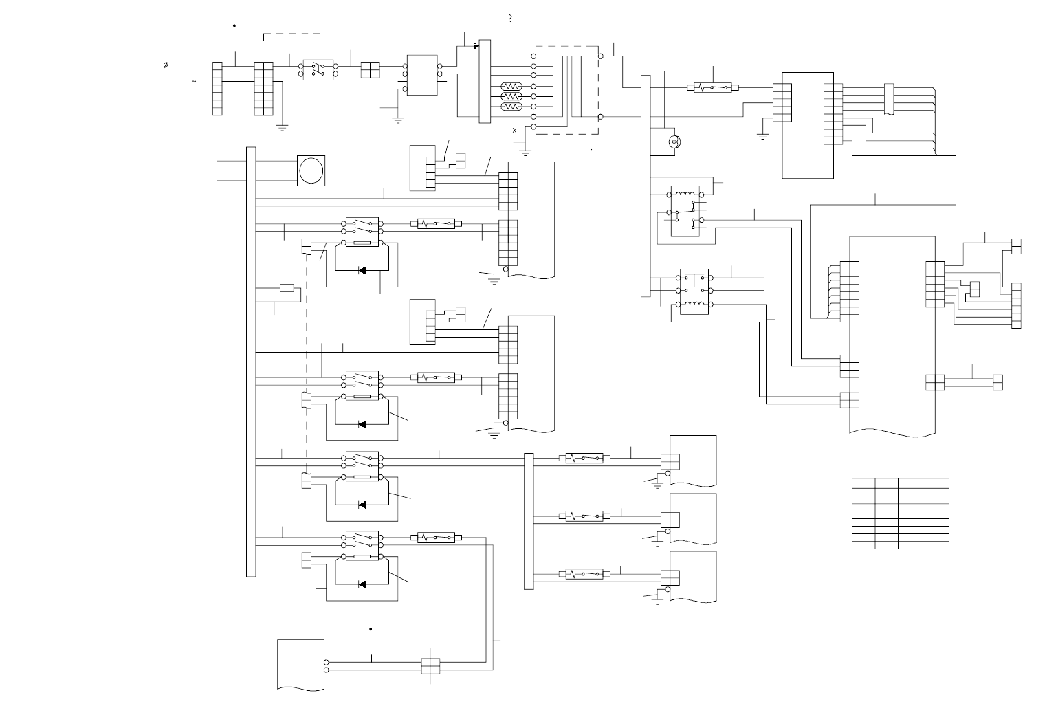
15. WIRING DIAGRAM (1)
WIRING DIAGRAM(1)
13_2D
(CE)
13_2C
(CE)
+24VRTN
+24VRTN
+24V
+24V
+5V
+5V
GND
GND
3
1
4
2
MAIN19
2
1
CN059-A
2
1
CN066
1_5B
2
1
CN065
1_5B
2
1
5
4
3
2
1
6
CN67-B
CN067-A
CN066
CN065
1_2A
1_2B
5
4
3
2
1
6
2
1
2
1
+24VD
+24VD
G3
G4
C
P
G3
G4
+24VRTN
+24VRTN
+24V
+24V
+5V
+5V
GND
GND
3_4A
+
+
-
-
TB2(1/2)
1_5B
D4
D2
10
ZSP1
ZSP2
2_4A
CNP2
5
4
3
2
1
5
4
3
2
1
L21
L11
D
C
P
CNP1
6
5
4
3
2
1
P2
P1
N
L3
6
5
4
3
2
1
N
L
N
4
3
RLY4
6
2
8
4
L
ZS DRIVER(1/2)
FG
L2
L1
10ACP3
N
L
SRG ABS.
C
P
CN059-B
1_5C
10
N
2
1
RLY6
6
2
8
4
L
3ACP7
SDRV1
2
1
N
L
5ACP6
YDRV1
2
1
N
L
5ACP5
D3
10
N
6
5
RLY5
6
2
8
4
L
D1
10
XDRV1
ZMP1
ZMP2
PSU2PSU1
MAIN20
MAIN15
MAIN07
CN001
CN002
3_5A
3_2C
3_2B
3_2A
2_2A
2_1A
CN002
BR
2
1
2
1
S.C.P(1/2)
AC_N
AC_L
CNP2
5
4
3
2
1
5
4
3
2
1
L21
L11
D
C
P
CNP1
6
5
4
3
2
1
P2
P1
N
L3
6
5
4
3
2
1
FG
2
1
CN1
AC
AC
2
1
CN1
FG
AC
AC
2
1
2
1
N.C33
5
1
6
7
2
3
8
4
5
1
6
7
2
3
8
4
5
4
3
2
1
1_1D
RLY6_ON[N]
+24VD
CN19
RLY5_O N[N]
RLY4_O N[N]
RLY3_O N[N]
+24VD
CN14
1_1B
2
1
6
RLY1_ON[N]
+24VD
+24VRTN
AC_PWR_IN[N]
CN20
CN15
2
1
1
2
CN07
MAIN PCB(1/10)
N
L
TB4
1
2
4
8
3
7
6
5
3A
CP1
1_1A
1_1A
AC-N
AC-L
1
8
4
0
6
2
RLY1
2
1
N
L
78
6
5
4
3
2
1
2
1
RLY2
N
L
N
L
PSU
CN2
+24VRTN
+24VRTN
+24V
+24V
+5V
+5V
GND
GND
1
2
4
8
3
7
6
5
FG
N
L
CN1
4
5
3
2
1
4
5
3
2
1
N
L
TB1
J009P009J05
0
100
TF
E
0
200
220
240
380
415
400
6
5
4
TB0
0
200
220
240
380
400
415
NC
NF
E
3
2
1
1
2
1
2
NFB1
7
1
2
3
4
5
6
7
1
2
3
4
5
6
7
1
2
3
4
5
6
R
E
S
T
3
AC200V
415V
CN1
5ACP4
N
L
S DRIVER(1/2)
Y DRIVER(1/2)
X DRIVER(1/2)
FG
AC
ACL
N
MAIN14
2
1
RLY3
6
2
8
4
TB3
FAN MOTOR
L
N
FAN1
ZM DRIVER(1/2)
L
FG
L2
L1
10ACP2
1-4B AC-N
1-4B AC-L
Inside of TR6D
13_3C
(CE)
13_3D
(CE)
5
1
6
2
7
3
8
4
TABLE1
8
7
6
5
4
3
2
1
MAIN07
PSU2
SUENN LIANG
POTTER&BRUMFIELD
W28XQ1A-3
POTTER&BRUMFIELD
W28XQ1A-5
POTTER&BRUMFIELD
W28XQ1A-5
POTTER&BRUMFIELD
W28XQ1A-5
POTTER&BRUMFIELD
W28XQ1A-10
MITSUBISHI
MR-RB032
POTTER&BRUMFIELD
W28XQ1A-10
OMRON
G7L-2A-B
DC24V
MITSUBISHI
MR-J3-40A1
MITSUBISHI
MR-RB032
OMRON
G7L-2A-B
DC24V
SANYO
FS1W075P
SANYO
FS1W075P
OMRON
G7L-2A-B
DC24V
ISHIZUKA
ORIENTAL
MOTOR
MSS425-401W2J
POTTER&BRUMFIELD
W28XQ1A-3
OMRON
LY1-AC100V
OMRON
G7L-2A-B
DC24V
COSEL
LEB100F-0524-S
POWER LAMP
FUJI ELE
DR22DOL-H3G
AC110
SP-TBSM-1I-1
6KVA
4W-25(
3)
OKAYA
3SUP-HU10-ER-6
MITSUBISHI
NF30-SW-CE/2P/15A
SANYO
FS1W075P
OMRON
G7L-2A-B
DC24V
MITSUBISHI
MR-J3-40A1
SANYO
109S085
1 57
2
3
4
5
6
7
13
14
15
16
17
18
19
20
21
22
23
24
25
26
27
28
29
30
31
32
33
34
35
36
37
38
39
58
40
41
42
43
44
45
46
47
48
49
50
51
52
53
54
55
56
SIGNAL