TR6DNR_TR6DNV_TR6DNX-Rev04PDFA.pdf - 第36页
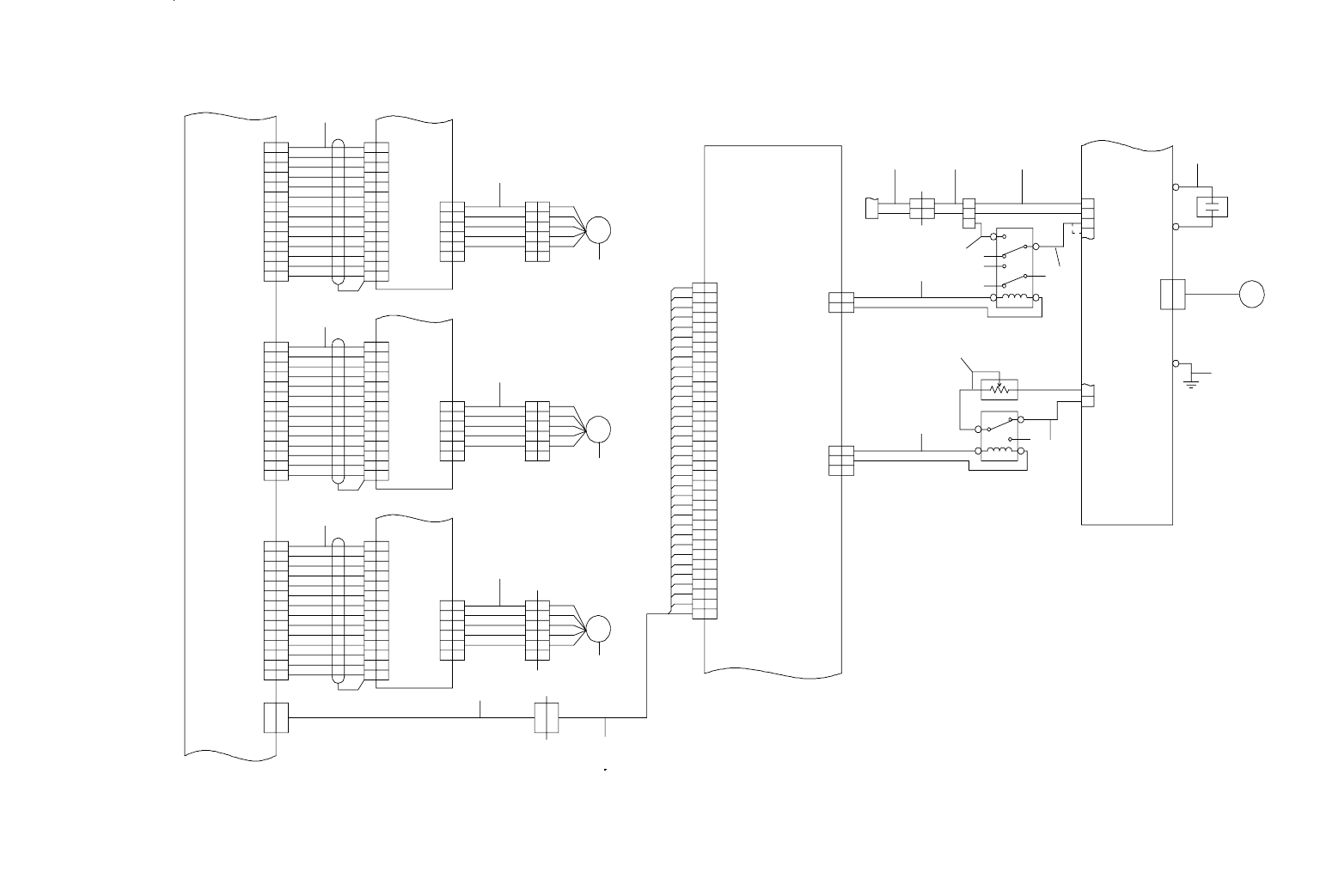
- 33 - 17. WIRING DIAGRAM (3) WIRI NG DIA GRAM(3 ) BR CN 005 N.C 3 3 CN 007 CN0 07 BR 2 1 2 1 CN 006 C N006 BR 34P 34P SH D SHD SH D C N005 BL U YLW OR G RE D BL K 6 5 4 3 2 1 6 5 4 3 2 1 SD RV2 BLU YLW ORG RED BLK 6 5 4…

- 32 -
REF.NO NOTE PART NO D E S C R I P T I O N
品 名
Qty
1 400-45047 ZM DRIVER CABLE ASM.
ZM ドライブケーブル組
1
2 400-45048 ZM ENCODER CABLE ASM.
ZM エンコーダケーブル組
1
3 400-45049 ZM MOTOR CABLE ASM.
ZM モータケーブル組
1
4 400-45050 ZM BRAKE CABLE ASM.
ZM ブレ−カケーブル組
1
5 400-45051 ZS DRIVER CABLE ASM.
ZS ドライブケーブル組
1
6 400-45052 ZS ENCODER CABLE ASM.
ZS エンコーダケーブル組
1
7 400-45053 ZS MOTOR CABLE ASM.
ZS モータケーブル組
1
8 400-45054 ZS BRAKE CABLE ASM.
ZS ブレーカケーブル組
1

- 33 -
17. WIRING DIAGRAM (3)
WIRING DIAGRAM(3)
BR
CN005
N.C 33
CN007CN007
BR
2
1
2
1
CN006 CN006
BR
34P
34P
SHD
SHD
SHD
CN005
BLU
YLW
ORG
RED
BLK
6
5
4
3
2
1
6
5
4
3
2
1
SDRV2
BLU
YLW
ORG
RED
BLK
6
5
4
3
2
1
6
5
4
3
2
1
FG
BLU
YLW
ORG
RED
BLK
S_MOTOR
M
CN004
BLU
YLW
ORG
RED
BLK
6
5
4
3
2
1
6
5
4
3
2
1
YDRV2
BLU
YLW
ORG
RED
BLK
6
5
4
3
2
1
6
5
4
3
2
1
FG
BLU
YLW
ORG
RED
BLK
Y_MOTOR
M
CN003
BLU
YLW
ORG
RED
BLK
6
5
4
3
2
1
6
5
4
3
2
1
1_5A
SCP1
CNV03
CNV02
CN03
CN02
CNV01CN01
CN2
MAIN02
34P
MAIN11 S D R V 3
YDRV3MAIN21
XDRV2
XDRV3MAIN16
11_3A
4_2A
1_1D
1_3D
1_3C
1_3C
2_4D
CONDENSER
10P
CN1
10P
SPD_MAX[N]
+24V
2
1
CONV_EXAM_SV[N]
+24V
2
1
TB5
-
-
+
TB2(2/2)
-
+
CCW
CW
24V_IN-
24V_IN+
5
6
87
2
4
1
3
RLY7
2
1
CONVEYOR PCB(1/2)
+24V
+24V
+24VRTN
+24VRTN
+24VRTN
+24V
SPD_MAX[N]
CNV_MTR_ON[N]
FOOT_SW[N]
CNV_EXAM_LD[N]
CNV_EXAM_SW[N]
CNV_EXAM_STOP[N]
CNV_SW[N]
CONVEYOR_LD[N]
EMG_OUT3
EMG_OUT4
EMG_IN4
EMG_IN3(+5V)
BOARD_AVAILABLE3
CNV_R[N]
CNV_L[N]
BOARD_AVAILABLE3[N]
READY_IN[N]
READY_IN
BOARD_AVAILABLE1[N]
BOARD_AVAILABLE1
READY_OUT[N]
READY_OUT
+5V
+5V
+5V
GND
GND
GND
34
33
32
31
30
29
28
27
26
25
24
23
22
21
20
19
18
17
16
15
14
13
12
11
10
9
8
7
6
5
4
3
2
1
34
33
32
31
30
29
28
27
26
25
24
23
22
21
20
19
18
17
16
15
14
13
12
11
10
9
8
7
6
5
4
3
2
1
CN02
34P
BLU
YLW
ORG
RED
BLK
6
5
4
3
2
1
6
5
4
3
2
1
S.C.P(2/2)
S DRIVER(2/2)
Y DRIVER(2/2)
X DRIVER(2/2)
MAIN PCB(4/10)
CN11
N.C
N.C
N.C
GND
S_ALM[N]
N.C
GND
N.C
S_PD[N]
+5V
S_CCW[N]
+5V
S_CW[N]
+5V
CN3CN21
N.C
N.C
N.C
GND
Y_ALM[N]
N.C
GND
N.C
Y_PD[N]
+5V
Y_CCW[N]
+5V
Y_CW[N]
+5V
CN2
CN2
CN3
CN3
CN3
1
4
3
8(VR2)
5
3
2
7(VR1)
1
2
RLY8
2
1
FG
C(-)
C(+)
C MOTOR
M
FG
CN16
N.C
N.C
N.C
GND
X_ALM[N]
N.C
GND
N.C
X_PD[N]
+5V
X_CCW[N]
+5V
X_CW[N]
+5V
BLU
YLW
ORG
RED
BLK
X_MOTOR
M
14
13
12
11
10
9
8
7
6
5
4
3
2
1
14
13
12
11
10
9
8
7
6
5
4
3
2
1
14
13
12
11
10
9
8
7
6
5
4
3
2
1
14
13
12
11
10
9
8
7
6
5
4
3
2
1
14
13
12
11
10
9
8
7
6
5
4
3
2
1
14
13
12
11
10
9
8
7
6
5
4
3
2
1
14
13
12
11
10
9
8
7
6
5
4
3
2
1
14
13
12
11
10
9
8
7
6
5
4
3
2
1
14
13
12
11
10
9
8
7
6
5
4
3
2
1
14
13
12
11
10
9
8
7
6
5
4
3
2
1
14
13
12
11
10
9
8
7
6
5
4
3
2
1
14
13
12
11
10
9
8
7
6
5
4
3
2
1
SANYO
103H7522-7051
SANYO
103H7523-7051
G2R-1-S DC24V
OMRON
LY2 DC24V
OMRON
USM425-401W
ORIENTAL MOTOR
CH80CFAUL
ORIENTAL MOTOR
SANYO
103H7523-7051
147
10
258
369
11
23
12
17 19
13
14
16
15
18
20
21
22

- 34 -
NOTE( 注記 ) #01....FOR TR6DXLX TR 6 DXLX 用
REF.NO NOTE PART NO D E S C R I P T I O N
品 名
Qty
1 400-45055 X DRIVER CABLE ASM.
X ドライバケーブル組
1
2 400-45056 X MOTOR CABLE ASM.
X モータケーブル組
1
3 400-45057 X MOTOR ASM.
X モータ組
1
4 400-45058 Y DRIVER CABLE ASM.
Y ドライバケーブル組
1
5 400-45059 Y MOTOR CABLE ASM.
Y モータケーブル組
1
6 400-45060 Y MOTOR ASM.
Y モータ組
1
7 400-45061 S DRIVER CABLE ASM.
S ドライバケーブル組
1
8 400-45062 S MOTOR CABLE ASM.
S モータケーブル組
1
9 400-45063 X DRIVER POWER CABLE ASM.
X ドライバーパワーケーブル組
1
10 400-45064 CONVEYOR CABLE 1 ASM.
コンベアケーブル1組
1
11 400-45065 CONVEYOR CABLE 2 ASM.
コンベアケーブル2組
1
12 400-45066 S.C.P. SIGNAL POWER CABLE 1 ASM
S.C.P.シグナルパワーケーブル1組
1
13 400-45067 S.C.P. SIGNAL POWER CABLE 2 ASM
S.C.P.シグナルパワーケーブル2組
1
14 400-45068 S.C.P. SIGNAL POWER CABLE 3 ASM
S.C.P.シグナルパワーケーブル3組
1
15 400-45069 RELAY7 OUTPUT CABLE ASM.
リレー7出力ケーブル組
1
16 400-45070 RELAY7 INPUT CABLE ASM.
リレー7入力ケーブル組
1
17 400-45071 RELAY7 DRIVE CABLE ASM.
リレー7ドライブケーブル組
1
18 400-56590 S.C.P. ATTACHED CABLE ASM
S.C.P. アタッチケーブル組
1
19 400-45074 RELAY8 DRIVE CABLE ASM.
リレー8ドライブケーブル組
1
20 400-45073 RELAY8 INPUT CABLE ASM.
リレー8入力ケーブル組
1
21 400-56590 S.C.P. ATTACHED CABLE ASM
S.C.P. アタッチケーブル組
1
22 400-45076 S.C.P. FG CABLE ASM.
S.C.P. FG ケーブル組
1
23
#01
400-94581 CONVEYOR CABLE 2 ASM(XL)
コンベアケーブル2組(XL)
1