KE-3010A_KE-3020VA_KE-3020VRA-Rev14.pdf - 第177页
- - REF.NO NOTE PARTNO DESCRIPTION Qty 1 401-46386 NFB-LFCABLEASM 1 2 401-33966 MAINSWINPUTCABLEASM 1 3 401-48269 ACINPUTUNITFGCABLEASM 1 4 401-29262 ACINPUTSURGEPROTECTORASM 1 5 400-924…

- -
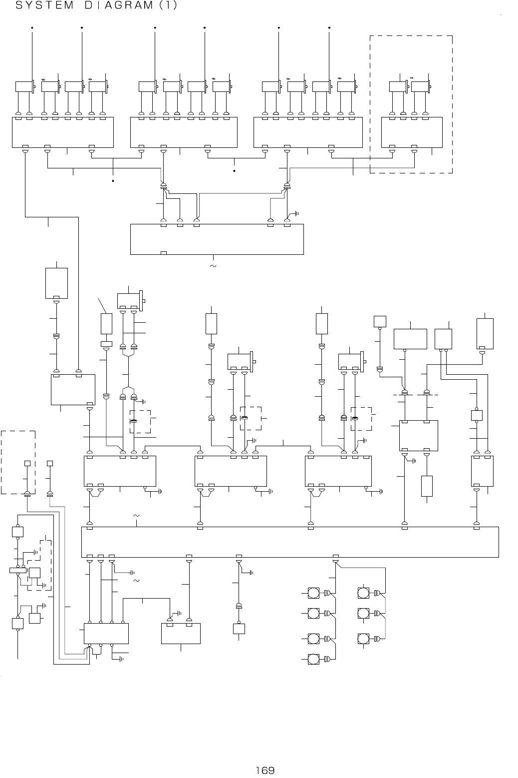
85.SYSTEMDIAGRAM(1)
3 4
4 0
3 8
7 7
7 87 8
7 8 8 3
7 9 7 9 7 97 97 97 9
7 8 8 3
7 7 8 2
7 6
7 6
7 6
7 6
7 7 8 23 8
8 0
1 8 2 1
3 8
3 9
3 6
3 5
3 7
4 0
3 9
4 9
5 3
5 1
5 2
5 0
3 7
5 4
5 7
3 7
5 9
5 8
5 6
3 9
5 3
4 0
6 5
6 6
6 7
6 8 7 4
7 5
6 0
6 4
6 3
7 2
7 1
7 3
6 9
7 0
6 2
6 1
5 54 6
2 9
3 0
3 0
3 0
3 0
3 0
3 0
3 0
2 8
2 6
2 7
2 5
4 1
4 2
4 3
4 4
3 2
3 3
8 1
3 1
4 7
4 54 5
4 7
2 4
2 3
2 2
1 8 2 1
1 7
1 3 1 5
1 6
1 2
1 1
1 0
9
8
7
6
8 4
4
3
2
1
F A NF A NF A NF A N
F A NF A NF A N
I N P U T
N F B
S U R G E
P R O T E C T O R
T F 1
L F 1
B L O C K C A P A C I T O R
5
E N O N L Y
M A I N S W 1 / 2
1 - 3 D
C N 0 6
C N 0 6
C N 0 7
C N 0 7
M T S P W R ( L )
M T C P W R ( R )
2 0 0 V
2 0 0 V
3 4 V
1 0 0 V
E T F P O W E R U N I T
1 / 2
C N 0 4
G N D
3 - 3 B
P O W E R U N I T
1 / 5
C N 0 1
C N 0 3
C N 1 1
C N 0 4
G N D
C N 1 2
C N 2 0 0 3
V A C U U M P U M P
C O P L A - P S
1 - 4 B
P W R 2 9
[ C T R L U N I T ]
[ B A S E R S I D E ]
[ P O W E R U N I T ]
[ B A S E L S I D E ]
C N 0 6 3
C N 1 3
X S E R V O A M P
M R - J 4 - 7 0 B - K M 0 1 2
1 / 2
C N P 1
2 C H N E T
C N 1 A
C N P 2
C N 2
C N 1 B
C N P 3
4 - 1 D
E
Y L S E R V O A M P
M R - J 4 - 2 0 0 B - K M 0 1 2
1 / 2
C N P 2
C N P 1
C N 1 A
C N 2
C N P 3
C N 1 B
4 - 5 A
E
Y R S E R V O A M P
M R - J 4 - 2 0 0 B - K M 0 1 2
1 / 2
C N P 1
C N 1 A
C N P 2
C N 2
C N P 3
C N 1 B
E
P O S I T I O N B O A R D
1 C H D I
2 C H N E T
1 C H N E T
C N 1 6 5
C N 1 5 1
E N C X
3 T u r n
E N O N L Y
E N C Y L
M O T O R Y L C N 2
S C A L E Y L C N 2 L
S E N S Y L
Y M O T O R
Y L 1 5 0 0 W
S E N S Y L
E N O N L Y
3 T u r n
E N C Y R
S E N S Y R
S C A L E Y R C N 2 L
M O T O R Y R C N 2
Y M O T O R
Y R 1 5 0 0 W
Y R M T R
3 T u r n
E N O N L Y
P S - O N
A T X 1 3
C N 3
B A T T E R Y
C N 3
C P
I N L E T
M A I N
A T X - P O W E R
1 / 2
B A T T
1 2 V
4 - 5 C
C N 2
C N 1
C O P L A - P O W E R
S C A L E H E A D Y
M A I N S W 2 / 2
C P C I
B A C K
B O A R D
X Y 1 1
C P C I B A C K
B O A R D ( C O P L A )
4 - 5 A
C O P L A M O N I T O R
S W I T C H B O A R D
1 / 2
4 - 5 A
C N 4
1 - 2 A
2 - 5 B
C N 1 1
S - X Y R E L A Y P C B
1 / 3
S E N S X
X E N C
X M T R
S C A L E H E A D X
S E R V O M O T O R
7 5 0 W
S C A L E H E A D Y
P O W E R U N I T 2 / 5
1 - 2 D
C N 2 1
C N 1 3
C N 3 7
C N 1 4
C N 1 5
C N 3 8
2 - 3 B
Z T P W R 2
2 - 2 B
C N P 2 C
C N 2 C
C N P 2 D
C N 2 D
C N 1 A
C N P 1
4 A X I S S E R V O A M P ( 4 )
1 / 2
2 - 2 B
C N 1 B
C N 1 A
C N P 1
C N P 2 A
C N 2 B
C N P 2 B
C N 2 A
C N P 2 C
C N 2 D
C N P 2 D
C N 2 C
2 - 2 A
C N 1 B
C N 1 A
C N P 1
C N P 2 A
C N 2 B
C N P 2 B
C N 2 A
C N P 2 C
Z T P W R 1
Z 2 M O T O R
H C - B P 0 3 3 6 L W 4 - S 1 0
2 M O T O R
H C - B P 0 1 3 6 D - S 8
4 A X I S S E R V O A M P ( 3 )
1 / 2
4 A X I S S E R V O A M P ( 2 )
1 / 2
4 A X I S S E R V O A M P ( 1 )
1 / 2
Z 1 M O T O R
H C - B P 0 3 3 6 L W 4 - S 1 0
1 M O T O R
H C - B P 0 1 3 6 D - S 8
O N L Y 3 0 2 0 V 3 0 2 0 V R
7 M O T O R
H C - B P 0 3 3 6 L W 4 - S 1 0
Z 7 M O T O R
H C - B P 0 3 3 6 L W
4 - S 1 0
6 M O T O R
H C - B P 0 1 3 6 D - S 8
Z 6 M O T O R
H C - B P 0 3 3 6 L W 4 - S 1 0
5 M O T O R
H C - B P 0 1 3 6 D - S 8
Z 5 M O T O R
H C - B P 0 3 3 6 L W 4 - S 1 0
Z 3 M O T O R
H C - B P 0 3 3 6 L W 4 - S 1 0
Z 4 M O T O R
H C - B P 0 3 3 6 L W 4 - S 1 0
3 M O T O R
H C - B P 0 1 3 6 D - S 8
4 M O T O R
H C - B P 0 1 3 6 D - S 8
C N 2 D
C N P 2 D
C N 2 C
C N P 2 C
C N P 2 B
C N 2 B
C N 2 A
C N P 2 A
2 - 2 B
C N 1 A
C N P 1
C N 1 B
7 8 8 3 7 8 8 3 7 8 8 3 7 8 8 3
O N L Y 3 0 1 0 A / 2 0 V A / 2 0 V R A

- -
REF.NO NOTE PARTNO DESCRIPTION Qty
1 401-46386 NFB-LFCABLEASM 1
2 401-33966 MAINSWINPUTCABLEASM 1
3 401-48269 ACINPUTUNITFGCABLEASM 1
4 401-29262 ACINPUTSURGEPROTECTORASM 1
5 400-92401 ACINPUTNO.26CABLEASM 1
6 401-46437 MTC/MTSPWRCONNECTORASM 1
7 401-46387 MAINSW-TFCABLEASM 1
8 401-46436 MTC/MTSPWRCABLEASM 1
9 401-35052 TRANSFORMER 1
10 401-33971 TFINPUTCABLE(DELTA)ASM 1
11 401-09925 TFFGCABLEASM 1
12 401-09926 TF200VOUTPUTCABLEASM 1
13 401-09927 TF34VOUTPUTCABLEASM 1
14
#01
401-13637 SAFETYU34VINCABLEASM(EN) 1
15
#01
401-13638 SAFETYU34VOUTCABLEASM(EN) 1
16 401-09928 TF100VAOUTPUTCABLEASM 1
17 401-09929 TF200VBOUTPUTCABLEASM 1
18
#06
401-49489 POWERSUPPLYUNIT10ASM 1
19
#03
401-49490 POWERSUPPLYUNIT10(EN)ASM 1
20
#04
401-49556 POWERSUPPLYUNIT20ASM 1
21
#05
401-49559 POWERSUPPLYUNIT20(EN)ASM 1
22 401-09930 XPWRCABLEASM 1
23 401-29652 XAXISDRIVER 1
24 401-09933 XDRVFGCABLEASM 1
25 401-14533 ETF_POWER_ASM 1
26 401-13635 GNDCOMMONCABLEASM 1
27 401-29244 VACUUMPUMPASM 1
28 401-46409 VACUUMPUMPRELAYCABLEASM 1
29 401-48286 FANCABLEASM 1
30 401-33768 DCFAN 1
31 400-44540 16AXIS2CHSERVOCONTROLLER 1
32 401-09948 POSBOARD11CHCABLEASM 1
33 400-97614 XY-RELAYPOSRELAYCABLEASM 1
34 400-48070 OPTICALFIBERCABLE7M 1
35 401-46367 XENCCABLEASM 1
36 401-09943 XMOTORCABLEASM 1
37
#01
HN-0015500-00 CORE 1
38 401-46388 XYBEARCABLESASM 1
39 401-46380 YBEARCABLESASM 1
40 401-29630 XYLINEARSCALEHEAD 1
41 400-44545 XMOTORENCODERCABLE 1
42 400-44546 XMTRPOWERCABLE 1
43 401-29653 XAXISMOTOR 1
44 401-06795 S-XYRELAYPCBASM 1
45 401-29654 YAXISDRIVER 1
46 401-09931 YLPOWRCABLEASM 1
47 400-92416 DRVFGCABLEASM 1
48 401-29627 OPTICALFIBERCABLE1M 1
49 401-46383 YLLINEARSENSCABLEASM 1
50 401-46368 YLENCCABLEASM 1
51 401-46381 YLENCODERCABLEASM 1
52 401-46439 YLMOTORCABLEASM 1
53 401-46348 YAXISSERVOMOTOR 1
54 401-29628 OPTICALFIBERCABLE0.15M 1
55 401-09932 YRPWRCABLEASM 1
56 401-46384 YRLINEARSENSERCABLEASM 1
57 401-46369 YRENCCABLESAM 1
58 401-46382 YRENCODERCABLEASM 1
59 401-46440 YRMOTORCABLEASM 1
60 401-46346 ATXPSU 1
61 401-46431 ATXPOWERCABLEASM 1
62 401-46347 BATTERY 1
63 401-63313 ATXMAINCABLEASM 1
64 401-46426 ATX12VCABLEASM 1
65 401-31764 ATXCTRLCABLEASM 1
66 401-63314 CPCIPOWERCABLEASM 1
67 401-05681 MONITORSWITCHPCBPWRCABLEASM 1
68 401-29625 CPCIBACKBOARD6SLOT 1
69 HX-0057700-00 POWERSUPPLY 1
70 400-97430 COPLAINPUTRELAYCABLEASM 1
71 400-97428 COPLACPUPOWERCABLEASM 1
72 400-97433 COPLACPUGNDCABLEASM 1
73 400-97432 COPLACPUCPCABLEASM 1
74 400-97423 CPCIBACKBOARD 1
75 401-32154 COPLAMONITORSWITCHINGBOARD 1
76 401-29650 4AXISINTEGRALTYPETAXISDRIVER 1
77
#04
401-29628 OPTICALFIBERCABLE0.15M 1
78
#04
401-49143 SERVOMOTOR30W 1
79 401-46452 SERVOMOTOR10W 1
80 401-46396 LZTPWRRELAYCABLEASM 1
81 401-18621 OPTICALFIBERCABLE2M 1
82
#02
401-29628 OPTICALFIBERCABLE0.15M 1
83
#02
401-49143 SERVOMOTOR30W 1
84
#07
401-46437 MTC/MTSPWRCONNECTORASM 1

- -
86.SYSTEMDIAGRAM(2)
F A N
C N 8
C N 1 2 2 3X + L I M
X N E A R
X - L I M
X N E A R
S E N S O R
X + L I M I T
S E N S O R
X - L I M I T
S E N S O R
H E A D I O
2
2 62 62 52 21 8
1 61 41 21 0
4
5
3
6
7
8
6
9
1 1 1 3 1 5 1 7 1 9 2 1
2 0
2 82 7
1
6
2 9
3 0 3 0 3 0
3 1
3 2
3 9 4 0
3 7
4 5
3 8
3 3
3 6
3 5
3 4
4 2
4 1
4 3
4 6
6
4 7
5 0 5 1 5 2 5 3
4 8 4 9
5 65 4
5 5 5 7 5 8 5 8
5 9
6 0 6 1
4 4
6 2 6 5
8 4 8 5
8 3
8 2
8 1
8 0
7 2
7 1
7 0
6 8
6 7
6 6
6 9
7 8 7 8 7 9
7 7
7 6
7 5
1 1 0
1 1 0
1 1 0
1 1 1
1 1 2
1 1 3
1 1 3
1 1 4
9 9
1 0 2 1 0 3
1 0 8 1 0 9
1 0 4
1 0 5
1 0 7
1 0 6
1 0 1
1 0 0
8
9 3
9 4
9 5
9 6
9 7
9 8
1 1 5
9 1
9 2
8
8 9
9 0
8
8 6
8 7
8 8
7 47 3
2 3 2 4
E T H E R M A I N P C B
O C C C A M E R A
S L I G H T
C T R L P C B
S - H E A D M A I N
P C B A S M
I P - X 7 P C B
T E M P E R A T U R E
S E N S O R P W B A S M
O C C C L I G H T P C B A S M
O C C A L I G H T P C B A S M
O C C A L I G H T P C B A S M
I E E E 1 3 9 4 a
R E P E A T E R
O N L Y 3 0 2 0 V 3 0 2 0 V R
4 A X I S S E R V O
A M P ( 1 ) 2 / 2
4 A X I S S E R V O
A M P ( 2 ) 2 / 2
4 A X I S S E R V O
A M P ( 3 ) 2 / 2
O N L Y 3 0 2 0 V 3 0 2 0 V R
4 A X I S S E R V O
A M P ( 4 ) 2 / 2
O C C
C A M E R A
O C C C
L I G H T P C B A S M
O C C A
L I G H T P C B A S M
O C C A
L I G H T P C B A S M
O N L Y 3 0 2 0 V 3 0 2 0 V R
I E E E 1 3 9 4
B O A R D
S C M 3 P C B
O N L Y 3 0 2 0 V R
P O W E R U N I T 3 / 5
F E E D E R P C B
1 / 2
8 - P O R T C O M
B O A R D 1 / 3
X Y 0 5
B A S E I / O P C B
1 / 2
X Y - R E L A Y P C B
2 / 3
8 - P O R T C O M
B O A R D 2 / 3
O P E R A T I O N
P C B ( F ) 1 / 2
O P E R A T I O N
P C B ( R ) 1 / 2
L I G H T - A 1 C N 1 0
L I G H T - A 2
E N 3
E N 1
E N 2
C N 8 1 3
E N 2
E N 1
E T H E R
S L A V E
P C B
4 - 2 C
A C 3
4 - 1 D
C N 4 7 8
E N 1
C N 2
C N 3 2
C N 3 3
H M S
H M S
H E A D R
B / M
F I B E R
B / M A M P
C N 1 4
C D S
F I B E R
C D S A M P
C N 2 0
C N 2 3
O C C L
L I G H T - C
C N 1 2
C N 1
C N 9
N Z D W N 1
C N 2 6
Z 1
P R E S S U R E
S E N S O R
C N 1 1
C N 2 7
T 7 S L O W
D O W N
S E N S O R
C N 2 5
C N 4 1
C N 4 0
C N 3 9
C N 3 8
C N 3 7
C N 3 6
C N 3 5
C N 8
C N 7
C N 6
C N 3 1
C N 2 8
C N 1 6
C N 1 3
C N 1 9
C N 1 5
C N 2 4 5
1 - 5 A
C N 4 B C N 5
C N 4 D
C N 4 B
C N 4 D
1 - 5 B
C N 5
C N 4 B
C N 4 D
1 - 5 C
C N 5
C N 2 0 1
L N C 6 0
C N 1
F M L A
C N 4 C C N 5
1 - 5 D
C N 4 D
O C C R
L I G H T - C
L I G H T - A 1
L I G H T - A 2
Z 2
P R E S S U R E
S E N S O R
Z 3
P R E S S U R E
S E N S O R
Z 4
P R E S S U R E
S E N S O R
Z 5
P R E S S U R E
S E N S O R
Z 6
P R E S S U R E
S E N S O R
Z 7
P R E S S U R E
S E N S O R
Z 1 V A C S V
Z 2 V A C S V
Z 3 V A C S V
Z 4 V A C S V
Z 5 V A C S V
Z 6 V A C S V
Z 7 V A C S V
N Z D W N 2
N Z D W N 3
Z 1 B L W S V
Z 2 B L W S V
Z 3 B L W S V
Z 4 B L W S V
Z 5 B L W S V
Z 6 B L W S V
Z 7 B L W S V
C N 0 6 4
C N 3 2
C N 2 0
O N L Y
3 0 2 0 V 3 0 2 0 V R
N O Z Z L E
D O W N
S E N S O R L
N O Z Z L E
D O W N
S E N S O R I C
N O Z Z L E
U P S V A S M
N O Z Z L E
D O W N
S E N S O R R
3 - 3 B
C N 6 2
C N 6 1
C N 1 9
C N 2 6
C N 1 7
C N 0 6 4
I O N I / O
P U M P - I O
C N 6 8
1 - 3 B
1 - 5 B
S I 0 1
C H 1
C O M
J 4
J 8
C H 1C H 2
C N 8 4 8
L N C 6 0
I O N I Z E R
I O N P W R
S A F T Y
U N I T ( E N )
E N 2
E N 1
1 - 3 A
S A F E I O
L E D F
L E D R
R T F U L X
F U L X R L Y
C O P L A L A
P I L O T
L A M P
P I L O T
L A M P
C O P L A
L A S E R K E Y
F U L X P W R
F U L X R L Y 1
F U L X R L Y 2
M O T O R
S W I T C H
C N 9 0 1
X Y 1 0
X Y 0 3
C N 1 6
C N 1 0
M O T O R
S W I T C H
C N 4
4 - 5 A
C N 9
C N 7
C N 3 3
C N 5
X Y E N 2
X Y E N 2
4 - 2 A
E T H E R
S L A V E
P C B
4 - 2 A
C N 2
C N 1
E N 2
E T H E R
S L A V E
P C B
E N 1
E S F
E T H E R
S L A V E
P C B
E N 2
E N 1
3 - 2 A
I / F R
I / F L
M T S I / F
M T C I / F
X Y 0 8
X Y 0 1
X Y 0 2
X Y 0 4
C N 1 2 4 7
C N 1 2 3 9
1 - 4 B
S I 0 2
4 - 4 C
3 - 4 A
3 - 4 B
C N 1 4
C N 1 4
C N 1 2 4 1
C N 1 2 7
Y - L I M I T
S E N S O R
Y + + L I N I T
S E N S O R
Y N E A R
S E N S O R
Y - L I M I T
S E N S O R
Y + + L I N I T
S E N S O R
Y N E A R
S E N S O R
O N L Y 3 0 1 0 A / 2 0 V A / 2 0 V R A