TR5SNI_TR5SNJ_TR5SNR_TR5SNX-Rev05.pdf - 第27页
- 24 - NOTE( 注記 ) #01....FOR EN EN 用 #02....BEFORE MACHINE 5SNX REV.0 & 5 S NX REV.0以前及び BEFORE MACHINE 5SNR REV.A 5 SNR R EV.A 以前 #03....FOR 5SNI(EN) 5 S NI(EN)用 #04....FOR 5SNI 5 S NI 用 REF.NO NOTE PART NO D E S C …

- 23 -
12. OPTION COMPONENTS (SCS)
オプション関係(SCS)
11
15
14
13
12
18
19
8
9
7
41
6
27
11
12
10
13
17
16
18
27
19
20
21
32
33
34
22
42
23 24 25 26
1
36
2
37
3
38
4
39
5
40
28
35
29
30
31
10

- 24 -
NOTE( 注記 ) #01....FOR EN EN 用
#02....BEFORE MACHINE 5SNX REV.0 & 5 SNX REV.0以前及び
BEFORE MACHINE 5SNR REV.A 5 SNR REV.A 以前
#03....FOR 5SNI(EN) 5 SNI(EN)用
#04....FOR 5SNI 5 SNI 用
REF.NO NOTE PART NO D E S C R I P T I O N
品 名
Qty
1 400-73830 TAG INSERT(T) KIT
タグインサート(T)キット
40
2 SM-4031001-SC SCREW M3X0.5 L=10
なべ小ねじ M3X0.5 L=10
40
3 WP-0320500-SC WASHER M3
平座金小形丸 M3
40
4 WS-0310002-KN SPRING WASHER M3
ばね座金 3.1X5.9X0.7
40
5 NM-6030001-SC NUT M3X0.5 TYPE1
六角ナット M3X0.5 1種
40
6 400-73475 FRONT COVER U
フロントカバーU
1
7
#01
400-73476 FRONT COVER U(EN)
フロントカバーU(EN)
1
8 400-73477 TR5S_PCB_U_BR
TR5S_基板_U_BR
1
9 SL-6041092-TN SCREW
座金付き六角穴ボルト
3
10 400-73478 TR5S_PCB_BR_1
TR5S_基板_BR_1
2
11 SL-6030692-TN SCREW M3 L=6
座金付き六角穴ボルト M3 L=6
6
12 400-73479 TR5S_PCB_BR_2
TR5S_基板_BR_2
2
13 SL-6030692-TN SCREW M3 L=6
座金付き六角穴ボルト M3 L=6
6
14 400-73480 TR5S_PCB_BASE_1
TR5S_基板_ベース_1
1
15 SL-6030692-TN SCREW M3 L=6
座金付き六角穴ボルト M3 L=6
3
16 400-73712 TR5S_PCB_BASE_2
TR5S_基板_ベース_2
1
17 SL-6030692-TN SCREW M3 L=6
座金付き六角穴ボルト M3 L=6
3
18 400-73666 ANTENNA ARRAY 14MM PITCH / 20 POSITION
アンテナアレイ14MM ピッチ/20 ポジション
2
19 SM-4030801-SC SCREW M3X0.5 L=8
なべ小ねじ M3X0.5 L=8
12
20 400-73901 TR5S_Z_SENSOR_BR
TR5S_Z_センサ_BR
1
21 WP-0641600-SC WASHEW 6.4X12.5X1.6
平座金
2
22 HD-0022300-00 PHOTO SENSOR
フォトインタラプタ
1
23 EA-9500B01-00 CABLE BAND
束線バンド
20
24 HX-0006500-0A CABLE CLIP
束線バンド
5
25 HX-0002400-0L CKS CLAMP
束線パーツ
3
26 HX-0031400-00 SPIRAL TABE
スパイラル チューブ
0.7
27 400-81287 SHEILD BRACKET 5S
シールドブラケット 5S
2
28 400-83190 IS SCN PCB ASM
IS用SCN基板組
1
29
#02
400-99604 Y_SENSOR_DOG_A
YセンサドグA
1
30
#02
400-99605 Y_SENSOR_DOG_B
YセンサドグB
1
31
#02
SL-6030692-TN SCREW M3 L=6
座金付き六角穴ボルト M3 L=6
2
32 SL-6040892-TN BOLT
座金付き六角穴ボルト
2
33 SM-0040601-SC SCREW M4X0.7 L=6
トラス小ねじ M4X0.7 L=6
4
34
#01
SM-0040601-SC SCREW M4X0.7 L=6
トラス小ねじ M4X0.7 L=6
6
35
#02
SL-6030642-TN SCREW M3 L=6
座金付き六角穴ボルト
2
36
#04
400-73830 TAG INSERT(T) KIT
タグインサート(T)キット
20
37
#04
SM-4031001-SC SCREW M3X0.5 L=10
なべ小ねじ M3X0.5 L=10
20
38
#04
WP-0320500-SC WASHER M3
平座金小形丸 M3
20
39
#04
WS-0310002-KN SPRING WASHER M3
ばね座金 3.1X5.9X0.7
20
40
#04
NM-6030001-SC NUT M3X0.5 TYPE1
六角ナット M3X0.5 1種
20
41
#03
401-38415 FRONT_COVER_U_EN_RFID
フロントカバーU_EN_RFID
1
42
#04
HD-0017100-00 SENSOR
フォトインタラプタ
1

- 25 -
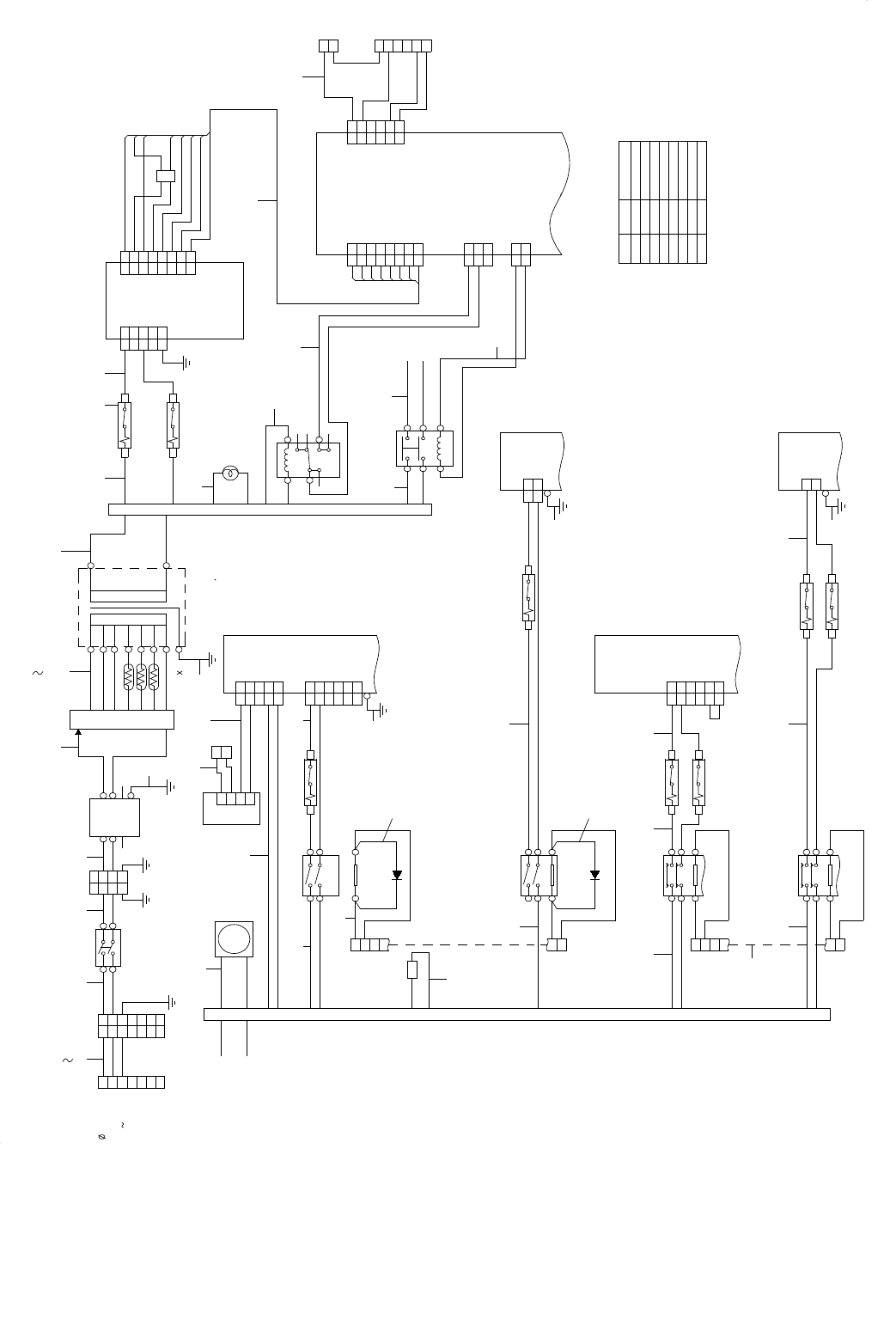
13. WIRING DIAGRAM (1)
WIRING DIAGRAM(1)
44
43
36
38
33
34
32
29
27
30
28
7
16
6
25
40
1
4
41
21
22
8_2C
(CE)
8_3C
(CE)
1
0
19
CN67-B
1_5B
4
3
6
5
D1
2
1
10
+24VRTN
+24VRTN
+24V
+24V
+5V
+5V
GND
GND
TB2
+
-
18
CN065
1_5B
2
1
5
4
3
2
1
6
CN067-A
CN065
1_2A
5
4
3
2
1
6
2
1
+24VD
+24VD
4
3
2
1
G3
G4
+24VRTN
+24VRTN
+24V
+24V
+5V
+5V
GND
GND
N
L
SRG ABS.
C
P
YDRV1
2
1
5ACP5
N
RLY5
6
2
8
4
L
ZMP1
ZMP2
PSU2PSU1
MAIN20
MAIN15
MAIN07
2_4B
2_2A
2_1A
CNP2
5
4
3
2
1
5
4
3
2
1
L21
L11
D
C
P
CNP1
6
5
4
3
2
1
P2
P1
N
L3
6
5
4
3
2
1
2
1
CN1
FG
AC
AC
N.C
33
5
1
6
7
2
3
8
4
5
1
6
7
2
3
8
4
5
4
3
2
1
RLY5_ON[N]
RLY4_ON[N]
RLY3_ON[N]
+24VD
CN14
1_1B
6
RLY1_ON[N]
+24VD
+24VRTN
AC_PWR_IN[N]
CN20
CN15
2
1
1
2
CN7
MAIN PCB(1/6)
1
2
4
8
3
7
6
5
3A
CP1
35
37
31
24
1_1A
1_1A
AC-N
AC-L
1
8
4
0
6
2
RLY1
2
1
N
L
78
6
5
4
3
2
1
2
1
RLY2
N
L
N
L
PSU
CN2
+24VRTN
+24VRTN
+24V
+24V
+5V
+5V
GND
GND
1
2
4
8
3
7
6
5
FG
N
L
CN1
4
5
3
2
1
4
5
3
2
1
N
L
TB1
20
42
39
P009
J05
0
100
TF
E
0
200
220
240
380
415
400
6
5
4
TB0
0
200
220
240
380
400
415
NC
NF
3
2
1
33
NFB1
7
1
2
3
4
5
6
7
1
2
3
4
5
6
7
1
2
3
4
5
6
R
E
S
T
3
AC200V
415V
N
L
Y DRIVER(1/2)
L
N
MAIN14
RLY3
6
2
8
4
TB3
FAN MOTOR
L
N
FAN1
ZM DRIVER(1/2)
L
FG
L2
10ACP2
1-4B AC-N
1-4B AC-L
OMRON
G7L-2A-B
DC24V
SIGNAL
5
1
6
2
7
3
8
4
TABLE1
8
7
6
5
4
3
2
1
MAIN07PSU2
OMRON
G7L-2A-B
DC24V
POTTER&BRUMFIELD
W28XQ1A-5
POTTER&BRUMFIELD
W28XQ1A-10
MITSUBISHI
MR-RB032
SANYO
FS1W075P
ISHIZUKA
POTTER&BRUMFIELD
W28XQ1A-3
OMRON
LY1-AC100V
OMRON
G7L-2A-B
DC24V
COSEL
LEB100F-0524-S
POWER LAMP
FUJI ELE
DR22DOL-H3G
AC110
SUENN
LIANG
SP-TBSM-1I-1
6KVA
4W-25(
3)
OKAYA
3SUP-HU10
-ER-6
MITSUBISHI
NF30-SW-CE
/2P/15A
23
MITSUBISHI
MR-J3-40A1
SANYO
109S085
26
17
J009
11
CN001
44
22
5
L1
3A
CP3
2_2A
CNP1
6
5
4
3
2
1
P2
P1
N
L3
ZM DRIVER(1/2)
FG
L2
L1
MITSUBISHI
MR-J3-40A1
54
A2A1
MC2
3
1
4
2
6
5
FUJI SC-03/G
LL
N
49
52
50
5ACP6
5ACP5
YDRV1
2_4B
2
1
CN1
FG
AC
AC
Y DRIVER(1/2)
POTTER&BRUMFIELD
W28XQ1A-5
MICROSTEP
MC-7514PCL
1
2
3
4
1_5B
CN67-B
8_2C
(CE)
N
L
MC1
FUJI SC-03/G
POTTER&BRUMFIELD
W28XQ1A-10
1
2
3
4
5
6
ZMP1
1
3
A1 A2
CP2 10A
2
4
CP4 10A
53
47
48
51
45
46