TR5SNI_TR5SNJ_TR5SNR_TR5SNX-Rev05.pdf - 第42页
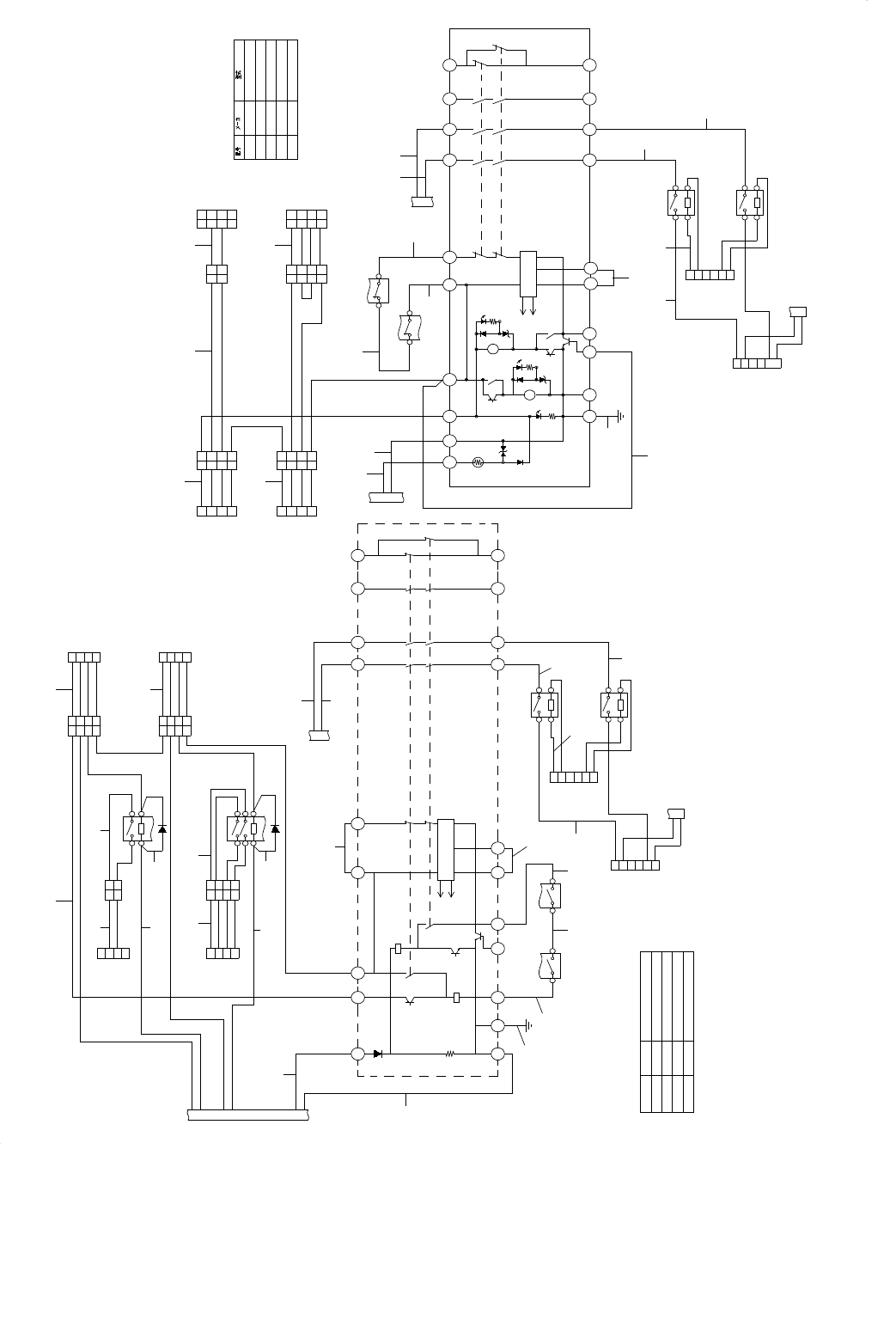
- 39 - 20. WIRING DIAG RAM (8)(FOR EN) WIRING DIAGRAM (8) (EN 用) 4_5B (CE) 4_5B (CE) 4_4B (CE) 4_4B (CE) 1_1B (CE) CN124 CN107-A CN122 CN072-A 4 3 2 1 MY2 DC24V MY2 DC24V G7SA-3A1 B DC24V G7SA-3A1 B DC24V OMRON OMRON OMR…

- 38 -
NOTE( 注記 ) #01....FOR 5SNX,5SNI,5SNJ 5 SNX,5 SNI,5 SNJ 用
REF.NO NOTE PART NO D E S C R I P T I O N
品 名
Qty
1 E9455-723-0A0 I/F CABLE ASM
I/Fケーブル組
1
2 400-45200 I/F CABLE ASM
I/Fケーブル組
1
3 400-49733 PANEL CABLE ASM
パネルケーブル組
1
4 400-49734 LCD I/F CABLE ASM
LCD I/Fケーブル組
1
5 400-49735 LCD BL CABLE ASM
LCD BLケーブル組
1
6 400-49736 ONLINE SW ASM
オンラインSW組
1
7 400-49737 OPERATION SW ASM
オペレーションSW組
1
8 400-49738 TRAY LED CABLE 1 ASM
トレイLEDケーブル1組
1
9 400-49611 TRAY LED CABLE 2 ASM
トレイLEDケーブル2組
1
10 400-49739 TRAY LED CABLE 3 ASM
トレイLEDケーブル3組
1
11 400-49613 TRAY LED CABLE 4 ASM
トレイLEDケーブル4組
1
12
#01
400-94573 I/F CABLE ASM
I/Fケーブル組
1
13
#01
400-96157 MTC/MTS I/F CABLE ASM
MTC/MTS I/Fケーブル組
1

- 39 -
20. WIRING DIAGRAM (8)(FOR EN)
WIRING DIAGRAM(8)(EN 用)
4_5B
(CE)
4_5B
(CE)
4_4B
(CE)
4_4B
(CE)
1_1B
(CE)
CN124CN107-A
CN122
CN072-A
4
3
2
1
MY2 DC24V
MY2 DC24V
G7SA-3A1B DC24V
G7SA-3A1B DC24V
OMRON
OMRON
OMRON
OMRON
RLY16
RLY14
RLY12
RLY10
TYPE
MAKERSIGN
CN067-B
6
5
CN121
CN119
CN107-B
CN072-B
4344
D6
8_2C
2324
RLY10
10
D8
TB2
+
+
8_2C
4344
RLY12
10
1413
8
RLY16
12
1413
8
RLY14
8_2B
RLY10
33 34
8_2A
1_5B
(CE)
CN067-A
TB2
-
-
12
OMRON
G9SA-301
SRLY
41
4234
33
24
23
14
13T32
b
a
BA
Control
Circuit
T31
RLY12
33 34
K1
K2
K2
b
aK1
T23 T22T21PE
T12
A2
T11A1
-
+
-
+
-
+
TB2
1
2
3
4
2
3
1
4
2
3
4
1
1
22
1
1
2
3
4
1
2
3
4
2
4
3
1
2
1
4
33
4
1
2
2
1
4
3
3
4
1
2
4
3
1
2
5
6
1
2
3
4
5
611
12
13
14
15
16
17
19
18
20 21
22
23
24
25
8
7
9
10
128
1
4
1
2
3
4
1
2
3
1
2
4
1
2
3
CN107-A
CN072-A
4
4
4_5B
(CE)
1
2
3
4_5B
(CE)
1
2
3
CN124
CN122
4
1
2
3
1
2
CN121
4
3
1
2
4
3
1
2
CN119
4
3
1
2
4
3
1
2
CN067-B
4
3
RLY16
1413
8
RLY14
1_5B
(CE)
CN067-A
6
2
5
1
12
TB2
+
+
4
3
1
2
CN107-B
4_4B
(CE)
4
3
1
2
CN072-B
4_4B
(CE)
TB2
-
+
22 21
MC2
22 21
MC1
K2
K1
bK2
K2
K1
a
K1
TH
SA
b
a
Control
Circuit
14
BA
T23 T22
T21
PE
A2
13
T32T31T12T11
A1
MY2 DC24V
G9SA-301
OMRONSRLY1
SC-03/G DC24V
SC-03/G DC24V
MY2 DC24V
FUJI
FUJI
OMRON
OMRON
MC2
MC1
RLY16
RLY14
-
1_1B
(CE)
6
5
4
2
3 1413
TB2
SRLY1
423424
413323
-
34
35 37
36 38
28
29
32
33
31
40
39
26
27
30
41
42
43
44

- 40 -
NOTE( 注記 ) #01....FOR 5SNI(EN) 5 SNI(EN)用
#02....FOR 5SNR(EN) ,5SNX(EN) 5 SNR(EN),5 SNX(EN)用
REF.NO NOTE PART NO D E S C R I P T I O N
品 名
Qty
1
#02
400-49740 SAFETY RELAY UNIT CABLE ASM
セーフティリレイユニットケーブル組
1
2
#02
400-49749 RELAY12 I/O CABLE 1 ASM
リレイ12 I/Oケーブル1組
1
3
#02
400-49623 RELAY12 I/O CABLE 2 ASM
リレイ12 I/Oケーブル2組
1
4
#02
400-49622 RELAY12 DRIVE CABLE ASM
リレイ12 ドライブケーブル組
1
5
#02
400-45229 RELAY12 DIODE CABLE ASM
リレイ12 ダイオードケーブル組
1
6
#02
400-49741 DOOR M OPEN SW CABLE ASM
ドアMオープンSWケーブル組
1
7
#02
400-49750 RELAY10 I/O CABLE 1 ASM
リレイ10 I/Oケーブル1組
1
8
#02
400-49744 RELAY10 I/O CABLE 2 ASM
リレイ10 I/Oケーブル2組
1
9
#02
400-45212 RELAY10 DRIVE CABLE ASM
リレイ10 ドライブケーブル組
1
10
#02
400-45211 RELAY10 DIODE CABLE ASM
リレイ10 ダイオードケーブル組
1
11
#02
400-49743 EMERGENCY SW CABLE(REAR,CE) ASM
エマージェンシSWケーブル(リア,CE)組
1
12
#02
400-45218 SRLY POWER CABLE(+) ASM
SRLYパワーケーブル(+)組
1
13
#02
400-45219 SRLY POWER CABLE(-) ASM
SRLYパワーケーブル(−)組
1
14
#02
400-49633 SRLY-FG CABLE ASM
SRLY−FGケーブル組
1
15
#02
400-49635 RELAY12-33 CABLE ASM
リレイ12−33ケーブル組
1
16
#02
400-49639 RELAY12-34 CABLE ASM
リレイ12−34ケーブル組
1
17
#02
400-49641 SRLY-T22 CABLE ASM
SRLY−T22ケーブル組
1
18
#02
400-45226 SRLY-T3 CABLE ASM
SRLY−T3ケーブル組
1
19
#02
400-45225 SRLY-AB CABLE ASM
SRLY−ABケーブル組
1
20
#02
400-49642 SRLY-23 CABLE ASM
SRLY−23ケーブル組
1
21
#02
400-49643 SRLY-13 CABLE ASM
SRLY−13ケーブル組
1
22
#02
400-49747 RELAY14,16 OUTPUT CABLE ASM
リレイ14,16出力ケーブル組
1
23
#02
400-49748 RELAY14,16 DRIVE CABLE ASM
リレイ14,16ドライブケーブル組
1
24
#02
400-49745 SRLY-14 CABLE ASM
SRLY−14ケーブル組
1
25
#02
400-49746 SRLY-24 CABLE ASM
SRLY−24ケーブル組
1
26
#01
400-45220 SRLY-FG CABLE ASM
SRLY−FGケーブル組
1
27
#01
401-13776 SRLY1-T23 CABLE ASM
SRLY1−T23ケーブル組
1
28
#01
401-17274 SRLY POWER CABLE(+) ASM
SRLYパワーケーブル(+)組
1
29
#01
401-17275 SRLY POWER CABLE(-) ASM
SRLYパワーケーブル(−)組
1
30
#01
401-17282 SRLY-AB CABLE ASM
SRLY−ABケーブル組
1
31
#01
401-37842 MC2-21 CABLE ASM
MC2−21ケーブル組
1
32
#01
401-37843 MC1-22 CABLE ASM
MC1−22ケーブル組
1
33
#01
401-37844 SRLY1-T32 CABLE ASM
SRLY1−T32ケーブル組
1
34
#01
401-37846 SAFETY RELAY UNIT CABLE ASM
セーフティリレイユニットケーブル組
1
35
#01
400-49749 RELAY12 I/O CABLE 1 ASM
リレイ12 I/Oケーブル1組
1
36
#01
400-49741 DOOR M OPEN SW CABLE ASM
ドアMオープンSWケーブル組
1
37
#01
400-49750 RELAY10 I/O CABLE 1 ASM
リレイ10 I/Oケーブル1組
1
38
#01
400-49743 EMERGENCY SW CABLE(REAR_CE) AS
エマージェンシSWケーブル(リア,CE)組
1
39
#01
400-49642 SRLY-23 CABLE ASM
SRLY−23ケーブル組
1
40
#01
400-49643 SRLY-13 CABLE ASM
SRLY−13ケーブル組
1
41
#01
400-49747 RELAY14_16 OUTPUT CABLE ASM
リレイ14,16出力ケーブル組
1
42
#01
400-49748 RELAY14_16 DRIVE CABLE ASM
リレイ14,16ドライブケーブル組
1
43
#01
400-49745 SRLY-14 CABLE ASM
SRLY−14ケーブル組
1
44
#01
400-49746 SRLY-24 CABLE ASM
SRLY−24ケーブル組
1