ENG_SS_108-90801_E.pdf

Product Specification 108 - 9080 1 Rev. E ............................................................................................................................................................................... ..…

100%1 / 7
Product Specification
108-90801
Rev. E
..................................................................................................................................................................................................................................…………………………….
DR. Bart Kerckhof DATE 19-jun-20
APVD. Jan Van Cauwenberge
DATE 19-jun-20
© 2020 Tyco Electronics Corporation.
All International Rights Reserved.
* Trademark
| Indicates change
“Multispring standard power ST08 Press-in zone for automotive use
PCB Hole size
(1.39…) 1.45…1.54 mm
Board thickness
>=1.2 mm (nominal)
Stock thickness
0.8 mm
TABLE OF CONTENTS
1. Scope.
2. Printed board and hole information.
3. Press-in zone information.
4. Information on the application.
5. Instruction and tools for the press-in operation.
6. Press-in characteristics.
6.1 Mechanical.
6.2 Electrical.
6.3 Environmental.
7. Requirements.
8. Related Documents.
8.1 Test-Reports.
Product specification Multispring standard power 108-90801
................................................................................................................................................................................................................................................…………………..
Rev. E Page 2 of 7
R1-1 (Rev. 02-00)
1. SCOPE .
This specification covers all the information as required in the IEC 60352-5 (Issue 5; Jan 2012) for a
Multispring Press-In zone (further named “Multispring”) for nominal hole-Ø 1.45mm and made from
0.8mm stock thickness.
The IEC requirements are supplemented with the requirements for automotive use (in the engine area)
based on the “Arbeitskreis Prüfrichtlinie für KFZ-Steckverbinder.
2. PRINTED BOARD AND HOLE INFORMATION
Printed board material according to :
IEC 61249-2-7 (replacement for the IEC 60249-2-4/5/11/12)
Other board materials are possible and have to be tested on request.
Maximum number of conductive layers: not limited.
Printed board thickness:
Normal range: min = 1.6mm ±0.14 mm; max = not limited.
Extended range: Min = 1.2mm max = 1.6mm: allowed with some restrictions:
* The maximum deformation of the PCB-hole according to the IEC-norm cannot be
guaranteed for all types of PCB material used.
* With some plating combinations the hold force can be smaller than the limit of min.40N.
* Electrically less current can be put thru the press-fit and should be checked
* An application test is necessary to test the project specific situation
Smaller board thicknesses have to be tested.
Plated-Through-Hole dimensions:
Hole-Ø prior to plating = 1.6±0.025 mm
Thickness of the PTH-wall > 25 µm Cu
Finished hole-Ø = 1.45-1.54mm
in case of HAL PCB’s or exceptional cases the former standard of 1.39-1.54mm is allowed.
Printed board plating material :
HAL or galvanic tin plated 5 15 µm
Chemical Sn > 0.5µm
0.05-0.2µm Au over 2.5-5 µm Ni
OSP (Organic Solderability Preservative) (not recommended)
Other plating materials have to be tested on request.
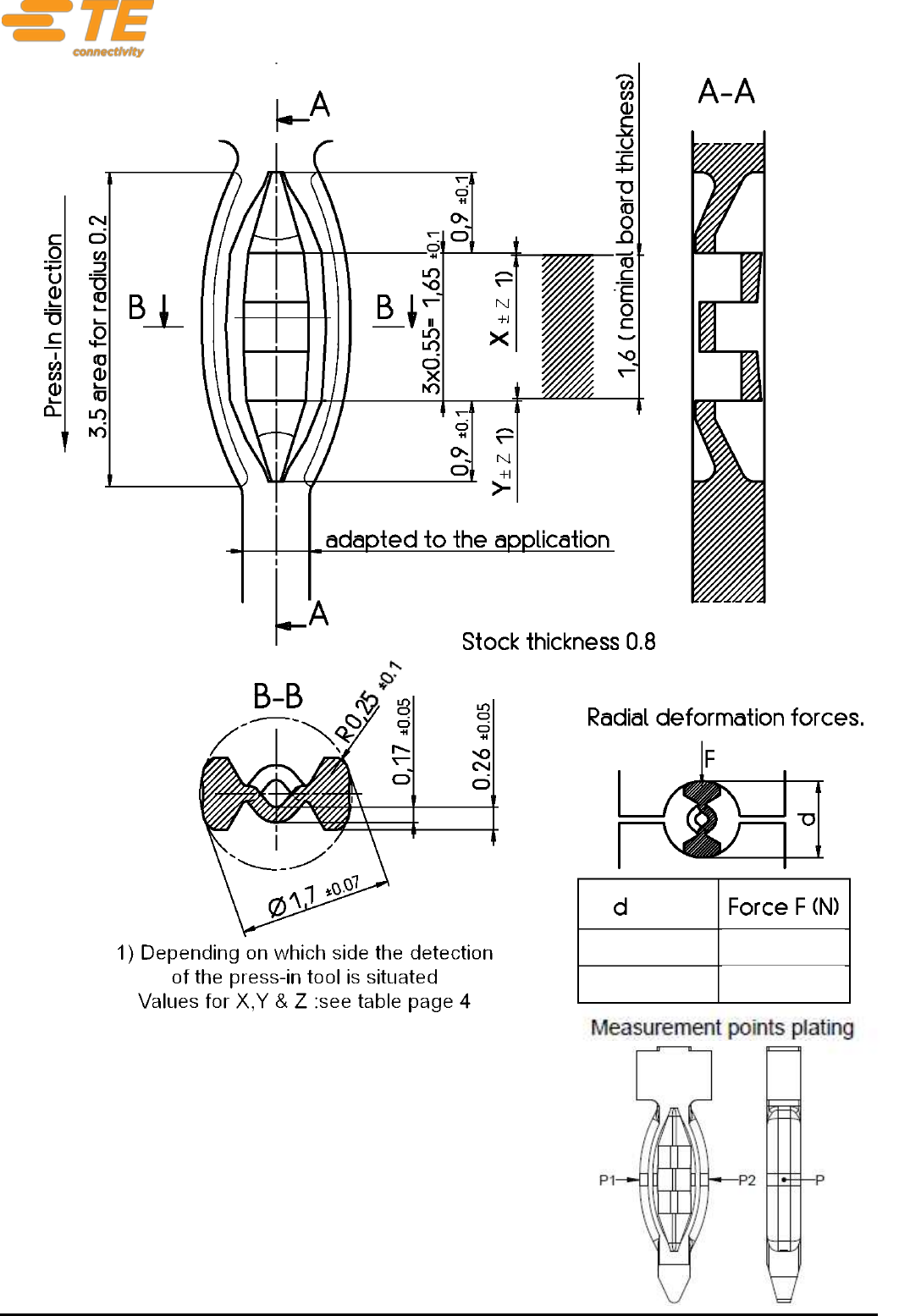
3. PRESS-IN ZONE INFORMATION
Design : see dimensional drawing on page 3
Material : CuSn4 , CuSn6 ,CuNiSi or CuCrAgFeTiSi or similar copper alloy.
Other materials have to be tested on request.
Plating : - 0.4-1.5 µm Sn over min 0.8µm Ni.
- 0.4-1.5 µm SnPb over min 0.8µm Ni. (Technically possible but decommissioned)
- 0.3-1.1 µm S+D Advanced Indium over 1.272.2 µm Ni.
- Customer specific plating definitions are possible but have to be tested.
Not all combinations of plating, base material and PCB plating/technology are possible or
released. In case of doubt, please contact TE.
Product specification Multispring standard power 108-90801
................................................................................................................................................................................................................................................…………………..
Rev. E Page 3 of 7
R1-1 (Rev. 02-00)
1.42
1.57
min 110
max 300