PTS-NADXHD-06.pdf - 第89页
DX-NT05A-AUTO-T OOL STATION 1/ DX-NT05A-オートツール ステーション 1/ 2UGKM Y000319 No. Drg.No. & Code No. QTY Description Rating Remarks 番号 図番 & コード番 号 個数 品名 規格 備考 112 2MGKMY01 4601 3 SEAL シール 113 2MGKMY01 3200 1 SHUTTER シャ…

DX-NT05A-AUTO-TOOL STATION 1/
DX-NT05A-オートツールステーション 1/
2UGKMY000319
No. Drg.No. & Code No. QTY Description Rating Remarks
番号 図番 & コード番号 個数 品名 規格 備考
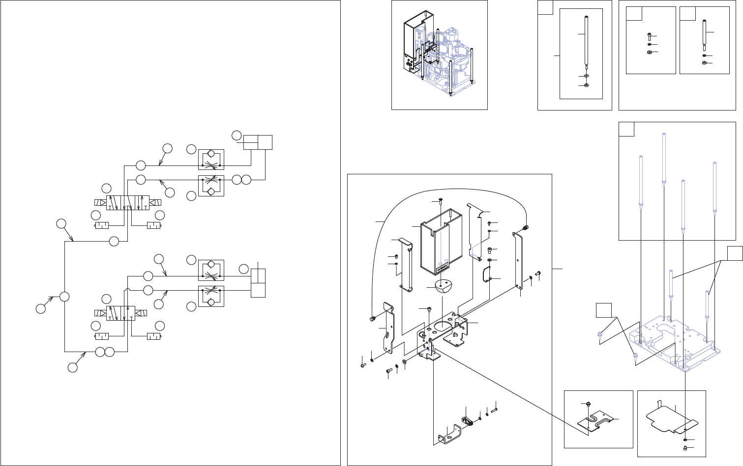
56 H54252 2 BOLT, HEX SOCKET
ボルト 六角穴
M03X008(3カ シロ)
57 W1106C 2 WASHER, LOCK
ワッシャ スプリング
3M/M(3カ シロ)
58 S67441 1 SENSOR, PHOTO
センサ フォト
EE-SX953P-R 3M
59 S67438 1 SENSOR, PHOTO
センサ フォト
EE-SX952P-R 3M
60 K5198B 2 SCREW, WASHER ASS'Y
小ネジ 座金組込み
M03X008 ナベセムス P4(3カシロ)
62 2MGKMY000500 2 FLANGE
フランジ
63 H4274K 4 BEARING, SLIDE
ベアリング スライド
JUM-02-12
64 H54251 8 BOLT, HEX SOCKET
ボルト 六角穴
M03X006(3カ シロ)
65 W1010A 8 WASHER, CONICAL
ワッシャ 皿
M-3-L
66 N1079Y 3 NUT, HEX
ナット 六角
M05 3シュ(3カシロ)
67 PM59924 3 NUT, STOPPER
ナツト ストツパ
68 2MGKMY002401 3 SHAFT
シャフト
69 H68191 3 BOLT, HEX SOCKET
ボルト 六角穴
M04X008テイトウ(3カ シロ)
70 W1011A 3 WASHER, CONICAL
ワッシャ 皿
M-4-L
71 2MGKMY003502 2 PIN
ピン
72 H20920 1 PIN, PARALLEL
ピン 平行
φ03X08 B種(h8)
74 K5365R 2 SCREW, C/R TRUSS
小ネジ 十穴トラス
M03X004(3カ シロ)
75 2MGKMY006201 1 BKT
BKT
76 H67896 2 BOLT, HEX SOCKET
ボルト 六角穴
M02.5X005(3カ シロ)
77 W1106A 2 WASHER, LOCK
ワッシャ スプリング
2.5M/M(3カ シロ)
78 2MGKMY007300 1 BLOCK
ブロック
79 H54251 2 BOLT, HEX SOCKET
ボルト 六角穴
M03X006(3カ シロ)
80 W1010A 2 WASHER, CONICAL
ワッシャ 皿
M-3-L
81 2MGKMY004101 1 SHEET
シート
82 2MGKMY013302 1 HOLDER
ホルダ
83 H54253 2 BOLT, HEX SOCKET
ボルト 六角穴
M03X010(3カ シロ)
84 W1106C 2 WASHER, LOCK
ワッシャ スプリング
3M/M(3カ シロ)
85 2MGKMY007600 2 PIN
ピン
86 2MGKMY005301 2 DOG, SW
ドッグ SW
87 2MGKMY002802 2 NUT
ナット
88 H54250 4 BOLT, HEX SOCKET
ボルト 六角穴
M03X005(3カ シロ)
89 W1106C 4 WASHER, LOCK
ワッシャ スプリング
3M/M(3カ シロ)
90 2MGKMY002601 2 WASHER
ワッシャ
91 PZ29942 2 SCREW, C/R COUNTERSUNK
小ネジ +穴皿
92 PM85634 8 WASHER
ワッシャ
93 PZ29951 8 BOLT
ボルト
94 2MGKMY014400 12 PLATE
プレート
95 K51716 12 SCREW, C/R TRUSS
小ネジ 十穴トラス
M02X003(3カ シロ)
97 2MGKMY012800 12 GUIDE
ガイド
98 H68817 12 PIN, PARALLEL
ピン 平行
φ01X08 B種(h8) SUS
101 2MGKMY012201 3 PLATE
プレート
102 PZ13393 9 SCREW, C/R COUNTERSUNK
小ネジ 十穴皿
103 2MGKMY012301 3 SHEET
シート
104 2MGKMY016900 9 SPACER
スペーサ
105 W1106C 9 WASHER, LOCK
ワッシャ スプリング
3M/M(3カ シロ)
106 2MGKMY014802 3 HOLDER
受け
107 H67583 3 PIN, PARALLEL
ピン 平行
φ2×6 Bシュ
108 K67293 3 SCREW, C/R TRUSS
小ネジ 十穴トラス
M02X002(ステンレス)
109 H54252 3 BOLT, HEX SOCKET
ボルト 六角穴
M03X008(3カ シロ)
110 W1106C 3 WASHER, LOCK
ワッシャ スプリング
3M/M(3カ シロ)
111 2MGKMY013101 1 SHUTTER
シャッタ
88
PTS- NADXHD- 06

DX-NT05A-AUTO-TOOL STATION 1/
DX-NT05A-オートツールステーション 1/
2UGKMY000319
No. Drg.No. & Code No. QTY Description Rating Remarks
番号 図番 & コード番号 個数 品名 規格 備考
112 2MGKMY014601 3 SEAL
シール
113 2MGKMY013200 1 SHUTTER
シャッタ
114 H67896 2 BOLT, HEX SOCKET
ボルト 六角穴
M02.5X005(3カ シロ)
115 W1106A 2 WASHER, LOCK
ワッシャ スプリング
2.5M/M(3カ シロ)
116 W60736 2 WASHER
ワッシャ
WSSM8-3-1.5
117 2MGKMY014001 1 SEAL
シール
118 2MGKMY014701 1 SEAL
シール
140 S63807 1 CYLINDER, AIR
シリンダ エアー
CU16-5D
141 H5426Z 2 BOLT, HEX SOCKET
ボルト 六角穴
M04X035(3カ シロ)
142 K63325 2 CONTROLLER, SPEED
コントローラ スピード
AS1201F-M5-04A
143 K5077A 2 CONNECTOR
コネクタ
M-5J
144 N1079Y 1 NUT, HEX
ナット 六角
M05 3シュ(3カシロ)
145 W1106E 1 WASHER, LOCK
ワッシャ スプリング
5M/M(3カ シロ)
150 Y60200 1 UNION, ELBOW
ユニオン エルボ
KQ2L06-99A
151 Y60222 1 UNION
ユニオン
KQ2U06-00A
89
PTS- NADXHD- 06

㸱
㸰㸰
㸯㸯
㸱
㸲
AIMEX II
AIMEX II
AIMEX II
NXT III
NXT III
AIMEX IIS
AA
JJKK
AA
JJ
KK
ࢩࣕࢵࢱ࣮㛤㛢
Shutter open close
ࢫࢸ࣮ࢩࣙࣥୖୗ
Station up down
67
66
68
69
21
24
26
27
28
29
30
31
33
34
35
25
22
23
32
36
37
38
61
62
39
70
71
72
56
57
58
53
54
55
A
B
B
B
B
1
2
6
4
6
7 7
6
7 7
10
11
12
13
14
15
16
E
6
D A
C C
3
40
41
42
43
44
45
46
47
48
49
20
DX-NT05A-AUT-TOOL STATION 2/
';17$࣮࢜ࢺࢶ࣮ࣝࢫࢸ࣮ࢩࣙࣥ
2UGKMY000319
Ø6
Ø6
Ø4
Ø4
Ø4
Ø4
Ø6
90
PTS- NADXHD- 06