第五卷 资 料.pdf - 第119页
4-41 5OM-1752 1305-001-(31010WFB--1002) 送料器推车部 1 1 2 3 4 5 6 7 8 A B C D E F 4 GND 1 2 3 +24V +24V GND 9 8 5 6 7 13 10 1 1 12 S.GND TXD RXD 14 15 16 FG X01 X02 X03 X04 X05 OUT1 OUT2 IN1 IN2 IN3 X06 X07 X08 X09 X10 X1 1 X…

4-40
5OM-1752
1305-001-(31010WFB--1001)
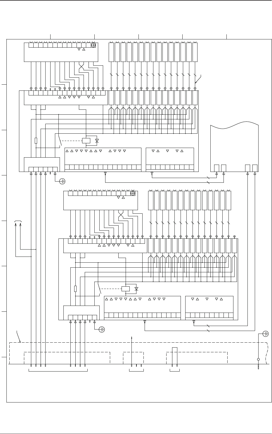
送料器推车模块图
1 2 3 4 5 6 7 8
A
B
C
D
E
F
X1
X2
X3
X4X5
X6
X7
X8
X9
X10
X11
X12
X13
X14
X15
X31
U67
Connection PCB
FB
X16
X17
X18
X19
X20
X21
X22
X23
X24
X25
X26
X27
X28
X29
X30
U68
Connection PCB
FB
X1X2X3X4X5X6X7X8X9X10X11X12X13X14X15X16
U69
IO PCB
STLT_FB
CN3
CN1CN4 CN2
X102 X101X102 X101
CN10 CN8 CN6
Feeder Clamp
Upper Limit
Detection Sensor
Feeder Clamp
Solenoid
In Port
Out Port
80P50P80P50P
DC24V DC24V
Feeder Set Cable
Bundled Connector
X30
DC24V HSIO RS1232C
Drawer Connector for Feeder
Drawer Connector for Feeder

4-41
5OM-1752
1305-001-(31010WFB--1002)
送料器推车部 1
1 2 3 4 5 6 7 8
A
B
C
D
E
F
4GND
1
2
3
+24V
+24V
GND
9
8
5
6
7
13
10
11
12
S.GND
TXD
RXD
14
15
16FG
X01
X02
X03
X04
X05
OUT1
OUT2
IN1
IN2
IN3
X06
X07
X08
X09
X10
X11
X12
X13
X14
X15
4
3
2
1
GND
+24V
GND
+24V
X100
6
5
FG
77
80
79
78
73
76
75
74
9
8
7
6
OUT1
OUT2
IN1
IN2
IN3
X01:
X01:
X01:
X01:
X01:
OUT1
OUT2
IN1
IN2
IN3
X02:
X02:
X02:
X15:
X15:
OUT2
IN1
X15:
X15:
1
5
…
…
…
47
50
49
48
46
8
7
X01:
X01:
X01:
X02:
X02:
X15:
X15:
1
…
… …
S.GND
TXD
RXD
S.GND
TXD
TXD
RXD
24G1A
10G
24G1A
10G
10G
24G1B
10G
24G1B
:5
:8
:7
:6
:12
:11
:10
:9
:2
:1
Solenoid
Valve
1Ω7W
RLY
:3
:2
:1
DC24V INPUT
X16
9
8
5
6
7
Feeding Start 1
Feeding Start 2
Feeding Ready
Communication Ready
Feeder Connection Check
4
1
2
3
+24V
+24v
GND
X16
GND
FG
13
10
11
12
S.GND
TXD
RXD
14
X17
X18
X19
X20
X21
X22
X23
X24
X25
X26
X27
X28
X29
X30
X6801
X6802
X6803
X6804
X6805
X6806
X6807
X6808
X6809
X6810
X6811
X6812
X6813
X6814
X6815
Drawer Connector for Feeder×15
14
14
14
14
14
14
14
14
14
14
14
14
14
X68100B
Connection P.C.B FB
U68
Bundled Connector X30F,X30B
X68101
X68102
…
X101
X102
4GND
1
2
3
+24V
+24V
GND
9
8
5
6
7
13
10
11
12
S.GND
TXD
RXD
14
15
16FG
X01
X02
X03
X04
X05
OUT1
OUT2
IN1
IN2
IN3
X06
X07
X08
X09
X10
X11
X12
X13
X14
X15
4
3
2
1
GND
+24V
GND
+24V
X100
6
5
FG
77
80
79
78
73
76
75
74
9
8
7
6
OUT1
OUT2
IN1
IN2
IN3
X01:
X01:
X01:
X01:
X01:
OUT1
OUT2
IN1
IN2
IN3
X02:
X02:
X02:
X15:
X15:
OUT2
IN1
X15:
X15:
1
5
…
…
…
47
50
49
48
46
8
7
X01:
X01:
X01:
X02:
X02:
X15:
X15:
1
…
… …
S.GND
TXD
RXD
S.GND
TXD
TXD
RXD
1Ω7W
RLY
X16
9
8
5
6
7
4
1
2
3
+24V
+24v
GND
X01
GND
FG
13
10
11
12
S.GND
TXD
RXD
14
X02
X03
X04
X05
X06
X07
X08
X09
X10
X11
X12
X13
X14
X15
X6701
X6702
X6703
X6704
X6705
X6706
X6707
X6708
X6709
X6710
X6711
X6712
X6713
X6714
X6715
14
14
14
14
14
14
14
14
14
14
14
14
14
X68100A
U67
X67101
X67102
…
X101
X102
U69
80 5080 50
CN2
CN4
CN1
CN3
X6903
X6901
X6904
X6902
Cart Connection
Check
Pneumatic Hose
to U69-X1
Connection P.C.B FB
X6716 6
X31
X6816
A module
B module
D module
:4
:3
:6
:5
:8
:7
:10
:9
:12
:11
(12Pins)
(3Pins)
φ6
:4
:3
:2
:1
(12Pins)
I/O P.C.B
STLT_FB
[FB-/03/2D]
Drawer Connector for Feeder×15
Feeder Set Cable
Feeding Start 1
Feeding Start 2
Feeding Ready
Communication Ready
Feeder Connection Check

4-42
5OM-1752
1305-001-(31010WFB--1003)
送料器推车部 2
1 2 3 4 5 6 7 8
A
B
C
D
E
F
-
OUT
+
BR
BK
BL
B6910
Y6912
1
2
CN12
X6910
CN10
1
2
3
3
2
1
CN11
X6911
Inner I/O Circuit
X6915
1
2
CN15
X6918
1
2
CN18
X6919
1
2
CN19
3
2
1
CN13
B6913
3
2
1
CN14
X6914
3
2
1
CN16
X6916
3
2
1
CN17
X6917
X6905
1
2
CN5
3
4
5
6
Y6912
Feeder Clamping
Feeder Clamping(Upper Limit)
:6
:1
:10
:9
:8
:7
:2
:3
:4
:5
Bundled Connector X30F,X30B
10G
24G1,G2
X1
1
2
X69X1
7
9
6
8
FG
RTS
CTS
5
S.GND
4
3
TXD
2
RXD
1
1
3
2
6
X6906
X6908
CN6
CN8
U69
4
5
7
8
UP:RX+
UP:RX-
UP:TX+
UP:TX-
SG
High-speed I/O
RS232C
[FB/02/4A]
from X30A-3,4
UP
I/O PCB
STLT_FB
:11
:12
C module
(12Pins)