PTS-NXTG04-07.pdf - 第26页
Neg press ㈇ᅽ Pos press ṇᅽ (500KPa) Exhaust 排気 nozzle C nozzle D nozzle B nozzle A OPTION ⮬ືࣂࢵࢡࢵࣉࣆࣥᶵ⬟ Auto backup pin equipment 6 6 5 5 4 4 3 3 7 12 12 7 6 6…

G04F, G04 HEAD 5/
G04F, G04 ヘッド 5/
UH03123
No. Drg.No. & Code No. QTY Description Rating Remarks
番号 図番 & コード番号 個数 品名 規格 備考
1 2MGKHK008701 1 COVER, SIDE
カバー サイド
2 K70071 3 SCREW, C/R PAN
小ネジ 十穴鍋
SNZS-M2.5-3
3 2MGKHK008801 1 COVER, SIDE
カバー サイド
4 K70073 3 SCREW, C/R PAN
小ネジ 十穴鍋
SNZS-M2.5-6
5 2MGKHK008900 1 COVER
カバー
6 2MGKHK008601 1 COVER, SIDE
カバー サイド
7 K62149 3 SCREW, C/R FLAT
小ネジ 十穴平
M03X006ヒラトウH=0.6ヤキイレ(ニッケルメッキ)
8 2MGKHK008300 1 COVER, SIDE
カバー サイド
10 2MGKHK009000 1 PLUG
埋栓
25
PTS- NXTG04- 07

Neg press ㈇ᅽ
Pos press ṇᅽ(500KPa)
Exhaust 排気
nozzle Cnozzle D
nozzle B nozzle A
OPTION
⮬ືࣂࢵࢡࢵࣉࣆࣥᶵ⬟
Auto backup pin equipment
6
6
5
5
4
4
3
3
7
12
12
7
66
5
4
4
3
12
5
3
12
11
10
9
8
2
1
7
7
*)*࣊ࢵࢻ
G04F, G04 HEAD 6/
UH03123
26
PTS- NXTG04- 07

G04F, G04 HEAD 6/
G04F, G04 ヘッド 6/
UH03123
No. Drg.No. & Code No. QTY Description Rating Remarks
番号 図番 & コード番号 個数 品名 規格 備考
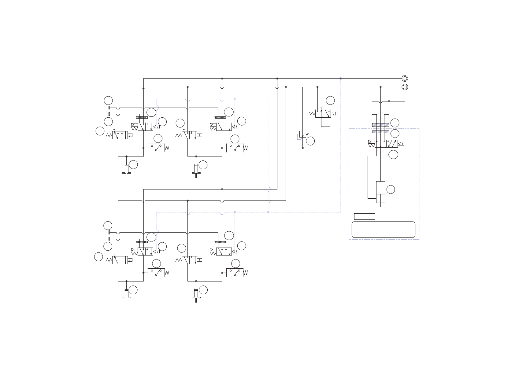
1 H11261 1 VALVE, SOL
バルブ SOL
V114A-5MR
2 2MGKHB006000 1 VALVE, PRESSURE REDUCING
バルブ 減圧
3 H1336Y 4 VALVE, SOL
バルブ SOL
SYJ324R-5G
4 H11229 4 VALVE, SOL
バルブ SOL
SY114A-5G
5 S40332 4 SENSOR, PRESSURE
センサ 圧力
PSE543-R06
6 PZ36721 4 FILTER
フィルタ
Consumable Parts
7 PZ36721 4 FILTER
フィルタ
Consumable Parts
8 H3176D 1 PLATE
プレート
SYJ3000-21-2A
9 PJ18141 1 PLATE, ACRYLIC
プレート アクリル
10 H1122X 1 VALVE, SOL
バルブ SOL
SYJ3140-5G
11 XS01844 1 CYLINDER
シリンダ
12 PJ21410 4 PLATE, ACRYLIC
プレート アクリル
27
PTS- NXTG04- 07