N7202A057B12(1)DX-partlist2.pdf - 第293页
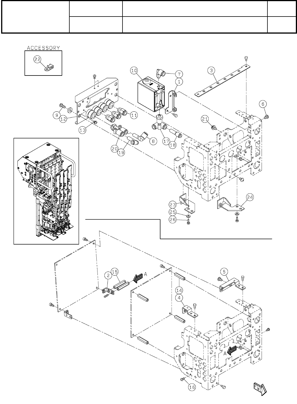
Ref No. Remarks R 1 Q'ty 17-B 4ノズルヘ ッド 4 Nozz le Head イラスト No. Part No. 品 名 品 番 数量 R 2 パーツリスト Kit No. キット品番 Kit Name キット名称 N610167833AA Part Nam e 備 考 セク ション No . PARTS LIST Section No. R 3 BRACKET 1 1 N210199398AB …

17-B
4ノズルヘッド
4 Nozzle Head
パーツレイアウト
Kit No.
キット品番
Kit Name
キット名称
N610167833AA
セクションNo.
PARTS LAYOUT
Section No.
--
O67
( KN610167833AA-12-2 )

Ref
No.
Remarks R
1
Q'ty
17-B
4ノズルヘッド
4 Nozzle Head
イラスト
No.
Part No.
品 名品 番 数量
R
2
パーツリスト
Kit No.
キット品番
Kit Name
キット名称
N610167833AA
Part Name
備 考
セクションNo.
PARTS LIST
Section No.
R
3
BRACKET
1
1 N210199398AB
BRACKET
2
2 MTPB002362AC
BRACKET
1
3 MTPB001159AC
BRACKET
1
4 MTPB002363AB
BRACKET
1
5 MTPB002364AB
BOLT
4
6 N510017534AA
SSS 003 Hexagon socket button head screw M4X6-10.9 A2J (Trivalent)
JOINT
1
7 N510066461AA KQ2L06-M5A
JOINT
1
8 N510066692AA KQ2L06-99A
BOLT
4
9 N510002011AA SRBS-M4X10
REGULATOR
1
10 MTNP000178AB ITV0030-2N-DIS00423
JOINT
3
11 N510067913AA FR6-01M
COUPLER
1
12 N510068803AA MA-MS10PF-4(CS38884-0)
SCREW
1
13 XYN3+J6FN
Cross recessed Pan head machine screw with SW & Small round-plain was
SPACER
4
14 N510064234AA ASL-325E
SPACER
2
15 N510062870AA ASL-330E
BOLT
6
16 N510000323AA
SSS 003 Hexagon socket button head screw M3X6-12.9 SOB
JOINT
1
17 MTNP000199AA KQ2D06-M5A
JOINT
1
18 N510066671AA KQ2R04-06A
JOINT
1
19 N510066792AA KQ2L04-06A
JOINT
1
20 N510067530AA KQ2U06-01AS
SCREW
1
21 XYN4+J6FN
Cross recessed Pan head machine screw with Spring washer & Small round
CLIP
14
22 KXF0BLPAA00 TA1S8-M
BRACKET
1
23 MTPB009651AA
BRACKET
1
24 MTPB009652AA
WASHER
4
25 MTNK000670AA UW-0308-10
BOLT
4
26 N510067764AA Low Head Cap Screw M3X6-8.8 A2J(Trivalent)
O68
--
( KN610167833AA-12-2 )

17-C
4ノズルヘッド
4 Nozzle Head
パーツレイアウト
Kit No.
キット品番
Kit Name
キット名称
N610167833AA
セクションNo.
PARTS LAYOUT
Section No.
--
O69
( KN610167833AA-12-3 )