N7202A057B12(1)DX-partlist2.pdf - 第69页
Ref No. Remarks R 1 Q'ty 10-D X軸:NPM-DX X-Ax is:NPM-DX イラスト No. Part No. 品 名 品 番 数量 R 2 パーツリスト Kit No. キット品番 Kit Name キット名称 MTKA002392AA Part Nam e 備 考 セク ション No . PARTS LIST Section No. R 3 STOPPER 8 1 N210109236AB…

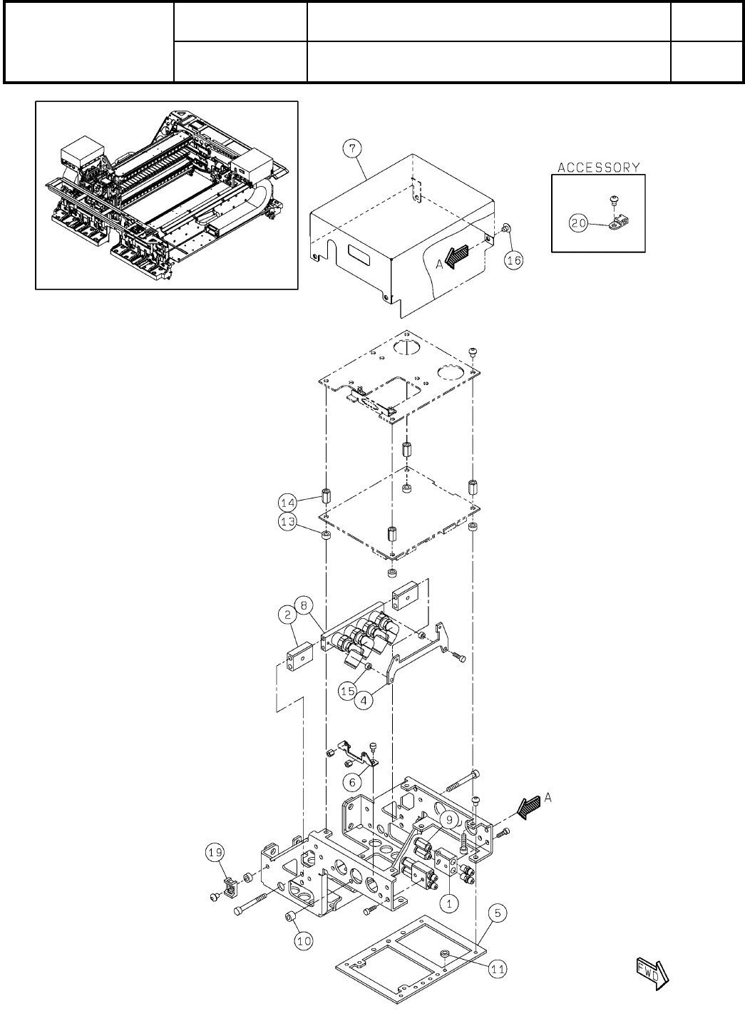
10-D
X軸:NPM-DX
X-Axis:NPM-DX
パーツレイアウト
Kit No.
キット品番
Kit Name
キット名称
MTKA002392AA
セクションNo.
PARTS LAYOUT
Section No.
--
S41
( KMTKA002392AA-13-4 )

Ref
No.
Remarks R
1
Q'ty
10-D
X軸:NPM-DX
X-Axis:NPM-DX
イラスト
No.
Part No.
品 名品 番 数量
R
2
パーツリスト
Kit No.
キット品番
Kit Name
キット名称
MTKA002392AA
Part Name
備 考
セクションNo.
PARTS LIST
Section No.
R
3
STOPPER
8
1 N210109236AB
PLATE
2
5 MTPB005911AC
COVER
2
6 N210198601AC
BRACKET
2
7 MTPB002282AH
X-PLATE
2
8 MTKP004561AC
FAN
2
9 MTND000069AA
S
109P0424N7D04
PIN
8
10 N510020608AA MMS5-15
PIN
4
11 N510040341AA MMSTH5-15
SPACER
8
12 N510044825AA 3382330-40075
BOLT
8
13 N510067770AA Low Head Cap Screw M3X20-8.8 A2J(Trivalent)
BOLT
4
14 MTNK000533AA
Hexagon socket head cap screw M3X6-10.9 A2J (Trivalent) (MEC process:
PIN
8
15 N510020589AA MMS3-8
BOLT
2
16 N510028457AA SRBS-M3X16
SPACER
2
17 N510062418AA CL-311E
SCREW
4
18 N510018434AA
Hexagon socket set screw Flat point M4X4-45H A2J (Trivalent)
SPACER
8
19 N510065911AA CL-515E
PLATE
2
20 MTKP004563AA
BRACKET
2
21 MTKP004562AA
S42
--
( KMTKA002392AA-13-4 )

10-E
X軸:NPM-DX
X-Axis:NPM-DX
パーツレイアウト
Kit No.
キット品番
Kit Name
キット名称
MTKA002392AA
セクションNo.
PARTS LAYOUT
Section No.
--
S43
( KMTKA002392AA-13-5 )