RC200-Manual-1.pdf
RC200 RADIAL C OAT VA LVE Version: 112 - 3616 Ope ration Manual 6 CORPORATE DRIVE HALFMOON, NY 12065 PHONE: 518 -3 71 -2 684 FAX: 518 -3 71 -2 688 info@pva.net www.pva.net
RC200
Front Closing Radial Coat Valve
Thank you for purchasing the RC200 dispensing valve from PVA. Before
attempting to operate the RC200, we recommend that you take a few minutes and read
the following operation and setup manual. This will assist in familiarizing you with the
product and ensure a successful installation.
As always, if any questions or problems arise, do not hesitate to contact PVA’s
Valve Service Department for support. This department can be reached at PVA
headquarters via telephone or e-mail.
Again, thank you for your purchase, and we look forward to assisting you in the
future as you continue to improve your dispensing processes.
Theory of Operation
The RC200 is designed to spray low viscosity fluids onto the inside walls of a
cylinder at a 90’ degree angle to where it was inserted. A front closing valve section
controls the start and stop of fluid while an air motor spins the nozzle at high rates to
spray the coating using centrifugal force onto the inside diameter of a cylinder.
The RC200 is comprised of two major sections. These include:
1) FC100-Module, Front closing valve section
2) Rotary Fluid Section with air motor
The FC100-Module section consists of an aluminum body with a simple
piston/cylinder combination used to open and close the valve with a stroke adjustment to
regulate flow. The fluid portion of this valve section includes a needle and seat
combination to start and stop the flow of coating.
The rotary portion of the fluid section contains a custom piston that allows fluid to
flow to the end where custom designed, interchangeable nozzles can be attached. The
custom designed nozzles will be made to fit certain diameter cylinders and contain a
specific nozzle orifice for determining coating thickness. As the valve opens to allow
fluid flow, the air motor will trigger on and spin the nozzle which will use centrifugal
force to apply coating to the inside diameter of the cylinder. Fluids typically include but
are not limited to low viscosity lubricants, coatings, solvents, water, etc.
Wetted parts on the RC200 include:
- 303, 304 stainless steel
- Teflon
- Kalrez

Safety
Due to material contents being under pressure eye protection is required for
operators. Refer to MSDS sheets on material being dispensed for other precautions.
Setup
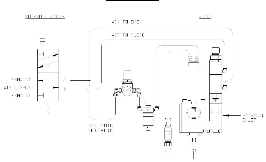
The RC200 requires a 2-position, 4-way air solenoid valve to actuate the air
section to open and close the valve. A precision air regulator and oil lubricator will be
connected in line to simultaneously activate the air motor. The valve should be operated
with clean, dry air between 60-100psi. Two #10-32 threaded air ports are located on the
air section of the FC100-Module and two 1/8”mnpt ports located on the air motor. The
port located furthest from the midsection of the FC100-Module is air to close the valve.
The port located closest to the mid-section of the FC100-Module is air to open the valve.
The air motor is marked with a forward and reverse control port to determine the direction
of rotation. Quick connect air fittings are typically supplied with the FC100 Module to fit
5/32” tubing while quick connect air fittings are supplied with the air motor to fit ¼”od
tubing. Note that the valve should be normally in the closed position.
Fluid is supplied to the RC200 valve through the 1/8”npt port located on the
stainless steel fluid section of the valve.
The muffler of the air motor should be run a distance several feet from the valve
to reduce noise in the work area. A small amount of air motor lubricant will be exhausted
from the muffler.
Single Solenoid
