RS-1-Rev00PDFA.pdf - 第88页
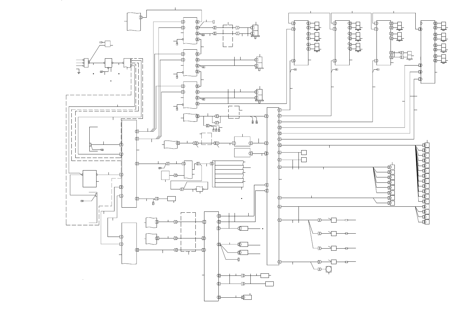
- 83 - 42. SYSTEM DI AGRAM (1) SYST EM DIA GRAM(1 ) CN A1 (S T) 200V (O P) TRANCE F ORMAR 2 15V,240V,380 V,400V,415V OC C X- MTR1 X -ENC4 FX AC 200 /215 /2 40V I NPU T : 4018 23 80 (3 0A ) AC 380 /400 /4 15V I NPU T : 40…

- 82 -
NOTE( 注記 ) #01....FOR FRONT OF THE MACHINE マシン前側用
#02....FOR REAR OF THE MACHINE マシン後側用
REF.NO NOTE PART NO D E S C R I P T I O N
品 名
Qty
1 401-83611 BUNK_SUPPORT_ASM
バンクサポート組
1
2 401-83147 BANK_SUP_B_L
バンク_ SUP_B_L
(1)
3 SL-6083092-TN SCREW M8 L=30
座金付き六角穴ボルト M 8 L =30
(4)
4 E2623-721-000 BANK LOCATE BUSH B
バンクロケートブッシュ B
(1)
5 401-83206 SCREW M8 L=60
六角穴ボルト M 8 L =60
(1)
6 401-83207 SCREW M8 L=70
六角穴ボルト M 8 L =70
(1)
7 WS-0820002-KN SPRING WASHER M8
ばね座金 M 8
(2)
8 WP-0841601-SC WASHER M8
平座金みがき丸 M 8
(2)
9 WP-0852086-SC WASHER M8
平座金
(2)
10 WS-0820002-KN SPRING WASHER M8
ばね座金 M 8
(2)
11 NM-6080001-SC NUT M8X1.25 TYPE1
六角ナット M8X1.25 1種
(2)
12 401-09098 BANK_SUP_A
バンク_ SUP _ A
(1)
13 SM-6104002-TP SCREW
六角穴ボルト
(4)
14 WS-1020002-KN SPRING WASHER M10
ばね座金 M 10
(4)
15 WP-1052001-SC WASHER 10
平座金みがき丸 M 10
(4)
16 401-83149 BANK_SUP_B_R
バンク_ SUP_B_R
(1)
17 SL-6083092-TN SCREW M8 L=30
座金付き六角穴ボルト M 8 L =30
(4)
18 E2623-721-000 BANK LOCATE BUSH B
バンクロケートブッシュ B
(1)
19 401-83206 SCREW M8 L=60
六角穴ボルト M 8 L =60
(1)
20 401-83207 SCREW M8 L=70
六角穴ボルト M 8 L =70
(1)
21 WS-0820002-KN SPRING WASHER M8
ばね座金 M 8
(2)
22 WP-0841601-SC WASHER M8
平座金みがき丸 M 8
(2)
23 WP-0852086-SC WASHER M8
平座金
(2)
24 WS-0820002-KN SPRING WASHER M8
ばね座金 M 8
(2)
25 NM-6080001-SC NUT M8X1.25 TYPE1
六角ナット M8X1.25 1種
(2)
26
#01
401-83612 GUIDE_RAIL_FL_ASM
ガイドレール FL 組
1
27
#02
401-83613 GUIDE_RAIL_RL_ASM
ガイドレール RL 組
1
28 401-83192 BANK_CONNECTOR_B_BR
バンクコネクタ_ B _ブラケット
(1)
29 401-83209 CONNECTOR_B_COVER
コネクタ B カバー
(1)
30
#01
401-83193 ROLLER_GUIDE_F
ローラガイド_ F
(1)
31 400-93852 ROLLER_GUIDE_SUPPORT_FL
ローラガイドサポート FL
(1)
32 SL-6040892-TN SCREW M4 L=8
座金付き六角穴ボルト M 4 L =8
(2)
33 SM-1051052-TN PLATE SCREW M5 L=10
皿ねじ M 5 L =10
(10)
34 SL-6051092-TN SCREW M5 L=10
座金付き六角穴ボルト M 5 L =10
(2)
35 SM-6030802-TN SCREW
六角穴ボルト
(2)
36 HX-0035400-0A SPACER
スペーサ
(2)
37 SL-6051292-TN SCREW M5 L=12
座金付き六角穴ボルト M 5 L =12
(3)
38 SM-3030552-TN SCREW M3 L=5
丸ねじ M 3 L =5
(2)
39 SM-4040601-SC SCREW M4X0.7 L=6
なべ小ねじ M4X0.7 L =6
(2)
40 HX-0029400-00 FIXED BASE
固定ベース
(2)
41 401-83203 BANK_CONNECTOR_A_BR
バンクコネクタ_ A _ブラケット
(1)
42 SM-4040601-SC SCREW M4X0.7 L=6
なべ小ねじ M4X0.7 L =6
(3)
43 HX-0029400-00 FIXED BASE
固定ベース
(3)
44 401-83191 BANK_CONNECTOR_B_SUPPORT_BR
バンクコネクタ_ B _サポートブラケット
(1)
45
#02
401-83205 ROLLER_GUIDE_R
ローラガイド_ R
(1)
46 SL-6082092-TN BOLT
座金付き六角穴ボルト
2

- 83 -
42. SYSTEM DIAGRAM (1)
SYSTEM DIAGRAM(1)
CN A1
(ST) 200V
(OP) TRANCE FORMAR
215V,240V,380V,400V,415V
OCC
X-MTR1
X-ENC4
FX
AC 200/215/240V INPUT : 40182380 (30A)
AC 380/400/415V INPUT : 40183383 (20A)
NOTE1
This MCCB'S P/N changes with specification
1-3C
2-1C
1-3C
FG
CN0607
CN0724
CN24
FAN
FAN
DC FAN
FIBER
T4 ORIG IN SENSOR
T4
FIBER
FIBER
FIBER
T3 ORIG IN SENSOR
T3
T2 ORIG IN SENSOR
T2
T1 ORIGIN SENSOR
T1
CN0707
CN7
CN0715
CN15
CN0716
CN16
VACUUM UN IT
Z8 VACUUM SENSOR
Z7 VACUUM SENSOR
Z6 VACUUM SENSOR
Z5 VACUUM SENSOR
Z4 VACUUM SENSOR
Z3 VACUUM SENSOR
Z2 VACUUM SENSOR
Z1 VACU UM SEN SOR
CN0711
CN11
Z8V
Z7V
Z7B
Z8B
Z8 VACUUM S.V.
Z7 VACUUM S.V.
Z8 BLOW S.V.
Z7 BLOW S.V.
NOZZLE UP
SENSOR
CN0709
NOZZLE UP
SENSOR
CN9
CN0708
CN8
VACUUM UNIT
Z6V
Z5V
Z4V
Z3V
Z2V
Z1V
Z6B
Z5B
Z4B
Z3B
Z1B
Z2B
Z6 VACUUM S.V.
Z5 VACUUM S.V.
Z4 VACUUM S.V.
Z3 VACUUM S.V.
Z2 VACUUM S.V.
Z1 VACUUM S.V.
Z6 BLOW S.V.
Z5 BLOW S.V.
Z4 BLOW S.V.
Z3 BLOW S.V.
Z2 BLOW S.V.
CN0710
Z1 BLOW S.V.
CN10
XY BEAR
CABLES
ASM
CN5
OCC
2-1C
2-1A
1-3C
CN0632
OCC-O1
OCC-A1
OCC-C1
CN0302
CN0405
CN0410
CN0309
CN006 0
CN0614
CN0601
CN0610
CN0005
CN2
IO CONTROL PCB
CN0717
CN0701
CN0615
CN0603
CN1
CN0606
CN0607-1
THERMAL
SENSOR P CB
NZLUPS.V.
HIGHT
MEASUREM ENT
SENSOR
CN0630CN0608
CN0612
OCC A PCB
OCC
LENS
OCC C PCB
CN0611A
CN6
CN7
CN8
CN4
CN5
IP-X11 PCB
CN3
CN5
CN12
CN10
CN11
CN17
HEAD MAIN PCB
CN1
CN0704LNC-3
CN4
LNC LAN
CN0714
LNC-2
CN14
ILLUMINATION
UNIT
LNC120-8
RJ45 RELAY
CONNECTOR
LNC-1
RJ45 RELAY
CONNECTOR
XY BEAR
CABLES
ASM
5-1A
1-3C
LAN3
LAN3
LNC
CN0713
TA CN5
CN5
CN13
CN19
XY BEAR
CABLES
ASM
TA CN6
CN6
CN0703
CN3
CN0723
CN23
YR-CN2
YL-CN2
Y SERVO MOTOR(YR)
YR MTR
YR CNENC
TA CNP1
CN2D
CNP2D
CN2C
CNP2C
CN2B
CNP2B
CN1B CN 2 A
CNP2A
CNP1
CN1A
T4 MOTO R
T3 MOTO R
T2 MOTO R
T1 MOTOR
TA DRIVER
CN A6
CN A6
CN B2
CN B2
CN A2
CN A2
CN A8CN A8
PS-ON
CN A3
CN A3
CN A9CN A9
E
FG
COVER
MTS PWR
CN A1
CPCI-CN1
BATT
BATTERY UNIT
FG
FG
(HEAD UNIT)
FX1-CN2
YL-CNP3
YR-CNP3
CN0720
CN07 22
CN072 1
ZCCNP1ZBCNP1ZACN P1
CN1A
CN0719
FYR-FG
FYL-FG
FX-FG
E
CONTROL UNIT
2-1A
2-1C
2-1B
2-1B
CN0043
FG
CN0074
CN0071
FG
POWER S UPPLY
UNIT B
CN43
FG(HEAD UNIT)FG(HEAD UNIT)
FG(HEAD UNIT)
FG
COVER
MTS PWR
CH1
POSITION BOARD
CN2C
CNP2C
CN2B
CNP2B
CN1B CN2A
CNP2A
CNP1
CN1A
CN2C
CNP2C
CN2B
CNP2B
CN1B CN2A
CNP2A
CNP1
CN1A
Z7,Z8,ZA DRIVERZ4,Z5,Z6 DRIVER
Z3 MOTOR
Z2 MOTOR
Z1 MOTOR
CN2C
CNP2C
CN2B
CNP2B
CN1B CN2 A
CNP2A
FGFG
FG
CN0070
CN22
CN21
CN20
HEAD R ELAY PCB
Z1,Z2,Z3 DRIVER
CNP1
CN1A
YL MTR
YL CNENC
X-MTR2
X1-MTR1
X-ENC5
Y BEAR
CABLES
ASM
X1-ENC4
X1-ENC1
CNP3
CN2
CN1B
CN1A
E
CNP2
CNP1
FG
CNP3
CN2
CN1B
CN1A
E
CNP2
CNP1
FG
CNP3
CN2
CN1B
CN1A
E
CNP2
CNP1
FG
YR SERVO DRIVER
YL SERVO DRIVER
X SERVO DRIVER
CN B3
CN B3
CN A5
INPUT
CN2003
FG
VACUUM PUMP
POWER
SUPPLY
UNIT B
1-2B
CN A1
CN A5
200V
CN A1
POWER
SUPPLY
UNIT A
TRA NSFORMER
CN2002
1-1B
MAIN SWITCH
FG
CN2001
CN A7CN A7
6SLOT CPCI B ACK BOARD
5-1A
1-2C
1-2D
1-1A
1-2B
BLANK
1-2C
ATX-P1
SURGE P ROTECTOR
FG
IO CONTROL
IP-X11
BLANK
POSITION BOARD
CPU BOA RD
AC IN
ATX UNIT
FG
INPUT
PE
NOISE FILT ER
MCCB
NOTE1
L3
L2
L1
1
2
3
4
5
6
7
8
X SERV O MO TOR
9
10
11
16
11
20
12 12
13
14
15
Y SE RVO MOTOR (YL)
15
17
18
19
POWER S UPPLY UNIT B
1-1D
21
22
23
24
25
26
27 28
34
29
30
31 32
MAIN SWITCH
33
35
36
37
38
39
40
41
42
43
44
21
50
48 49
71 72
23
47
68
69
33
45
46
59
CPU BOAR D
51
52
53
23
53
55
56
57
58
62 67
51
49
148
75
74
76
77
78 79 80 81
82
84
86
83
85
88
87
73
12
12
12
91
90 90 90
Z6 MOTOR
Z5 MOTOR
Z4 MOTOR
909090
91
91
Z8 MOTOR
Z7 MOTOR
90 90
ZA MOTOR
94
92
93
96969696
95
97
98
99
100
101 102
103
104
105
106
63
64
54
70
65 65 65 65
66 66 66 66
89
Z1 SENSOR
Z2 SENS OR
Z3 SENS OR
Z4 SENS OR
Z5 SENS OR
Z6 SENS OR
Z7 SENS OR
Z8 SENS OR
107
107
61
60

- 84 -
NOTE( 注記 ) #01....OPTIONAL PARTS オプション部品
REF.NO NOTE PART NO D E S C R I P T I O N
品 名
Qty
1 401-29648 POSITION BOARD
ポジションボード
1
2 401-29627 OPTICAL FIBER CABLE 1M
光ファイバケーブル1 M
1
3 401-29652 X AXIS DRIVER
X 軸ドライバ
1
4 401-82237 FX AMP-XY BEAR ENC CABLE ASM
FX AMP − XY ベア ENC ケーブル組
1
5 401-82234 FX AMP-Y BEAR PWR CABLE ASM
FX AMP − Y ベア電源ケーブル組
1
6 401-82273 Y BEAR CABLE
Y ベアケーブル
1
7 401-29148 X-MOTOR ENC CABLE ASM
X −モータ ENC ケーブル組
1
8 400-44546 X MTR PWR CABLE
X MTR 電源ケーブル
1
9 401-29653 X AXIS MOTOR
X 軸モータ
1
10 401-82256 FX AMP-FG WIRE ASM
FX AMP − FG ワイヤー組
1
11 401-29654 Y AXIS DRIVER
Y 軸ドライバ
1
12 401-29628 OPTICAL FIBER CABLE 0.15M
光ファイバケーブル0.15 M
1
13 400-45401 YL ENC CABLE ASM
YL ENC ケーブル組
1
14 401-82269 YL MOTOR CABLE ASM
YL モータケーブル組
1
15 401-46348 Y AXIS SERVO MOTOR
Y 軸モータ
1
16 401-82257 FYL AMP-FG WIRE ASM
FYL AMP − FG ワイヤー組
1
17 400-45403 YR ENC CABLE ASM
YR ENC ケーブル組
1
18 401-82270 YR MOTOR CABLE ASM
YR モータケーブル組
1
19 400-48070 OPTICAL FIBER CABLE 7M
光ファイバケーブル7 M
1
20 401-82258 FYR AMP-FG WIRE ASM
FYR AMP − FG ワイヤー組
1
21 401-83536 POWER SUPPLY UNIT B ASM
電源ユニット B 組
1
22 401-82243 EU TOP-F XY BEAR AMP PWR CABLE ASM
EU TOP − F XY ベア アンプ 電源ケーブル組
1
23 401-82272 XY BEAR CABLE
XY ベアケーブル
1
24 401-33060 XY BEAR AMP PWR-FG WIRE ASM
XY ベア− FG ワイヤー組
1
25 401-28874 HEAD RELAY PCB ASM
ヘッドリレー基板組
1
26 401-29262 AC INPUT SURGE PROTECTOR ASM
AC 入力サージプロテクタ組
1
27 401-82266 BREAKER-NF WIRE ASM
BREAKER − NF ワイヤー組
1
28
#01
401-83498 BREAKER-NF WIRE ASM
BREAKER − NF ワイヤー組
1
29 401-82379 NOISE FILTER
ノイズフィルタ
1
30
#01
HN-0040100-00 NOISE FILTER
ノイズフィルタ
1
31 401-83393 NF-SW WIRE ASM
NF − SW ワイヤー組
1
32
#01
401-29302 NF-SW WIRE ASM
NF − SW ワイヤー組
1
33 HA-0065500-00 SWITCH
スイッチ
1
34 401-28954 NF-FG WIRE ASM
NF − FG ワイヤー組
1
35 401-58154 SW-TF/MTS WIRE ASM2
SW − TF / MTS 束線組2
1
36 401-82231 MS-ELECTRICAL UNIT CABLE ASM
MS − ELECTRICAL ユニットケーブル組
1
37 401-83500 MTS PWR CABLE ASM
MTS 電源ケーブル組
1
38 401-83535 POWER SUPPLY UNIT A ASM
電源ユニット A 組
1
39 401-82229 CN A5-X/YL/YR CNP1 CABLE ASM
CN A5−X/YL/YR CNP 1ケーブル組
1
40 401-82230 CN A3-AMP CNP2 CABLE ASM
CN A 3− AMP CNP 2ケーブル組
1
41 401-83386 TRANSFORMER
トランス
1
42 401-83414 TRANS-EU CABLE ASM
TRANS − EU ケーブル組
1
43 401-82214 ELE UNIT CN A2-CN B3 CABLE ASM
ELE ユニット CN A 2− CN B 3ケーブル組
1
44 401-82232 EU CN A6-EU CN B2 CABLE ASM
EU CN A 6− EU CN B 2ケーブル組
1
45 401-82255 EU TOP-ATX RELAY CABLE ASM
EU TOP − ATX 中継ケーブル組
1
46 EZ-1756647-11 BATTERY PACK (BS06A-H24/2.5L)
バッテリーパック(BS 06A−H24/2.5 L)
1
47 401-82264 VACUUM PUMP RELAY WIRE ASM
真空ポンプ中継ワイヤー組
1
48 401-33294 IP-X11 SET GEN ASM
IP−X11 汎用機 セット組図
1
49 401-28871 IO CONTROL PCB ASM
IO コントロール基板組
1
50 401-82240 EU TOP-F XY BEAR HDM PWR CABLE
EU TOP − F XY ベア HDM 電源ケーブル組
1
51 401-23242 CPU BOARD
CPU ボード
1
52 401-36338 LAN CABLE 5M
LAN ケーブル 5 M
1
53 HK-0849200-80 CONNECTOR
コネクタ
1
54 401-82221 HDR-Z VAC SENSOR CABLE ASM2
HDR − Z VAC センサケーブル組2
1
55 401-82216 LNC LAN CABLE ASM
LNC LAN ケーブル組
1
56 401-82791 LNC120-8
LNC 120−8
1
57 401-82217 LNC ENCODER CABLE ASM
LNC エンコーダケーブル組
1
58 401-82218 HDR-LNC LED CABLE ASM
HDR − LNC LED ケーブル組
1
59 401-86497 ATX RELAY-ATX 250V CABLE ASM
ATX RELAY − ATX 250 V ケーブル組
1
60 EZ-1468979-11 POWER (ENSP-300P-S20-11S)
電源(ENSP −300P−S20−11 S)
1
61 401-72724 ATX-CPCI WIRE ASM3
ATX − CPCI 束線組3
1
62 401-83537 CTRL_UNIT_ASM
コントロールユニット組
1
63 401-82220 HDR-SV CABLE ASM2
HDR − SV ケーブル組2
1
64 401-82558 CN0707 - T1/T2/T3 ORIGIN CABLE ASM
CN 0707 − T 1/ T 2/ T 3原点ケーブル組
1
65 401-82560 T1/T2/T3/T4 ORIGIN SENSOR ASM
T 1/ T 2/ T 3/ T 4原点センサ組
1
66 401-83385 FIBER UNIT 2M
ファイバーユニット 2 M
1
67 401-72512 CPCI BACK BOARD 6SLOT
CPCI バックボード6スロット
1
68 401-29244 VACUUM PUMP ASM
真空ポンプ組
1
69 401-82233 ATX-SW CABLE ASM
ATX − SW ケーブル組
1
70 401-82559 CN0724 - T4 ORIGIN CABLE ASM
CN 0724 − T 4原点ケーブル組
1
71 401-82238 IPX-F XY BEAR CAMERA CABLE ASM
IPX − F XY ベアカメラケーブル組
1
72 401-82239 IO-F XY BEAR SERIAL CABLE ASM
IO − F XY ベアシリアルケーブル組
1
73 401-28873 HEAD MAIN PCB ASM
ヘッドメイン基板組
1
74 401-82241 HDM-HDR SERIAL CABLE ASM
HDM − HDR シリアルケーブル組
1
75 401-29105 HDM-HDR PWR CABLE ASM
HDM − HDR 電源ケーブル組
1
76 401-29102 HDM-OCC L CABLE ASM
HDM − OCC L ケーブル組
1
77 401-29273 HDM-OCC LIGHT L CABLE ASM
HDM − OCC ライト L ケーブル組
1
78 401-29639 OCC
OCC
1
79 401-29640 OCC LENS
OCC レンズ
1
80 401-28879 OCC C PCB ASM
OCC C 基板組
1
81 401-28878 OCC A PCB ASM
OCC A 基板組
1
82 401-29106 HDM-HMS L RELAY CABLE ASM
HDM − HMS L 中継ケーブル組
1
83 401-29108 HMS CABLE ASM
HMS ケーブル組
1
84 401-85429 NZL-UP SV EXTENSION CABLE ASM
NZL − UP SV 延長ケーブル組
1
85 401-83349 NZL-UP SV CABLE ASM
NZL − UP SV ケーブル組
1
86 401-86318 HDM-TMP SENSOR CABLE ASM
HDM − TMP センサケーブル組
1
87 401-28883 THERMAL SENSOR PCB ASM
サーマルセンサ基板組
1
88 HD-0030600-00 SENSOR
センサ
1
89 401-19461 HEAD FAN MOTOR A ASSY
頭部ファンモータ A 組
1
90 401-36334 SERVO MOTOR 30W
サーボモータ 30 W
1
91 EZ-1492148-11 AMPLIFIER SERVO
サ−ボ アンプ (MR − MD 212− S 016)
1
92 401-82565 ZC CN2A CABLE ASM
ZC CN 2 A ケーブル組
1
93 401-82563 ZC CNP2A CABLE ASM
ZC CNP 2 A ケーブル組
1
94 401-87431 SERVO MOTOR 30W
サーボモータ 30 W
1
95 401-29650 4AXIS INTEGRAL TYPE T AXIS DRIVER
4軸一体型 T 軸ドライバ
1
96 401-36335 SERVO MOTOR 30W
サーボモータ 30 W
1
97 401-82252 HDR-ZA AMP PWR CABLE ASM
HDR − ZA アンプ電源ケーブル組
1
98 401-82253 HDR-ZB AMP PWR CABLE ASM
HDR − ZB アンプ電源ケーブル組
1
99 401-82254 HDR-ZC AMP PWR CABLE ASM
HDR − ZC アンプ電源ケーブル組
1
100 401-82222 HDR-TA AMP PWR CABLE ASM
HDR − TA アンプ電源ケーブル組
1
101 401-82250 TAMP-HDR SERIAL CABLE ASM
TAMP − HDR シリアルケーブル組
1
102 401-82215 TA CN5-CN0713 CABLE ASM
TA CN 5− CN 0713ケーブル組
1
103 401-82251 HDR-SV CABLE ASM
HDR − SV ケーブル組
1
104 401-33002 NZL UP SENSOR 6T L CABLE ASM
ノズルアップセンサ(6 TL)ケーブル組
1
105 401-33003 NZL UP SENSOR 6T R CABLE ASM
ノズルアップセンサ(6 TR)ケーブル組
1
106 401-82267 HDR-Z VAC SENSOR CABLE ASM
HDR − Z VAC センサケーブル組
1
107 401-82489 VACCUM_UNIT
バキュームユニット
1