RS-1-Rev00PDFA.pdf - 第94页
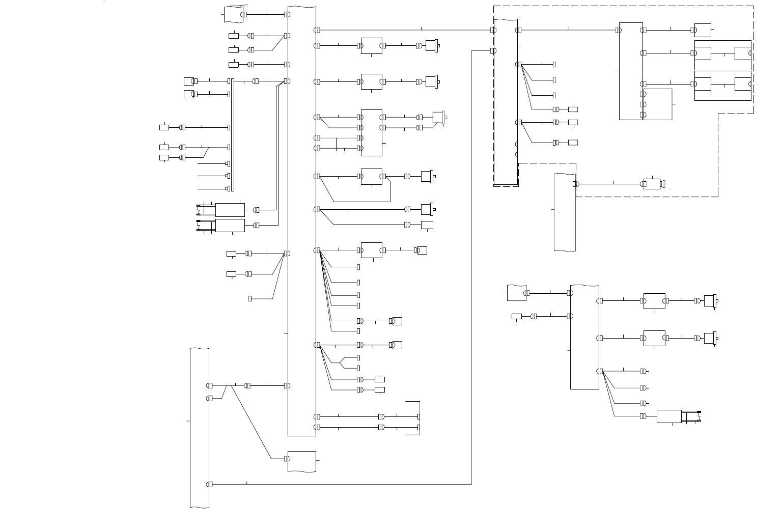
- 89 - 45. SYSTEM DI AGRAM (4) SYST EM DIA GRAM(4 ) (FRON T SIDE) (B ACK SIDE) C OUT SME MA IDLE DI R CN 11 30 CN 30 3 -2D OL MOTOR OL DR I VER(2PHASE) (F RONT SIDE) 4-1A CO NVEY OR P CB ( L) (BACK SIDE) CO UT SENS OR AM…

- 88 -
REF.NO NOTE PART NO D E S C R I P T I O N
品 名
Qty
1 401-28871 IO CONTROL PCB ASM
IO コントロール基板組
1
2 401-29323 IO-R BKR SERIAL CABLE ASM
IO − R BKR シリアルケーブル組
1
3 401-28872 SAFETY PCB ASM
セーフティー基板組
1
4 401-82246 R BKR-SF CABLE ASM
R BKR − SF ケーブル組
1
5 401-82245 SF-YR TOP SENSOR RELAY CABLE ASM
SF − YR トップセンサ中継ケーブル組
1
6 401-65028 XY LMT SENSOR ASM
XY LMT センサ組
1
7 400-02254 COVER OPEN SW CABLE ASM
カバーオープンスイッチケーブル組
1
8 401-46405 COVER LOCK SV ASM
カバーロック SV 組
1
9 401-29010 MINI SIGNAL TOWER CABLE ASM(OP)
ミニシグナルタワーケーブル組
1
10 401-82268 MTS I/F CABLE ASM
MTS I / F ケーブル組
1
11 401-84212 MTS I/F CABLE2 ASM
MTS I / F ケーブル2組
1
12 401-29336 MTS I/F BR CABLE ASM
MTS I / F ブラケットケーブル組
1
13 401-28875 CONVEYOR PCB ASM
搬送基板組
1
14 EZ-1755690-11 RELAY POWER (RJ1S-CLD-D24)
リレーパワー (RJ1S−CLD−D24)
1
15 EZ-1755691-11 SOCKET RELAY (SJ1S-05B)
ソケットリレー(SJ1S−05B)
1
16 401-83536 POWER SUPPLY UNIT B ASM
電源ユニット B 組
1
17 401-84213 MTS I/F CABLE3 ASM
MTS I / F ケーブル3組
1
18 EZ-1755690-11 RELAY POWER (RJ1S-CLD-D24)
リレーパワー (RJ1S−CLD−D24)
1
19 EZ-1755691-11 SOCKET RELAY (SJ1S-05B)
ソケットリレー(SJ1S−05B)
1
20 401-28876 E BANK RELAY PCB ASM
E バンクリレー基板組
1
21 401-29247 F EBKR FG CABLE ASM
F EBKR FG ケーブル組
1
22 401-82296 EBKR-OUT LOADER SERIAL CABLE ASM2
EBKR − OUT ローダシリアルケーブル組2
1
23 401-82248 R BKR EU TOP PWR CABLE ASM
R BKR EU トップ電源ケーブル組
1
24 401-83349 NZL-UP SV CABLE ASM
NZL − UP SV ケーブル組
1
25 401-82226 CN B4/B5-CN1341/1441 CABLE ASM
CN B 4/ B 5− CN 1341/1441ケーブル組
1
26 401-84380 CN1307/1407 - CN1344/1444 CABLE ASM
CN 1307/1407 − CN 1344/1444ケーブル組
1
27 401-84107 CN1443/1444 - RL4_6/10 CABLE ASM
CN 1443/1444 − RL 4_6/10ケーブル組
1
28 HB-0018100-00 RELAY
リレー
1
29 HB-0004800-10 RELAY
リレ− ソケット
1
30 HB-0002100-10 RELAY HOLOER PYC-A1
リレ−保持金具
1
31 401-85779 BKR-FD FLOAT E CABLE ASM
BKR − FD フロート E ケーブル組
1
32 401-81501 SEPARATE SENSOR RECEIVER ASM
セパレートセンサ_受光組
1
33 401-81502 SEPARATE SENSOR EMISSION ASM
セパレートセンサ_投光組
1
34 401-82265 BKR-FD FLOATLEFT E CABLE ASM
BKR − FD フロートレフト E ケーブル組
1
35 401-82818 BKR-BANK AIR SW RELAY CABLE ASM
BKR − BANK エアスイッチ中継ケーブル組
1
36 401-29082 R BKR-OPSW RELAY CABLE ASM
R BKR − OPSW リレーケーブル組
1
37 401-29021 START SW CABLE ASM
スタートスイッチケーブル組
1
38 HA-0055200-40 SWITCH
スイッチ
1
39 HA-0055200-30 SWITCH
スイッチ
1
40 HA-0055200-1B SWITCH
スイッチ
1
41 401-29022 STOP SW CABLE ASM
ストップスイッチケーブル組
1
42 HA-0055200-40 SWITCH
スイッチ
1
43 HA-0055200-30 SWITCH
スイッチ
1
44 HA-0055200-10 SWITCH
スイッチ
1
45 401-29023 CONSOLE SW CABLE ASM
コンソールスイッチケーブル組
1
46 HA-0055200-40 SWITCH
スイッチ
1
47 HA-0055200-30 SWITCH
スイッチ
1
48 HA-0055200-1C SWITCH
スイッチ
1
49 HA-0053400-70 SWITCH
スイッチ
1
50 401-29151 R BKR-AIR(N) RELAY CABLE ASM
R BKR − AIR(N)中継ケーブル組
1
51 401-29080 AIR(N) SENSOR CABLE ASM
エア(N) センサケーブル組
1
52 401-82228 E BANK SERIAL CABLE ASM
E バンクシリアルケーブル組
1
53 401-69473 BANK ID PCB (RF) ASM
バンク ID 基板(RF)組
1
54 401-82213 BANK CABLE (IFS-NX) ASM
バンクケーブル (IFS − NX)組
1
55 401-82211 BANK CABLE (EXT-POW) ASM
バンクケーブル (EXT − POW)組
1
56 400-84835 CUT OPEN SENS ASM
カッターオープンセンサ組
1
57 400-84839 CUT CLOSE SENS ASM
カッタークローズセンサ組
1
58 400-84836 CUT SV CABLE ASM
カッター SV ケーブル組
1
59 401-82212 E BANK PCB-E CUTTER IF CABLE ASM
E バンク PCB − E カッター IF ケーブル組
1
60 401-83784 ELEC BANK R-SIDE PCB ASM
ELEC バンク R − SIDE 基板組
1
61 401-82198 BANK CABLE (33_34-EB2 CN3) ASM
バンクケーブル (33_34− EB 2 CN 3)組
1
62 401-82199 BANK CABLE (35_36-EB2 CN4) ASM
バンクケーブル (35_36− EB 2 CN 4)組
1
63 401-82200 BANK CABLE (37_38-EB2 CN5) ASM
バンクケーブル (37_38− EB 2 CN 5)組
1
64 401-82201 BANK CABLE (39_40-EB2 CN6) ASM
バンクケーブル (39_40− EB 2 CN 6)組
1
65 401-82202 BANK CABLE (41_42-EB2 CN7) ASM
バンクケーブル (41_42− EB 2 CN 7)組
1
66 401-82203 BANK CABLE (43_44-EB2 CN8) ASM
バンクケーブル (43_44− EB 2 CN 8)組
1
67 401-82204 BANK CABLE (45_46-EB2 CN9) ASM
バンクケーブル (45_46− EB 2 CN 9)組
1
68 401-82205 BANK CABLE (47_48-EB2 CN10) ASM
バンクケーブル (47_48− EB 2 CN 10)組
1
69 401-82206 BANK CABLE (49_50-EB2 CN11) ASM
バンクケーブル (49_50− EB 2 CN 11)組
1
70 401-82207 BANK CABLE (51_52-EB2 CN12) ASM
バンクケーブル (51_52− EB 2 CN 12)組
1
71 401-82208 BANK CABLE (53_54-EB2 CN13) ASM
バンクケーブル (53_54− EB 2 CN 13)組
1
72 401-82209 BANK CABLE (55_56-EB2 CN14) ASM
バンクケーブル (55_56− EB 2 CN 14)組
1
73 401-82210 CAN JAMPER CABLE ASM
CAN ジャンパーケーブル組
1
74 401-83783 ELEC BANK L-SIDE PCB ASM
ELEC バンク L − SIDE 基板組
1
75 401-82182 BANK CABLE (1_2-EB1 CN3) ASM
バンクケーブル (1_2− EB 1 CN 3)組
1
76 401-82183 BANK CABLE (3_4-EB1 CN4) ASM
バンクケーブル (3_4− EB 1 CN 4)組
1
77 401-82184 BANK CABLE (5_6-EB1 CN5) ASM
バンクケーブル (5_6− EB 1 CN 5)組
1
78 401-82185 BANK CABLE (7_8-EB1 CN6) ASM
バンクケーブル (7_8− EB 1 CN 6)組
1
79 401-82186 BANK CABLE (9_10-EB1 CN7) ASM
バンクケーブル (9_10− EB 1 CN 7)組
1
80 401-82187 BANK CABLE (11_12-EB1 CN8) ASM
バンクケーブル (11_12− EB 1 CN 8)組
1
81 401-82188 BANK CABLE (13_14-EB1 CN9) ASM
バンクケーブル (13_14− EB 1 CN 9)組
1
82 401-82189 BANK CABLE (15_16-EB1 CN10) ASM
バンクケーブル (15_16− EB 1 CN 10)組
1
83 401-82190 BANK CABLE (17_18-EB1 CN11) ASM
バンクケーブル (17_18− EB 1 CN 11)組
1
84 401-82191 BANK CABLE (19_20-EB1 CN12) ASM
バンクケーブル (19_20− EB 1 CN 12)組
1
85 401-82192 BANK CABLE (21_22-EB1 CN13) ASM
バンクケーブル (21_22− EB 1 CN 13)組
1
86 401-82193 BANK CABLE (23_24-EB1 CN14) ASM
バンクケーブル (23_24− EB 1 CN 14)組
1
87 401-82194 BANK CABLE (25_26-EB1 CN15) ASM
バンクケーブル (25_26− EB 1 CN 15)組
1
88 401-82195 BANK CABLE (27_28-EB1 CN16) ASM
バンクケーブル (27_28− EB 1 CN 16)組
1
89 401-82196 BANK CABLE (29_30-EB1 CN17) ASM
バンクケーブル (29_30− EB 1 CN 17)組
1
90 401-82197 BANK CABLE (31_32-EB1 CN18) ASM
バンクケーブル (31_32− EB 1 CN 18)組
1
91 401-86335 FEEDER AIR BLOW CABLE ASM
フィーダエアブローケーブル組
1
92 HE-0005700-00 INDICATOR LAMP
ランプ
1
93 401-69048 MPC-CAN
MPC − CAN
1
94 401-29126 HUB-MTS SERIAL WIRE ASM(IS)
HUB − MTS シリアルワイヤー組
1
95 401-87771 MPC CABLE ASM(RS-1)
MPC ケーブル組(RS −1)
1
96 401-29025 EMG SW CABLE ASM
EMG スイッチケーブル組
1

- 89 -
45. SYSTEM DIAGRAM (4)
SYSTEM DIAGRAM(4)
(FRONT SIDE)
(BACK SIDE)
COUT
SMEMA
IDLE
DIR
CN1130
CN30
3-2D
OL MOTOR
OL DRI VER(2PHASE)
(FRONT SIDE)
4-1A
CONVEYOR PCB (L)
(BACK SIDE)
COUT SENSOR
AMP
CN1129
CN29
STOP SENS
MECHANICAL
STOPPER SENSOR
CN6
CN31
CN1106 CN1152
CN1
CN3
CN1153
CN 1161
CN11 31 CN 1150
CN1
CN3
CN1128
CN28
CN 1151
CL DRIVER(2PHASE)
C N1160
CL MOTOR
CN0307
CN7
IO CO NT RO L PCB
LIGHT UP
SENSOR
LIGHT DOWN
SENSOR
CN1230
CN1240
CN2009
CN9
LIGHT SV
LI GHT S.V.
CN18
4-4C
CONVEYOR PCB (L)
L/R-STOP SV
3-1D
OR MOTOR
OR DR IVER(2PHASE)
CN1 118
CN0013
CN13
CN1091
(FRONT SIDE)
VCS OPTION
4-3C
L-STOP SENS
STO PPER SV
L-STOP SV
CN3
CN1
CN2
VCS
(STANDARD)
(1
3M pixels)
IP-X11 PCB
3-1D
SMEMA
SMEMA
5-3A
3-3A
5-1A
2-1D
3-1A
ATC SV
CAL VAC
CN1078- 8 SME MA
CN107 8-7 DIR
CN1078-6 IDLE
CN1078-S5
CN1078-S4
BU CNG(R)
BU CNG(L)
CN1078-2
CN1078-1
CN1096
CN1095
FLUXER 2P
FLUXER 4P
CN0018
CN18
S COAXI AL
LIGHT P CB
CN4
CN3
CN2
CN 1
SIDE C N1
CN 1
SIDE LIG HT A SM
CN6
VCS CN9
CN 1
SIDE C N1
CN 1
SIDE LIG HT A SM
CN5
VCS CN9
BACK CN1
CN 1
BACK LI GH T PCB
CN7
BOTTOM CN9
BOTTOM LIGHT PCB
VCS CN1
CN1
VCS S V
CN474
CN475
CN7
CN11
CN4
CN2004
LIGHT CTRL PCB( F)
CN2010
CN10
CN5
CN2005
CN2001
CN1
CN27
CN1027
CN16
CN 1016
CN19
CN 1019
SMEMA R SIDE
SMEMA L SIDE
COVER
CN26
CN1026
BU LOCK
BU CHANG E
SENSOR(R)
CN1074
CN1073
BU CHANG E
SENSOR(L)
CN25
CN1025
ATC SENSOR CLOSE
CN1088
ATC SENSOR OPEN
CN1087
CN1089
AT C1 S.V.
CN24
CN1024
CN1088
CN1087
CN1083
CAL VAC UUM S.V .
CN1082
CN1
CN2
CN1095
CAL BLOCK PCB
C N1081
(BACK SIDE)
WAIT SENSOR 1
AMP
WAIT1
WAIT2
WAIT SENSOR 2
AMP
BU PIN DETECT
SENSOR (E MI )
CN443
BU PIN DETECT
SENSOR (R EC )
CN444
SIDE SENSOR(L)
CN107 2
BU CHANGE S.V.(R)
BU CHANGE S.V.(L)
CN14
CN1014
C N 10 79
CN30
CN1030
CAL VACUUM SENSOR
C N 10 67
ORG SENSOR(B U)
CN1029
CN29
C N 10 65
SI DE SENSOR(R)
CN2
CN 1002
ORG S EN SO R(AWC)
CN1066
CN658
AWC ENCODER
CN4
CN 1004
CN1057
CN1
CN2
CN1058
5PHASE AWC DRIVER
CN1059
AWC MOTOR
BU MOTOR
CN1063
CN7
CN 1007
C N11
CN1011
CN8
CN 1008
BU SERVO DRIVER
CN5
CN3
CN1062
CN1062
CN8
CN1056
CN1
CN1055
CN2
CN1054
CN7
CN6
CN31
CN1006
CN1052
CN1
CN3
CN1053
CN1 061
CN1031 CN1050
CN1
CN3
CN1018
CN18
CN1028
CN28
CN1051
CR DRIVER(2 PHASE)
CN1060
CR MOTOR
CN0303
CN0016
POWER SUPPLY UNIT B
CN16
CN3
IO CO NT ROL PCB
1
2
3 4 5
6 7 12
11
SBL1
-PANEL
SBL1
SB1
8 9
16 17
CONVEYOR PCB (R)
314 15
181920
21
22
21
22
25
25
27
26
30
32
31
33
34
35
34
36
38 38
36
37 37
39 39
43
40
46
45
42
44
41
49 51
52
47
50
48
53
55
54
56
58
57
M STOPPER[L] S.V.
59 59
60 62
61 61
63
64
65
66
67 68 68
10
75
76
69
70 72 72
74
71
73 73
1
28
29
13
34
36 36 23
38 38
3737
39 39
242424
25
22
21
26

- 90 -
REF.NO NOTE PART NO D E S C R I P T I O N
品 名
Qty
1 401-28871 IO CONTROL PCB ASM
IO コントロール基板組
1
2 401-82259 IO-R CNV SERIAL CABLE ASM
IO − R CNV シリアルケーブル組
1
3 401-29046 SIDE SENSOR CABLE ASM
サイドセンサケーブル組
1
4 401-29042 AWC/BU ORG SENSOR CABLE ASM
AWC / BU 原点センサワイヤー組
1
5 401-29080 AIR(N) SENSOR CABLE ASM
エア(N) センサケーブル組
1
6 401-82336 SIDE(R)/BU-ORG CABLE ASM
SIDE(R)/ BU − ORG ケーブル組
1
7 401-29256 CONVEYOR(F)-CAL VAC(S/R) CABLE ASM
搬送(F)− CAL VAC(S / R)ケーブル組
1
8 401-29051 BU CHANGE L SV CABLE ASM
BU チェンジ L SV ケーブル組
1
9 401-29052 BU CHANGE R SV CABLE ASM
BU チェンジ R SV ケーブル組
1
10 401-33294 IP-X11 SET GEN ASM
IP − X 11 汎用機 セット組図
1
11 400-47908 SBL2 CABLE ASM
センサブロック L 2束線組
1
12 401-82337 CNV RELAY CABLE ASM
CNV リレーケーブル組
1
13 401-56968 STOPPER SENSOR ASM
ストッパセンサ組
1
14 401-61237 BU PIN RECEIVE SENS ASM
BU ピン受光センサ組
1
15 401-61236 BU PIN EMISSION SENS ASM
BU ピン投光センサ組
1
16 401-82338 SIDE SENSOR(L) CABLE ASM
サイドセンサ(L)ケーブル組
1
17 401-82339 BU PIN DETECT SENSOR CABLE ASM
BU ピン検出センサケーブル組
1
18 401-29056 CNV AUTO SET1 WIRE ASM
CNV オートセット1 ワイヤー組
1
19 401-29059 CNV AUTO SET2 WIRE ASM
CNV オートセット2 ワイヤー組
1
20 401-29060 CNV AUTO SET3 WIRE ASM
CNV オートセット3 ワイヤー組
1
21 401-82350 FIBER SENSOR
ファイバセンサ
1
22 HD-0010700-30 SENSOR
センサ
1
23 401-82334 CNV AUTO SET CABLE ASM
CNV オートセットケーブル組
1
24 401-82335 SHORT CONNTCTOR ASM
ショートコネクタ組
1
25 401-29061 STOP SENSOR CABLE ASM
ストップセンサケーブル組
1
26 401-29048 BU CHANGE CABLE ASM
BU チェンジケーブル組
1
27 401-82341 BU UNIT SENSOR RELAY CABLE ASM
BU ユニットセンサリレーケーブル組
1
28 401-82333 IO-L CNV SERIAL CABLE ASM
IO − L CNV シリアルケーブル組
1
29 401-82346 STOP SENS CABLE ASM
STOP センサケーブル組
1
30 401-83536 POWER SUPPLY UNIT B ASM
電源ユニット B 組
1
31 401-82328 CNV PWR CABLE ASM
CNV 電源ケーブル組
1
32 401-82329 CNV PWR RLY CABLE ASM
CNV 電源リレーケーブル組
1
33 401-33013 LIGHT CONTROL F POWER ASM
ライトコントロール F 電源ケーブル組
1
34 401-28875 CONVEYOR PCB ASM
搬送基板組
1
35 401-82343 LTCTL SERIAL CABLE ASM
LTCTL シリアルケーブル組
1
36 401-82344 MOTOR DRIVER CABLE ASM
モータドライバケーブル組
1
37 401-54209 2PHASE DRIVER PCB ASM
2相ドライバ基板組
1
38 401-82330 MOTOR CABLE ASM
モータケーブル組
1
39 401-58136 2PHASE STEPPING MOTOR
2相ステッピングモータ
1
40 401-29035 BU AXIS CONTROL CABLE ASM
BU 軸 コントロールケーブル組
1
41 401-29636 BU AXIS SERVO AMP
BU 軸サーボドライバ
1
42 401-82332 BU MOTOR POWER CABLE ASM
BU モータ電源ケーブル組
1
43 401-29637 BU AXIS SERVO MOTOR
BU 軸サーボモータ
1
44 401-82327 BU MOTOR ENCODER CABLE ASM
BU モータエンコーダケーブル組
1
45 401-29036 BU AXIS POWER CABLE ASM
BU 軸 電源ケーブル組
1
46 401-82331 BU AXIS ENCODER CABLE ASM
BU 軸 エンコーダケーブル組
1
47 401-29039 AWC MOTOR(S)CABLE ASM
AWC モータ(S)ケーブル組
1
48 HM-0013200-00 STEPPING MOTOR
モータドライバ
1
49 401-29040 AWC MOTOR ASM
AWC モータ組
1
50 401-29041 AWC ENC/ORG RELAY(S)CABLE ASM
AWC ENC / ORG リレー(S)ケーブ
ル組
1
51 E9433-729-0A0 BU ENC ASM.
BU ENC 組
1
52 401-29002 NEAR SENSOR CABLE ASM
ニアセンサケーブル組
1
53 401-56965 L-STOPPER RELAY CABLE ASM
L ストッパリレーケーブル組
1
54 400-07376 CALBLOCK PCB ASM
CAL ブロック基板組
1
55 401-29260 CAL-VACUUM SV CABLE ASM
CAL − VACUUM SV ケーブル組
1
56 401-56969 STOPPER SV CABLE ASM
ストッパ SV ケーブル組
1
57 401-82340 CNV-ATC(F) CABLE ASM
CNV − ATC(F)ケーブル組
1
58 401-29261 ATC SV CABLE ASM
ATC SV ケーブル組
1
59 401-29062 PHOTOMICRO SENSOR ASM
フォトマイクロセンサ組
1
60 401-82342 CNV-SMEMA L RELAY (F) CABLE ASM
CNV − SMEMA L 中継(F)ケーブル組
1
61 401-29031 SMEMA CABLE ASM
スメマケーブル組
1
62 401-29029 CNV-SMEMA R RELAY (F) CABLE ASM
CNV − SMEMA R 中継(F)ケーブル組
1
63 401-32991 LIGHT CONTROL PCB ASM
ライトコントロール基板組
1
64 401-83434 VCS LIGHT CABLE ASM
VCS ライトケーブル組
1
65 401-82347 VCS SENS CABLE ASM
VCS センサケーブル組
1
66 401-82348 VCS UP-DOWN SENS CABLE ASM
VCS 上下センサケーブル組
1
67 400-02148 VCS SV CABLE ASM
VCS SV ケーブル組
1
68 401-65028 XY LMT SENSOR ASM
XY LMT センサ組
1
69 401-80852 BOTTOM LIGHT PCB ASM
ボトムライト基板組
1
70 401-09805 S_BACK LIGHT CABLE ASM
S _バックライトケーブル組
1
71 401-32986 BACK LIGHT PCB ASM
バックライト基板組
1
72 401-33015 SIDE LIGHT CABLE ASM
サイドライトケーブル組
1
73 401-80854 SIDE LIGHT ASM
サイドライト組
1
74 401-80857 COAXIAL LIGHT PCB ASM
コアキシャルライト基板組
1
75 401-33146 CAMERALINK CABLE SS 3M
カメラリンクケーブル SS 3 M
1
76 401-33149 VCS CAMERA
VCS カメラ
1