文档中心
/
N7205A097E.pdf
N7205A097E.pdf - 第152页
在线预览 N7205A097E.pdf PDF 文档。
目录
100%
显示:宽度
宽度
1 / 236
回到旧版
旧版
?
EJM3DE-
TP-00W
-
00
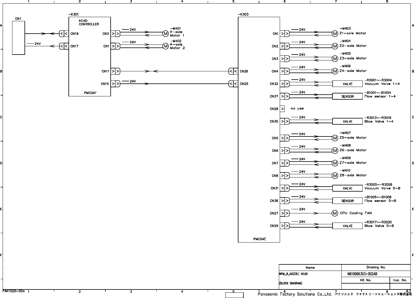
4. OPTION
4-2 8 NOZZLE HEA
D WIRING DIA
GRAM
该页面需要启用 JavaScript 才能进行交互式预览。