文档中心
/
N7205A097E.pdf
N7205A097E.pdf - 第179页
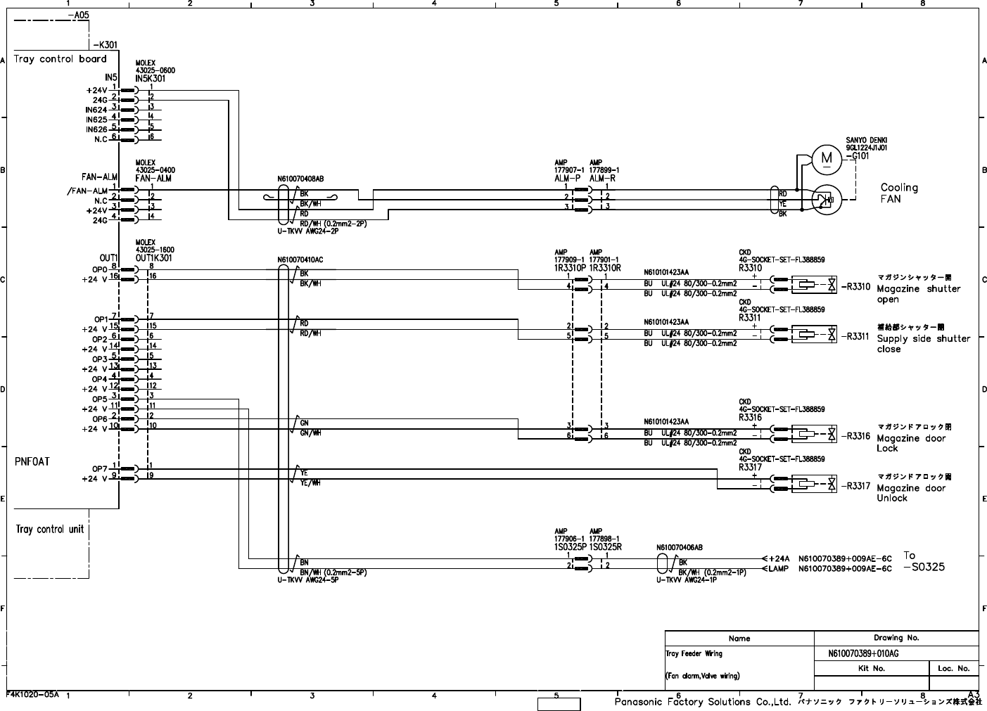
EJM3DE- TP- 00 W - 00 4. OPTION 4-5 13 RE A MS FIX CA RT WIRING
目录
100%
显示:宽度
宽度
1 / 236
回到旧版
旧版
?
EJM3DE-
TP-
00
W
-
00
4. OPTION
4-5 13 RE
A
MS
FIX CA
RT WIRING
该页面需要启用 JavaScript 才能进行交互式预览。