N7205A097E.pdf - 第227页
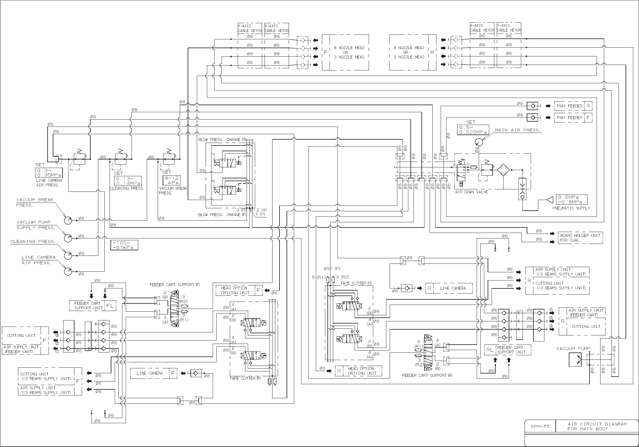
EJM3DE- TP-00W - 00 6. AIR DIAGRAM

I/O MAP
Bit
F外部5Vエラー
FExternal 5V error
F外部24Vエラー
FExternal 24V error
F照明24Vエラー
F illumination 24V error
Fヘッドロック信号
F HEAD LOCK SIGNAL
ビーム干渉センサー
Y-axis interference detection
予備入力
Input reserve
予備入力
Input reserve
Power ON
Power ON
R外部5Vエラー
RExternal 5V error
R外部24Vエラー
RExternal 24V error
R照明24Vエラー
R illumination 24V error
予備入力
Input reserve
検査ヘッドストッパー検出
Inspection head stopper detection
予備入力
Input reserve
予備入力
Input reserve
Power ON
Power ON
チェンジャシャッタ開検出
Open Changer shutter detection
チェンジャシャッタ閉検出
Close Changer shutter detection
予備入力
Input reserve
予備入力
Input reserve
プレート判別bit0
Plate distinction bit0
プレート判別bit1
Plate distinction bit1
プレート判別bit2
Plate distinction bit2
チェンジャー接続状態
Changer connection state
ページ
21
21
B1A04
Name Contents ID
NPM
Note
E0861C52
0*
ヘッドF
Address
RS422#1
1*
2*
3
41
検出
Detect
5
6
7
PON
PON
検出
Detect
PON
PON
検出
Detect
検出
Detect
Connection
機種
/
NPM-TT
HEAD#1
RS422#1
図名
パナソニックファクトリー
I/O MAP
ソリューションズ㈱
接続
E0862C52
0*
ヘッドR
RS422#2
1*
HEAD#2
2*
RS422#2
3
41
1
5
6
7
1
チェンジャーIO
11
0
E08000C
ILK
2
AEリンク
3
4*
71
5*
6*

EJM3DE-TP-00W-00
6. AIR DIAGRAM
