文档中心
/
N7205A097E.pdf
N7205A097E.pdf - 第81页
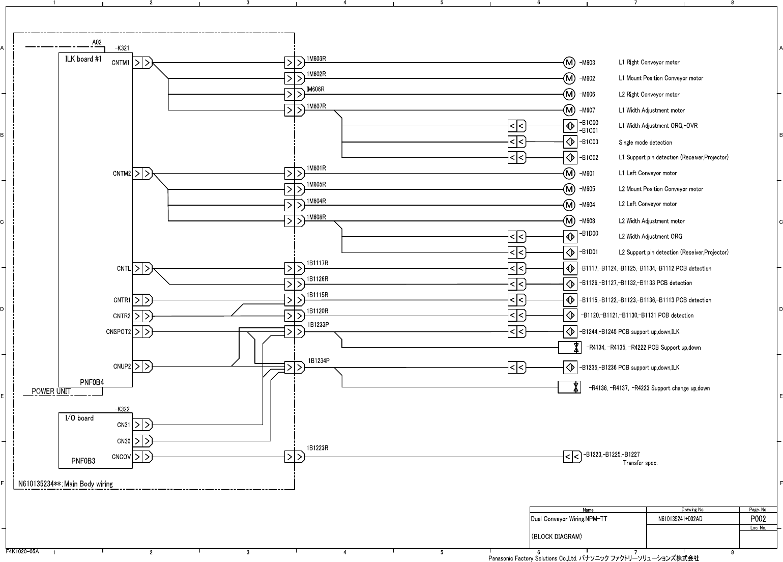
EJM3DE- TP-00W - 00 1. LOAD WIRING DIAGRAM 1-3 DUAL CONVEYOR WIRING
目录
100%
显示:宽度
宽度
1 / 236
回到旧版
旧版
?
= MEMO
=
EJM3DE-
TP-00W
-
00
1. LOAD WIRING DIAGRAM
1-3 DUAL CONVEYOR WIRING
该页面需要启用 JavaScript 才能进行交互式预览。