JM-20-Rev09PDFA.pdf - 第145页
- 140 - NOTE( 注記 ) #01....FOR ST ST 用 #02....FOR EN EN 用 REF.NO NOTE PART NO D E S C R I P T I O N 品 名 Qty 1 401-36346 BASE PCB ASM ベース基板組 1 2 #01 401-37036 POWER_UNIT(ST) 電源ユニット(ST) 1 3 #02 401-37045 POWER_UNIT(EN) 電源ユニ…

- 139 -
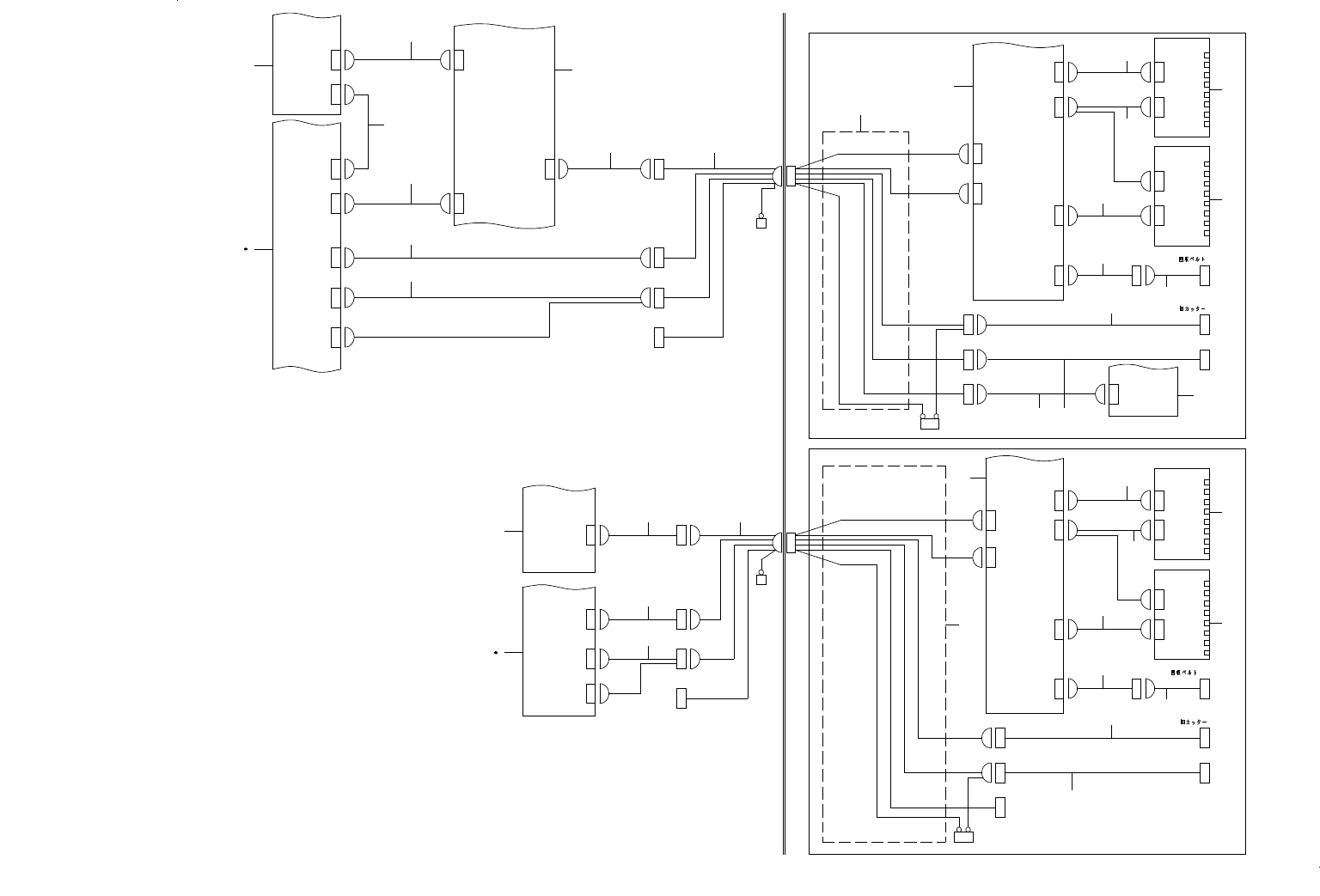
70.SYSTEM DIAGRAM(7)
SYSTEM DIAGRAM(7)
4-4D
7-3C
FG
CN461CN071CN071
BANK
BANK
CN463
CN462CN066
CN066
CN025
CN025
7-3A
MI FEEDER
PCB(5/5)
POWER UNIT
(9/9)
CN460CN205
CN5
7-2B
DRV PWR
FG
CN630
CN30
CN634
CN627
CN633
CN601 CN1
4-5C
CN507
JNT F/RCN F/R
CN626 CN26
CN34
CN27
CN33
CN649 I C
(REAR)
FEEDER I/F
PCB(2/2)
CN701
CN065
CN065
CN067
CN067
CN1
DRV PWR
FG
FG
CN6CN206
CN461
DRV PCB(2/2)
CN070
CN070
CN510
CN10
CN509CN9
CN630CN30
6-1D
BASE
PCB(5/5)
BANK
BANK
CN463
CN462
CN024
CN024
CN634
CN627
CN633
CN601 CN1
7-3C
5-4A
MI FEEDER
PCB(4/5)
POWER UNIT
(8/9)
CN460
CN203
CN207
CN019
CN3
6-3C
CN019
CN7
4-4C
CN507
JNT F/R
CN F/R
CN626CN26
FEEDER BANK
PCB
CN34
CN27
CN33
FEEDER BANK
PCB
CN649
IC
(FRONT)
FEEDER I/F
PCB(2/2)
REAR CONNECTOR BRACKET(2/2)
6-5A
6-5A
FG
123
4689
5
7
10
11
723
12
11
13 14
15
16
1817
19 19
FRONT CONNECTOR BRACKET(2/2)
20
21
22
23
24
25
26
15
17
19
18
19
20
21
22
23
16
24
FEEDER BANK
PCB
FEEDER BANK
PCB

- 140 -
NOTE( 注記 ) #01....FOR ST ST 用
#02....FOR EN EN 用
REF.NO NOTE PART NO D E S C R I P T I O N
品 名
Qty
1 401-36346 BASE PCB ASM
ベース基板組
1
2
#01
401-37036 POWER_UNIT(ST)
電源ユニット(ST)
1
3
#02
401-37045 POWER_UNIT(EN)
電源ユニット(EN)
1
4 401-36604 BANK DWN CABLE ASM
バンクダウンケーブル組
1
5 401-36605 BASE PCB PWR CABLE R ASM
ベース基板電源ケーブルR組
1
6 401-36606 FEEDER PCB PWR CABLE R ASM
フィーダ基板電源ケーブルR組
1
7 401-30370 MI FEEDER PCB ASM
MIフィーダ基板組
1
8 401-36607 MI BANK DC PWR CABLE ASM
MIバンクDC電源ケーブル組
1
9 401-36608 M BANK AC PWR CABLE ASM
MバンクAC電源ケーブル組
1
10 401-36609 FEEDER PCB IF CABLE ASM
フィーダ基板IFケーブル組
1
11 401-36610 MI BANK RLY CABLE ASM
MIバンク中継ケーブル組
1
12 401-36618 FEEDER PCB IF CABLE ASM
フィーダ基板IFケーブル組
1
13 401-36616 MI BANK DC PWR CABLE ASM
MIバンクDC電源ケーブル組
1
14 401-36617 M BANK AC PWR (R) CABLE ASM
MバンクAC電源(R)ケーブル組
1
15 401-36611 MI BANK CABLE ASM
MIバンクケーブル組
1
16 401-30360 FEEDER I/F PCB ASM
フィーダI/F基板組
1
17 401-36614 FEEDER BANK CABLE L ASM
フィーダバンクケーブルL組
1
18 401-36612 FEEDER BANK DC CABLE 5 ASM.
フィーダバンクDCケーブル5組
1
19 E8615-715-0A0 FEEDER BANK CIRCUIT BOARD ASM.
フィーダバンク基板組
1
20 401-36615 FEEDER BANK CABLE R ASM
フィーダバンクケーブルR組
1
21 401-36613 IC FULL PWR CABLE ASM
IC FULL電源ケーブル組
1
22 E9395-721-0A0 IC FULL RELAY CABLE 3 ASM.
IC FULL中継ケーブル3組
1
23 E9532-729-0A0 CUTTER POWER SOURCE CABLE ASM.
カッタ電源ケーブル組
1
24 400-75356 BANK F/R JOINT PARTS CABLE ASM
バンク中継部品ケーブル組
1
25 401-36619 DRV PCB PWR CABLE ASM
DRV基板電源ケーブル組
1
26 401-30365 DRV PCB ASM
DRV基板組
1

䢢
Notes