文档中心
/
N7205A085E.pdf
N7205A085E.pdf - 第235页
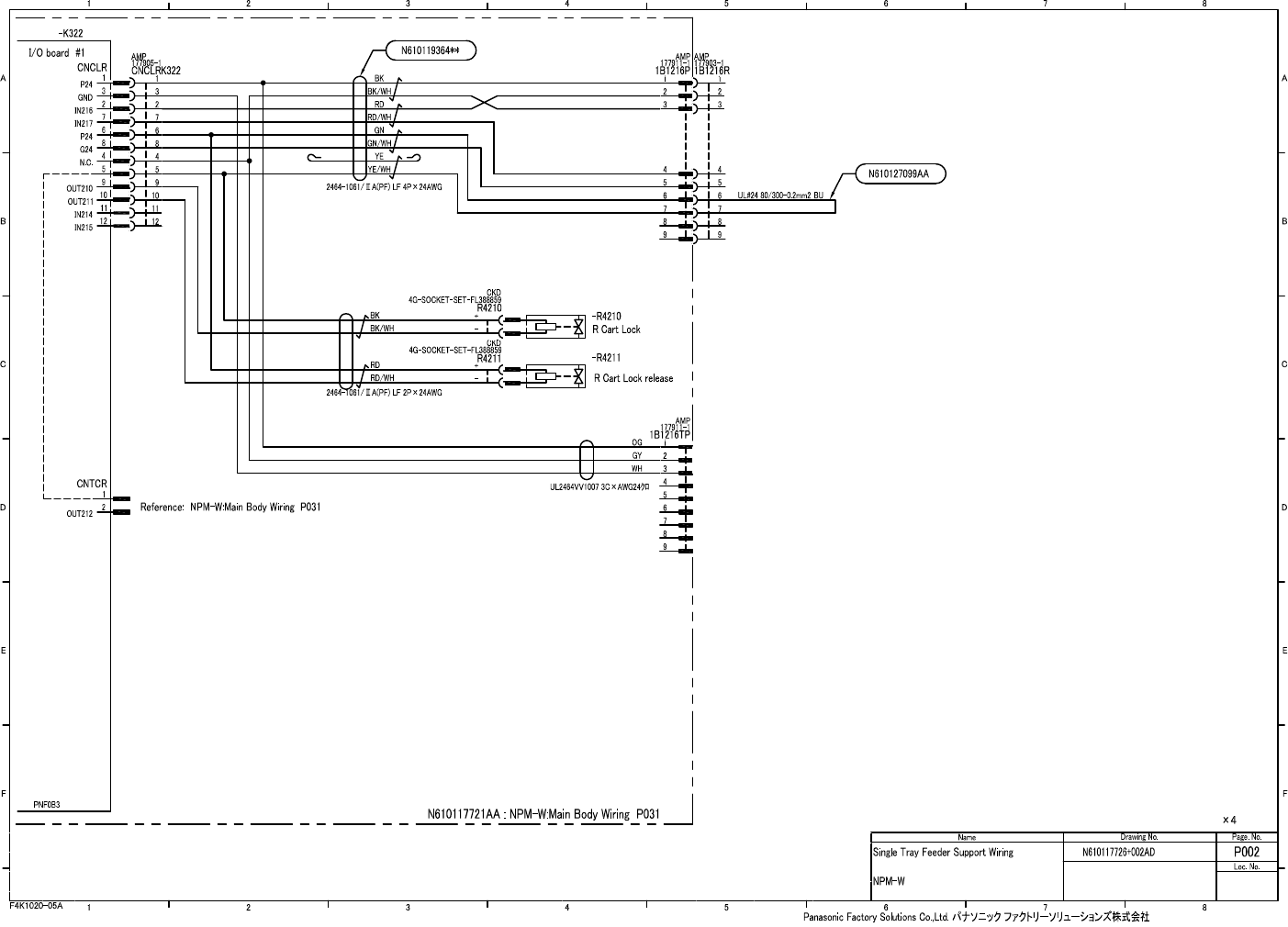
EJM2DE- TP-00W - 00 4. OPTION 4-8 SINGLE TRAY F EEDER SUPPORT WIRING
目录
100%
显示:宽度
宽度
1 / 330
回到旧版
旧版
?
= MEMO
=
EJM2DE-
TP-00W
-
00
4. OPTION
4-8 SINGLE TRAY F
EEDER SUPPORT WIRING
该页面需要启用 JavaScript 才能进行交互式预览。