文档中心
/
N7205A085E.pdf
N7205A085E.pdf - 第252页
在线预览 N7205A085E.pdf PDF 文档。
目录
100%
显示:宽度
宽度
1 / 330
回到旧版
旧版
?
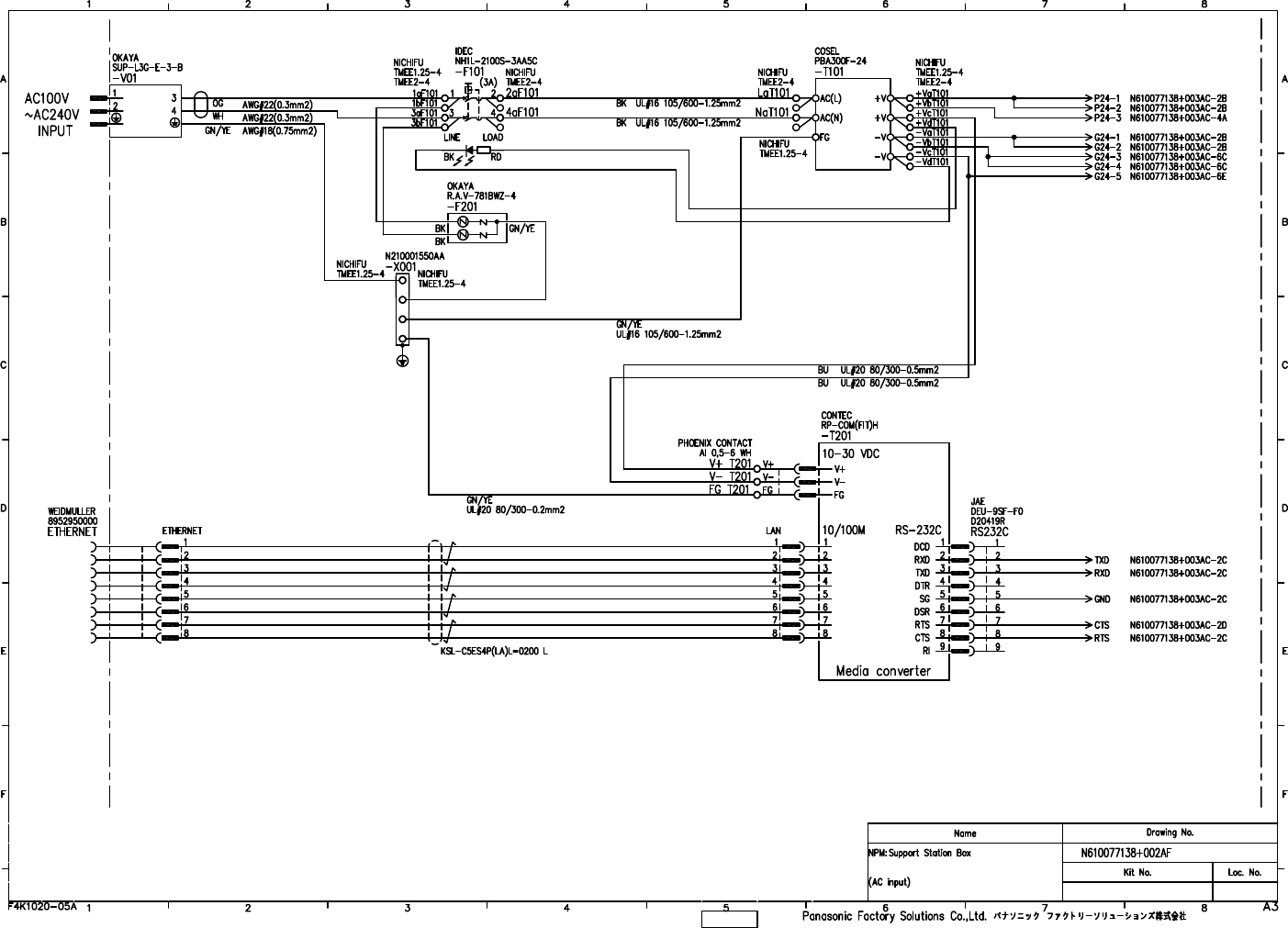
EJM2DE-TP-00W-00
4. OPTION
4-12 SUPPORT STATION
该页面需要启用 JavaScript 才能进行交互式预览。