文档中心
/
N7205A085E.pdf
N7205A085E.pdf - 第275页
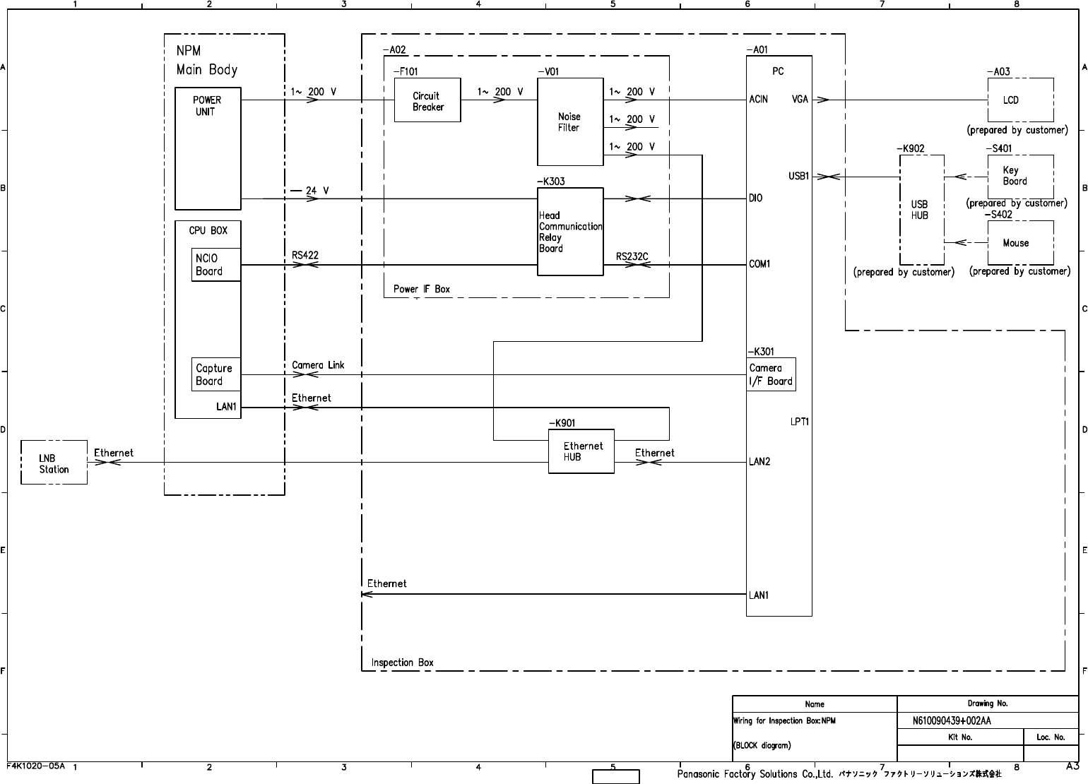
EJM2DE-TP-00W-00 4. OPTION 4-16 INSPECTION BOX
目录
100%
显示:宽度
宽度
1 / 330
回到旧版
旧版
?
EJM2DE-TP-00W-00
4. OPTION
4-16 INSPECTION BOX
该页面需要启用 JavaScript 才能进行交互式预览。