RF04AS_RF08AS_RF12AS_RF16AS_RF24AS_RF32AS_RF44AS_RF56AS_RF72AS_RF88AS-Rev06.pdf - 第27页
- 24 - NOTE( 注記 ) #01....FOR RF72 AS,RF72AS(SP) RF 72 AS, RF 72 AS(S P)用 #02....FOR RF88AS RF 88 AS 用 REF.NO NOTE PART NO D E S C R I P T I O N 品 名 Qty 1 401-89170 FEED_GEAR_THRUST_COVER_R32 フィードギヤスラストカ バー_R32 1 2 401-67…

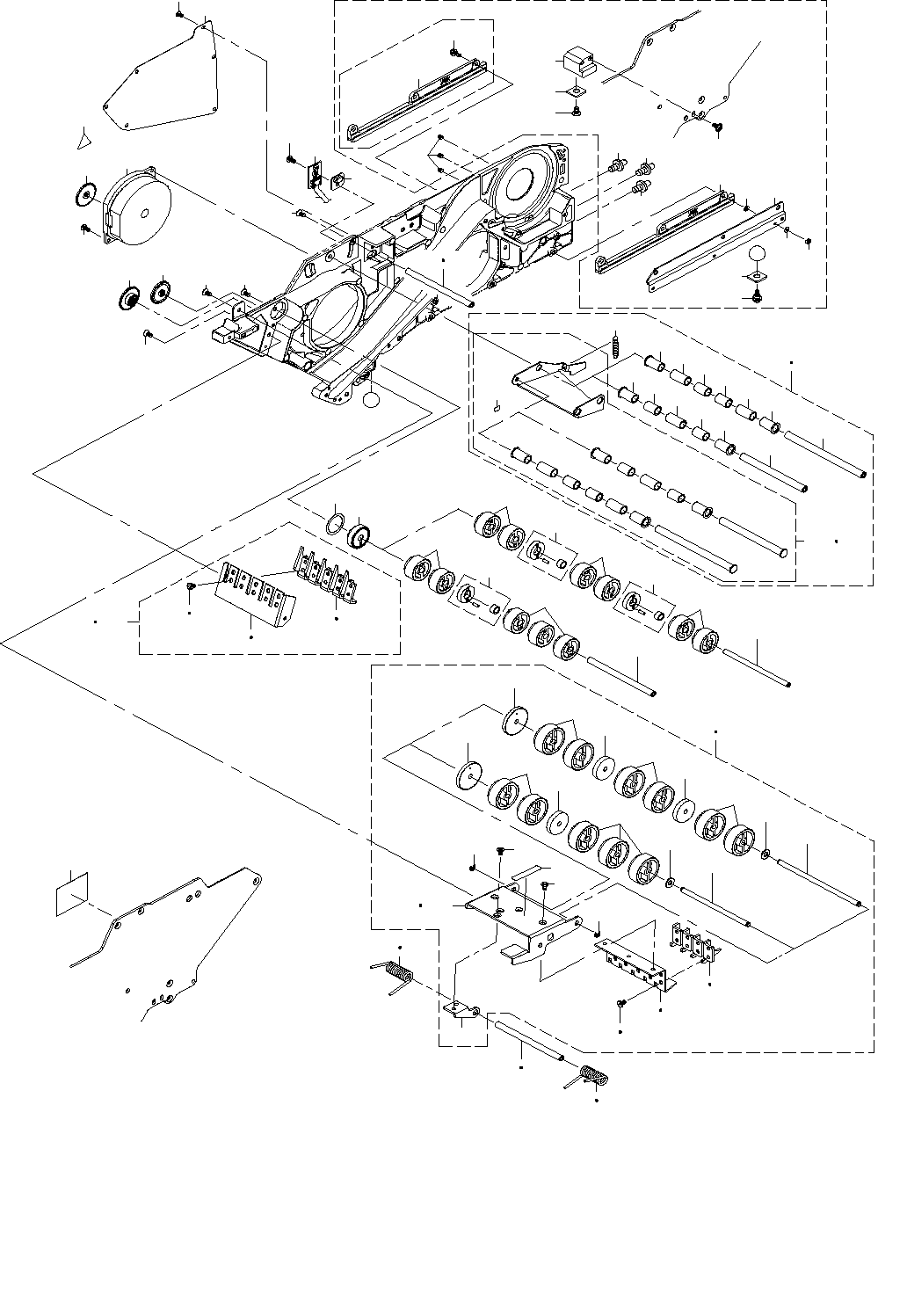
- 23 -
12.RF72AS,RF72AS(SP),RF88AS (2)
6
5
4
9
8
7
1
2
15
15
17
18
19
20
21
22
24
25
26
27
23
30
B
B
15
15
14
28 29
A
A
C
C
16
3
13
12
11
10
31 32
31 32
31
32

- 24 -
NOTE( 注記 ) #01....FOR RF72AS,RF72AS(SP) RF 72 AS,RF 72 AS(SP)用
#02....FOR RF88AS RF 88 AS 用
REF.NO NOTE PART NO D E S C R I P T I O N
品 名
Qty
1 401-89170 FEED_GEAR_THRUST_COVER_R32
フィードギヤスラストカバー_R32
1
2 401-67279 COVER_CS_SCREW_MAC_M26X6
カバーCSねじ_MAC(M2.6×6)
1
3 401-66951 MOTOR_ASSY_32K
モータ組_32K
1
4 CM-3003000-01 HIGH TEMPARATURE CAUTION LABEL 2 (16)
高温注意シール 2 (16)
1
5 401-98996 BINDING_MEC_SCREW_M26X6
バインドメックねじ(M2.6×6)
2
6 402-26792 FEED_GEAR_E_ST_R08
フィードギア_E_ST_R08
1
7 401-67203 FEED_GEAR_D_08K
フィードギアD_08K
1
8 401-67204 FEED_GEAR_C_08K
フィードギアC_08K
1
9 401-89168 FEED_GEAR_B_R32
フィードギヤB_R32
1
10 401-78886 ETF PP SENS PCB ASM_C
ETF PPセンサ基板組_C
1
11 401-89177 PP_SENSOR_BR_R32
PPセンサブラケット_R32
1
12 400-85419 SCREW M2X4
平小ねじM2×4(SUS)
2
13 SL-6030692-TN SCREW M3 L=6
座金付き六角穴ボルト M3 L=6
2
14 401-89160 TAPE_GUIDE_R32
テープガイド_R32
1
15 402-02970 SFBS-M3_L6_MEC
SFBS−M3_L6_MEC
5
16 CM-3003000-01 HIGH TEMPARATURE CAUTION LABEL 2 (16)
高温注意シール 2 (16)
1
17 401-89180 FEED_COVER_R32
フィードカバー_R32
1
18 401-89110 LOW_HEAD_SCREW_M26_L4
低頭ねじ M2.6_L4
5
19 401-89179 BLOCK_COVER_R32
ブロックカバー_R32
1
20 401-89178 BLOCK_COVER_TAPE_R32
ブロックカバーテープ_R32
1
21 401-89181 PP_SENSOR_COVER_R32
PPセンサカバー_R32
1
22 SL-4860891-SC SCREW M2.6 L=8
座金付きなべ小ねじ M2.6 L=8
2
23 400-91583 EF32_EMBOSS_SPACER_ASSY
EF32_エンボススペーサ_組
1
24 400-91599 EMBOSS_SPACER_ETF
エンボススペーサ_ETF
(1)
25 E6902-706-R00 EMBOSS SPACER 32B
エンボススペーサ 32B
(1)
26 SL-6030692-TN SCREW M3 L=6
座金付き六角穴ボルト M3 L=6
(2)
27 SL-6031092-TN SCREW M3 L=10
座金付き六角穴ボルト M3 L=10
(1)
28
#01
402-33589 FEED_SPROKET_UNIT_R72
フィードスプロケットユニット_R72
1
29
#02
402-33605 FEED_SPROKET_UNIT_R88
フィードスプロケットユニット_R88
1
30 SM-3041252-TN SCREW M4 L=12
丸ねじ M4 L=12
2
31
#01
402-30181 SPACER_52
スペーサ52
3
32
#02
402-30205 SPACER_68
スペーサ68
3

- 25 -
13.RF72AS,RF72AS(SP),RF88AS (3)
32
2
4
1
3
7
10
6
8
9
11
12
14
13
87
30 31
30 31
32
32
37
39
39
40
43
61 62
63
64 65
66
66
67 68
69 70
49
50
51
55
56
58
58
71 72
73
74
79 80
81 82
83 84
77 78
85
47 48
18
19
24
24
25
26
28
27
A
A
46
5
15
21
22
23
23
20
28
29
16
17
41
40
42
42
38
45
45
44
44
35 36
33 34
53
51
59
52
57
54
60
54
52
52
75
75
76
76
76
88
86
86
86