ETF8-56S-Rev06PDFA.pdf - 第23页
- 20 - NOTE( 注 記 ) #01... .FOR EF32FS EF 32 F S 用 #02... .FOR EF44FS EF 44 F S 用 #03... .FOR EF56FS EF 56 F S 用 #04... .FOR EF32FS(I S),EF44FS(IS),EF 56F S (IS) EF 32 F S(IS) , E F4 4F S ( I S ) ,EF 5 6 FS(IS) 用 #05... .…

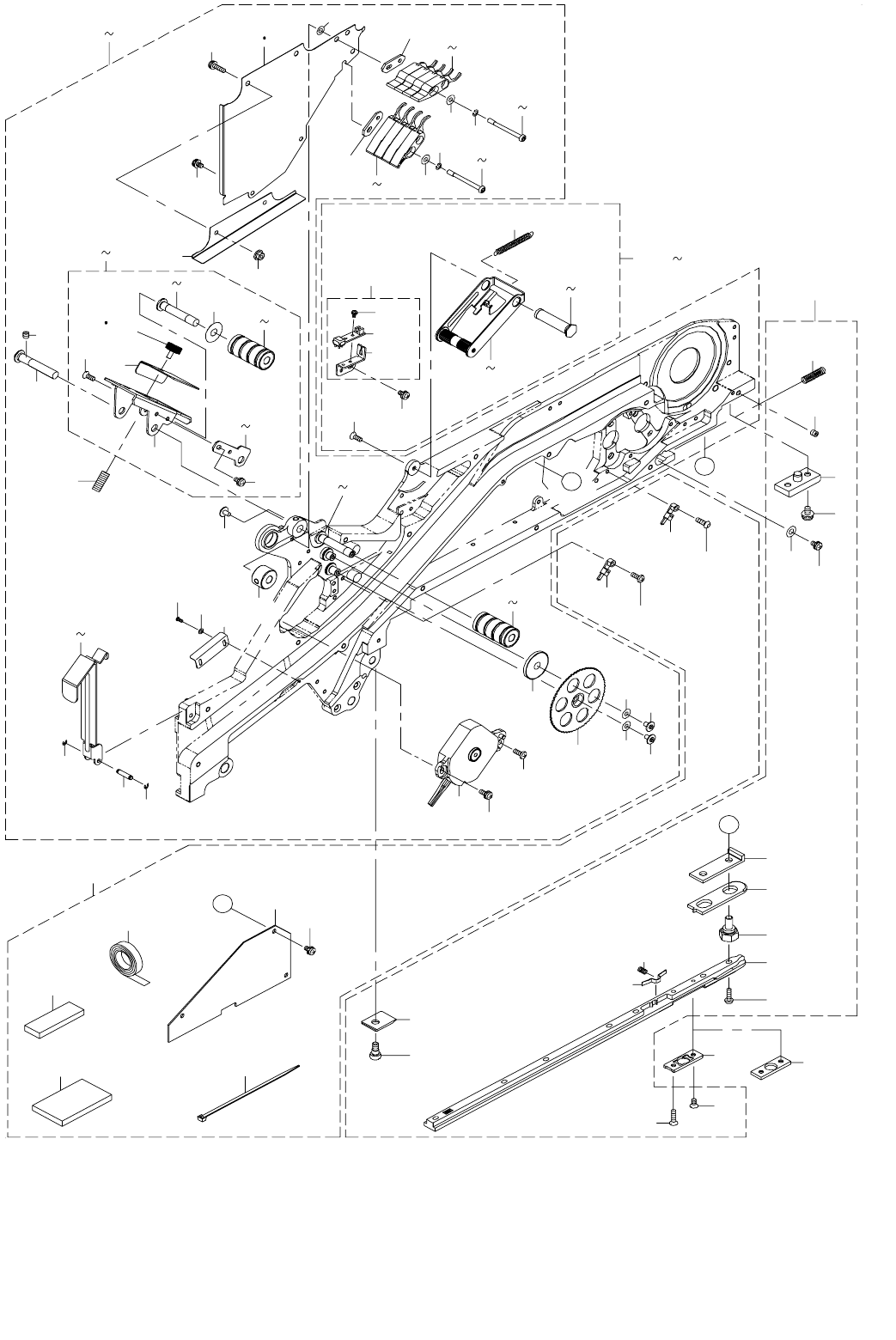
- 19 -
10.EF32FS/EF44FS/EF56FS (2)
2
3
5
6
7
8
11
12
13
19
15
16
17
18
109
110
111
108
112
A
10
9
4
14
26
89
88
20
25
31
32
28
30
27
33
35
29
38
40
44
46
84
83
84
76
77
48
90
71
91
78
80
93
94
99
101
99
100
95
107
36
74
87
87
72
72
41
43
64
66
82
37
81
97
106
113
115
73
75
69
70
68
52 54
62
47
56
58
59
61
63
55
67
96
98
B
B
92
A
85
85
49 51
41 43
116 118
103
105
1
102
86

- 20 -
NOTE( 注記 ) #01....FOR EF32FS EF 32 FS 用
#02....FOR EF44FS EF 44 FS 用
#03....FOR EF56FS EF 56 FS 用
#04....FOR EF32FS(IS),EF44FS(IS),EF56FS(IS) EF 32 FS(IS),EF44FS(IS),EF 56 FS(IS)用
#05....OLD TYPE(FOR EF32FS) 旧タイプ(EF 32 FS 用)
#06....NEW TYPE(FOR EF32FS) 新タイプ(EF 32 FS 用)
#07....OLD TYPE(FOR EF44FS) 旧タイプ(EF 44 FS 用)
#08....NEW TYPE(FOR EF44FS) 新タイプ(EF 44 FS 用)
#09....OLD TYPE(FOR EF56FS) 旧タイプ(EF 56 FS 用)
#10....NEW TYPE(FOR EF56FS) 新タイプ(EF 56 FS 用)
#11....OLD TYPE 旧タイプ
#12....NEW TYPE 新タイプ
REF.NO NOTE PART NO D E S C R I P T I O N
品 名
Qty
1 400-85433 EF12_FRONT_RAIL_UNIT
EF 12_フロントレール_ユニット
1
2 400-82693 FRONT_LINER_BLOCK_ASSY
フロントライナーブロック組
(1)
3 SL-4040881-SC SCREW M4 L=8
座金付きなべ小ねじ M 4 L =8
(2)
4 SM-8040412-TP SET SCREW M4 L=4
止めねじ
(2)
5 400-77520 Y_STOPPER_PLATE
ワイストッパープレート
(1)
6 400-77519 PLUNGER_PLATE
プランジャープレート
(1)
7 400-77516 PLUNGER_STUD
プランジャースタッド
(2)
8 400-68180 PLUNGER_GUIDE_SPRING
プランジャーガイドスプリング
(1)
9 WP-0430801-SC WASHER 4.3X9X0.8
平座金 4.3 X 9 X 0.8
(1)
10 SL-4030691-SC SCREW M3 L=6
座金付きなべ小ねじ M 3 L =6
(1)
11 400-77518 SLIDE_RAIL
スライドレール
(1)
12 400-77521 X_GUIDE_PRESSURE
エックスガイドプレッシャー
(1)
13 400-77522 X_SUPPLEMENTAL_SP
エックスサプリメンタルスプリング
(1)
14 SM-1031201-SC SCREW M3X0.5 L=12
皿小ねじ M3X0.5 L=12
(1)
15 ST-1030651-SN TAPPING SCREW D=3 L=6
タッピンねじ D =3 L =6
(1)
16 400-68255 REAR_LINER_PLATE
リアライナープレート
(1)
17 400-68191 X_GUIDE_PIN_REAR
エックスガイドピンリア
(1)
18 SM-3031052-TN SCREW M3 L=10
丸ねじ M 3 L =10
(7)
19 400-78576 RAIL_CAP
レールキャップ
1
20
#05
400-91567 EF32_PULL_UNIT
EF 32_プル_ユニット
1
21
#06
401-36048 EF32_PULL_UNIT_CD
EF 32_プルユニット_ CD
1
22
#07
400-91572 EF44_PULL_UNIT
EF 44_プル_ユニット
1
23
#08
401-36050 EF44_PULL_UNIT_CD
EF 44_プルユニット_ CD
1
24
#09
400-91577 EF56_PULL_UNIT
EF 56_プル_ユニット
1
25
#10
401-36072 EF56_PULL_UNIT_CD
EF 56_プルユニット_ CD
1
26 SM-4030801-SC SCREW M3 X 8
なべ小ねじ M 3 X 0.5 L =8
(1)
27 400-82695 PULL_MAIN_GEAR_ASSY
プルメインギア組
(1)
28 WP-0320501-SC WASHER M3
平座金 3.2 X 7 X 0.5
(1)
29 E8226-706-000 SCREW
シャッタ位置決め板ばね止めねじ
(1)
30 400-68671 PULL_INTERMEDIATE_GEAR
プルインターメディエイトギア
(1)
31 WP-0320501-SC WASHER M3
平座金 3.2 X 7 X 0.5
(1)
32 E8226-706-000 SCREW
シャッタ位置決め板ばね止めねじ
(1)
33
#01
400-91677 PULL_DRIVE_GEAR_32
プルドライブギア_32
(1)
34
#02
400-91688 PULL_DRIVE_GEAR_44
プルドライブギア_44
(1)
35
#03
400-91696 PULL_DRIVE_GEAR_56
プルドライブギア_56
(1)
36 400-85360 TH_OUTER_CHAMBER_PLATE_12
TH アウタチャンバプレート_12
(1)
37 SL-4030691-SC SCREW M3 L=6
座金付きなべ小ねじ M 3 L =6
(2)
38
#01
400-85368 PULL_GEAR_BLOCK_16
プルギアブロック_16
(4)
39
#02
400-85368 PULL_GEAR_BLOCK_16
プルギアブロック_16
(5)
40
#03
400-85368 PULL_GEAR_BLOCK_16
プルギアブロック_16
(7)
41
#01
400-91679 PULL_GEAR_BL_SH_32
プルギアブロックシャフト_32
(4)
42
#02
400-91691 PULL_GEAR_BL_SH_44
プルギアブロックシャフト_44
(4)
43
#03
400-91698 PULL_GEAR_BL_SH_56
プルギアブロックシャフト_56
(4)
44
#01
400-93040 PULL_GEAR_BLOCK_16_U
プルギアブロック_16_ U
(4)
45
#02
400-93040 PULL_GEAR_BLOCK_16_U
プルギアブロック_16_ U
(5)
46
#03
400-93040 PULL_GEAR_BLOCK_16_U
プルギアブロック_16_ U
(7)
47 SM-8040402-TP SCREW M4X0.7 L=4
止めねじ M4X0.7 L=4
(1)
48 400-85416 PULL_CABLE_GUARD
プルケーブルガード
(1)
49
#01
400-91683 CHAMBER_GATE_PLATE_32
チャンバゲートプレート_32
(1)
50
#02
400-91693 CHAMBER_GATE_PLATE_44
チャンバゲートプレート_44
(1)
51
#03
400-91700 CHAMBER_GATE_PLATE_56
チャンバゲートプレート_56
(1)
52
#01
400-91680 PULL_IDLER_ARM_32_ASSY
プル_アイドラアーム_32組
(1)
53
#02
400-91692 PULL_IDLER_ARM_44_ASSY
プル_アイドラアーム_44組
(1)
54
#03
400-91699 PULL_IDLER_ARM_56_ASSY
プル_アイドラアーム_56組
(1)
55 400-91684 PULL_IDLER_MAIN_ARM_32
プルアイドラメインアーム_32
(1)
56
#01
400-91685 PULL_IDLER_GEAR_SH_32
プルアイドラギアシャフト_32
(1)
57
#02
400-91694 PULL_IDLER_GEAR_SH_44
プルアイドラギアシャフト_44
(1)
58
#03
400-91701 PULL_IDLER_GEAR_SH_56
プルアイドラギアシャフト_56
(1)
59
#01
400-91677 PULL_DRIVE_GEAR_32
プルドライブギア_32
(1)
60
#02
400-91688 PULL_DRIVE_GEAR_44
プルドライブギア_44
(1)
61
#03
400-91696 PULL_DRIVE_GEAR_56
プルドライブギア_56
(1)
62 SM-1030801-SC SCREW M3 L=8
皿小ねじ M3X0.5 L=8
(1)
63 400-85417 SHIM_12
シム_12
(1)
64
#01
400-91686 PULL_IDLER_ARM_COVER_32
プルアイドラアームカバー_32
(1)
65
#02
400-91695 PULL_IDLER_ARM_COVER_44
プルアイドラアームカバー_44
(1)
66
#03
400-91702 PULL_IDLER_ARM_COVER_56
プルアイドラアームカバー_56
(1)
67 SL-4030691-SC SCREW M3 L=6
座金付きなべ小ねじ M 3 L =6
(2)
68 400-91687 PULL_MAINTENANCE_COVER_32
プルメンテナンスカバー_32
(1)
69
#11
400-85468 PULL_SCREW_12
プル_スクリュー_12
(1)
70
#12
401-34641 PLAPOINT_SCREW_B02PW_M3X8
プラポイントスクリュー
(1)
71 WP-0220300-SC WASHER
平座金
(2)
72 WS-0310002-KN SPRING WASHER M3
ばね座金 3.1 X 5.9 X 0.7
(4)
73 400-91681 PULL_IDLER_MAIN_ARM_SH_32
プルアイドラアームシャフト_32
(1)
74 E8226-706-000 SCREW
シャッタ位置決め板ばね止めねじ
(1)
75 400-85356 PULL_IDLER_ARM_SPRING_12
プルアイドラアームスプリング_12
(1)
76
#11
400-85359 LH_OUTER_CHAMBER_PLATE_12
LH アウタチャンバプレート_12
(1)
77
#12
401-34588 LH_OUTER_CHAMBER_PLATE_12_CD
LH アウターチャンバプレート12_ CD
(1)
78
#01
400-91678 PULL_DRIVE_GEAR_SH_32
プルドライブギアシャフト_32
(1)
79
#02
400-91689 PULL_DRIVE_GEAR_SH_44
プルドライブギアシャフト_44
(1)
80
#03
400-91697 PULL_DRIVE_GEAR_SH_56
プルドライブギアシャフト_56
(1)
81 SL-4031291-SC SCREW M3X12
なべ小ねじセムス M 3 X 0.5 L =12
(2)
82 400-91682 SET_COLLER
セットカラー
(1)
83 400-81633 C_LID_SH
C_LID_SH
(1)
84 RE-0200000-K0 E-RING
E 形止め輪 2
(2)
85
#02
400-91690 SPACER_PLATE
スペーサプレート
(4)
86
#12
E4901-760-000 POLY SLIDER THRUST WASHER
ポリスライダスラストワッシャ
(2)
87 WP-0320500-SC WASHER M3
平座金小形丸 M 3
(4)
88 400-68902 PULL MOTOR ASM
プルモータ組
(1)
89 SL-4030881-SC SCREW M3X8
なべ小ねじセムス M 3 X 0.5 L =8
(1)
90 400-85419 SCREW M2X4
平小ねじ M 2 X 4(SUS)
(2)
91 NM-3034000-SF FLANGE NUT
フランジナット M 3
(2)
92 400-91581 EF32_ELECTRIC_UNIT
EF 32エレクトリック_ユニット
1
93 EA-9500B00-00 CLIP CV-70S
結束バンド 60
(6)
94 400-95428 SINGLE SIDE ADHESION TAPE50
シングルサイドアディッションテープ50
(0.06)
95 400-69656 DRIVER_CABLE_SPONGE
ドライバーケーブルスポンジ
(1)
96 401-44088 2 MOTORS_R PCB ASM
2モータ_ R 基板組
(1)
97 400-69655 COVER_STEP_SPONGE
カバーステップスポンジ
(1)
98 SL-4030691-SC SCREW M3 L=6
座金付きなべ小ねじ M 3 L =6
(3)
99 HX-0015100-00 CLIP WITH CLAMP
結束バンド
(2)
100 SM-4030801-SC SCREW M3 X 8
なべ小ねじ M 3 X 0.5 L =8
(1)
101 SM-3031052-TN SCREW M3 L=10
丸ねじ M 3 L =10
(1)
102
#04
400-73828 TAG INSERT(E) KIT
タグインサート(E)キット
1
103
#01
400-91566 EF32_TENSIONER_UNIT
EF 32_テンショナー_ユニット
1
104
#02
400-91571 EF44_TENSIONER_UNIT
EF 44_テンショナー_ユニット
1
105
#03
400-91576 EF56_TENSIONER_UNIT
EF 56_テンショナー_ユニット
1
106 SM-1030801-SC SCREW M3 L=8
皿小ねじ M3X0.5 L=8
(1)
107 400-91665 TENSIONER_SPRING_32
テンショナースプリング_32
(1)
108 400-82698 TENSIONESENOR_SUB_ASSY
テンショナーサブ組
(1)
109 400-77532 TENSIONER_SENSOR_BRKT
テンショナ−センサーブラケット
(1)
110 400-55018 TENSIONER SENS PCB ASM
テンショナ−センサー基板組
(1)
111 401-02832 WILCO F 0205N D
ウィルコ セットなべ小ねじ F−0205N−D
(2)
112 SL-4030691-SC SCREW M3 L=6
座金付きなべ小ねじ M 3 L =6
(1)
113
#01
400-91663 TENSIONER_ARM_ASSY_32
テンショナーアームク組_32
(1)
114
#02
400-91669 TENSIONER_ARM_ASSY_44
テンショナーアーム組_44
(1)
115
#03
400-91674 TENSIONER_ARM_ASSY_56
テンショナーアーム組_56
(1)
116
#01
400-91664 GUIDE_ROLLER_SH_32
ガイドローラシャフト_32
(1)
117
#02
400-91670 GUIDE_ROLLER_SH_44
ガイドローラシャフト_44
(1)
118
#03
400-91675 GUIDE_ROLLER_SH_56
ガイドローラシャフト_56
(1)

- 21 -
11.EF32FS/EF44FS/EF56FS (3)
2
4
6
8
3
5
9
7
19
20
15
17
25
27
28
29
30
31
32
19
33
37
36
34
38
39
40
41
42
44
43
16
48
49
53
52
51
22
23
17
18
46
35
47
14
15
10
13
45
50
54
57
56
58
59
A
55
1
A