NXTII partlist.pdf - 第40页
Ќ $ୖ᪼8S %ୗ㝆'RZQ Ў Ќ $ୖ᪼8S %ୗ㝆'RZQ Ў ୗഃ /RZHUVLGH ୖഃ 8SSHUVLGH ୗẁ %RWWRP ୰ẁ 0LGGOH ୖẁ 7RS Ћ $ࢩࣕࢵࢱ࣮㛤 6KXWWHURSHQ Ѝ %ࢩࣕࢵࢱ࣮㛢 6KXWWHUFORVH Ref.BED d d 1 2 1 2 3 4 5 …
ࡇࡢ࣮࣌ࢪࡣࣈࣛࣥࢡ࣮࣌ࢪ࡛ࡍࠋ
This page intentionally blank.
39
PTS-NXT2-04JE Vol.1

Ќ
$ୖ᪼8S
%ୗ㝆'RZQ
Ў
Ќ
$ୖ᪼8S
%ୗ㝆'RZQ
Ў
ୗഃ
/RZHUVLGH
ୖഃ
8SSHUVLGH
ୗẁ
%RWWRP
୰ẁ
0LGGOH
ୖẁ
7RS
Ћ
$ࢩࣕࢵࢱ࣮㛤
6KXWWHURSHQ
Ѝ
%ࢩࣕࢵࢱ࣮㛢
6KXWWHUFORVH
Ref.BED
dd
1
2
1
2
3
4
5
6
5
5
7
8
8
9
9
9
10
11
12
13
14
15
17
18
1919
20 21
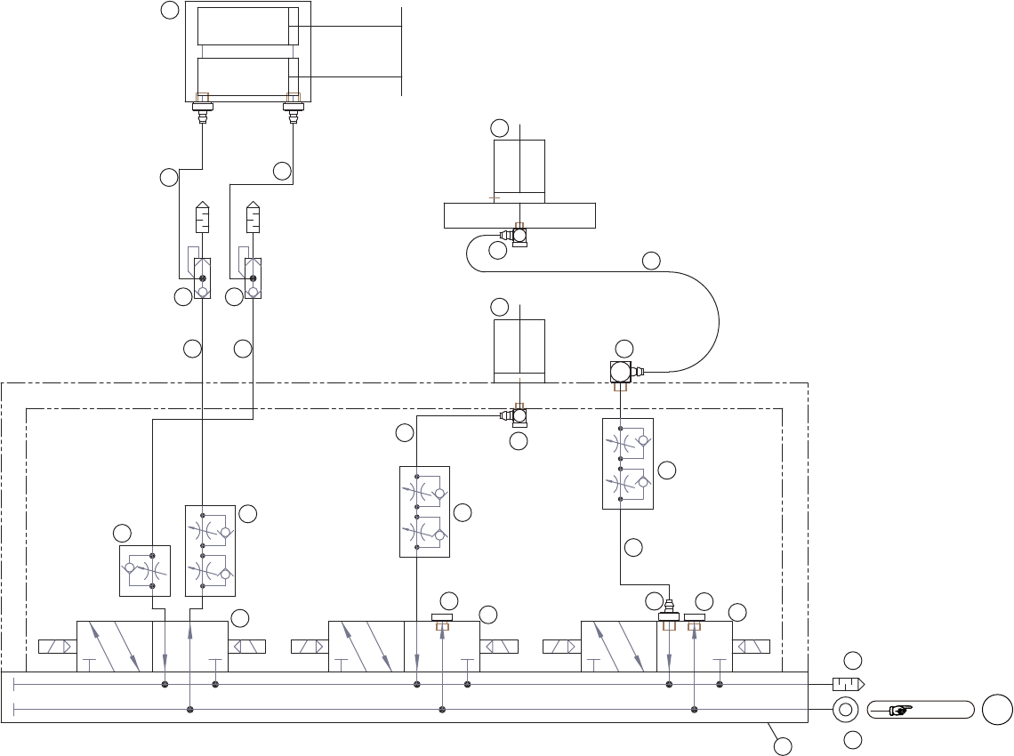
ࣀࢬࣝࢳ࢙ࣥࢪ࢚࣮ࣕ㓄⟶ᅗ
12==/(&+$1*(531(80$7,&&,5&8,7',$*5$0
UL03334(M3 II,M3S)
UL03434(M6 II,M6S,AIM)
40
PTS-NXT2-04JE Vol.1

NOZZLE CHANGER (PNEUMATIC CIRCUIT DIAGRAM) 2/2 UL03334(M3 II,M3S)
ノズルチェンジャ (エアー配管図) 2/2 UL03434(M6 II,M6S,AIM)
No. Drg.No. & Code No. QTY Description Rating Materials Remarks
番号 図番 & コード番号 個数 品名 規格 材質 備考
1 XS03490 2 CYLINDER, AIR シリンダ エアー OT
2 A4067A 2 ELBOW エルボ M-3ALU-4 OT
3 PZ07413 1 TUBE チューブ OT
4 A4068H 1 ELBOW エルボ M-5ALU-4 OT
5 K5335K 3 CONTROLLER, SPEED コントローラ スピード ASD230F-M5-04 OT
6 PZ24042 1 TUBE チューブ OT
7 N2030T 1 NIPPLE ニップル M-5AU-4 OT
8 H3146A 2 PLUG プラグ M-5P OT
9 H11224 3 VALVE, SOL バルブ SOL SY3220-5MOZ-M5 OT
10 S1058A 1 SILENCER サイレンサ AN120-M5 OT
11 Y3121K 1 UNION, ELBOW ユニオン エルボ KQ2VS04-M5 OT
12 AA39D10 1 BASE ベース OT
13 PZ07781 1 TUBE チューブ OT
14 K5339N 1 CONTROLLER, SPEED コントローラ スピード AS1311F-M5-04 OT
15 XS03980 1 CYLINDER, AIR シリンダ エアー OT
17 PZ22231 1 TUBE チューブ OT
18 PZ21131 1 TUBE チューブ OT
19 H13332 2 VALVE バルブ AQ240F-04-00 OT
20 PZ24301 1 TUBE チューブ OT
21 PZ24311 1 TUBE チュー
ブ
OT
41
PTS-NXT2-04JE Vol.1