NXTII partlist.pdf - 第97页
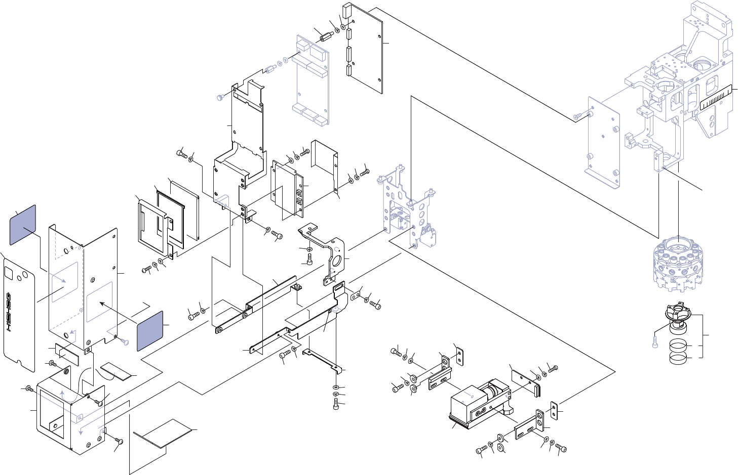
H12HS HEAD(AUTO BACKUP PIN EQUIPMENT) H12HS ヘッド(自動バックアップピン機能) AA74A02 No. Drg.No. & Code No. QTY Description Rating Materials Remarks 番号 図番 & コード番号 個 数 品名 規格 材質 備考 1 AA17R11 1 CHUCK チャック OT 5 XK04851 1 BOARD, PR…

49
25
30
29
28
35
34
18
19
19.1
20
21
22
24
23
8
9
10
11
5
7
6
25.1
25.1
26
27
45
47
48
46
1
31
32
33
37
41
40
42
43
AA74A02
++6+($'$872%$&.833,1(48,30(17
++6࣊ࢵࢻ⮬ືࣂࢵࢡࢵࣉࣆࣥᶵ⬟
96
PTS-NXT2-04JE Vol.1

H12HS HEAD(AUTO BACKUP PIN EQUIPMENT)
H12HS ヘッド(自動バックアップピン機能)
AA74A02
No. Drg.No. & Code No. QTY Description Rating Materials Remarks
番号 図番 & コード番号 個数 品名 規格 材質 備考
1 AA17R11 1 CHUCK チャック OT
5 XK04851 1 BOARD, PRINTED CIRCUIT 基板 プリント OT
6 K5175W 2 SCREW, C/R PAN 小ネジ 十穴鍋 M02X006 ステンレス FE
7 W1020A 2 WASHER, LOCK ワッシャ スプリング 2M/M FE
8 PB91410 1 BKT, SENSOR BKT センサ FE
9 H52683 2 BOLT, HEX SOCKET ボルト 六角穴 M02.5X005 FE
10 W1020H 2 WASHER, LOCK ワッシャ スプリング 2.5M/M FE
11 W1039K 2 WASHER, FLAT ワッシャ 平 2.5M/M(ステンレス) FE
18 PB39801 1 DOG, SW ドッグ SW FE
19 K5180G 2 SCREW, C/R PAN 小ネジ 十穴鍋 M02X004 0バン3シュ(3カ クロ) FE
19.1 W1020A 2 WASHER, LOCK ワッシャ スプリング 2M/M FE
20 PB39811 1 DOG, SW ドッグ SW FE
21 K5180C 2 SCREW, C/R PAN 小ネジ 十穴鍋 M01.7X003 0バン3シュ(3カ クロ) FE
22 PB30983 1 BKT, SENSOR BKT センサ FE
23 K5256A 2 SCREW, HEX SOCKET BUTTON 小ネジ 六角穴ボタン M03X008 FE
24 W1021A 2 WASHER, LOCK ワッシャ スプリング 3M/M FE
25 PM08TL1 1 FLANGE フランジ AL
25.1 N4087K 2 SCREW, HEX SOCKET SET ネジ 六角穴止め M01.6X002 クボミサキ FE
26 H5265A 3 BOLT, HEX SOCKET ボルト 六角穴 M02X005 FE
27 W1020A 3 WASHER, LOCK ワッシャ スプリング 2M/M FE
28 H5265A 1 BOLT, HEX SOCKET ボルト 六角穴 M02X005 FE
29 H5266A 1 BOLT, HEX SOCKET ボルト 六角穴 M02X006 FE
30 W1020A 1 WASHER, LOCK ワッシャ スプリング 2M/M FE
31 XS01843 1 CYLINDER シリンダ OT
32 H5267A 3 BOLT, HEX SOCKET ボルト 六角穴 M02X008 FE
33 W1020A 3 WASHER, LOCK ワッシャ スプリング 2M/M FE
34 PM55703 1 SHAFT シャフト FE
35 PM55002 1 BUSHING, GUIDE ブシュ ガイド OT
37 K51684 1 SCREW, C/R COUNTERSUNK 小ネジ 十穴皿 M02X006(3カ クロ) FE
40 AA53A01 1 SENSOR センサ OT
41 S40580 1 SENSOR センサ E3T-FD14 OT
42 XS02681 1 SLIT スリット OT
43 K5175M 2 SCREW, C/R PAN 小ネジ 十穴鍋 M02X004(0バン 1シュ)ステンレス FE
45 PJ06032 1 PLATE, ACRYLIC プレート アクリル OT
46 H1122D 1 VALVE, SOL バルブ SOL SYJ3140-5M0U OT
47 . 1 GASKET ガスケット SYJ3000-14-2 OT ACC-46
48 . 2 SCREW 小ネジ SY100-33-3 OT ACC-46
49 PX07571 1 SEAL, BAR CODE シール バーコード OT unit serial number
97
PTS-NXT2-04JE Vol.1

AA
AA
+5$
7
8
9
10
11
12
12
13
13
14
15
15
16
16
17
18
19
20
21
22
23
24
25
26
27
28
27
28
29
30
31
33
34
35
36
37
38
39
40
43
44
75
76
45
46
57
58
59
60
61
65
62
63
64
65
66
67
67
68
69
71
72
73
73
73
73
74
71
68
66
66
66
32
17
70
77
77
1
3
2
AA74B13
++64࣊ࢵࢻࣃ࣮ࢶഃ㠃ㄆ㆑ᶵ⬟ࡁ࣊ࢵࢻ
++64+($'+HDGZLWKSDUWVLGHUHFRJQLWLRQ
98
PTS-NXT2-04JE Vol.1