NXTII partlist.pdf - 第79页
ࡇࡢ࣮࣌ࢪࡣࣈࣛࣥࢡ࣮࣌ࢪ࡛ࡍࠋ This page intentionally blank. 79 PTS-NXT2-04JE Vol.1

V12 HEAD 3/4
V12 ヘッド 3/4 UH03302
No. Drg.No. & Code No. QTY Description Rating Materials Remarks
番号 図番 & コード番号 個数 品名 規格 材質 備考
122 W1021A 2 WASHER, LOCK ワッシャ スプリング 3M/M FE
123 PB04TA1 1 COVER, LOWER カバー 下 FE
124 K5255A 1 SCREW, HEX SOCKET BUTTON 小ネジ 六角穴ボタン M03X004 FE
125 AA9AS04 1 BOARD 基板 OT
126 PZ53032 3 SCREW, C/R PAN 小ネジ 十穴鍋 OT
78
PTS-NXT2-04JE Vol.1
ࡇࡢ࣮࣌ࢪࡣࣈࣛࣥࢡ࣮࣌ࢪ࡛ࡍࠋ
This page intentionally blank.
79
PTS-NXT2-04JE Vol.1

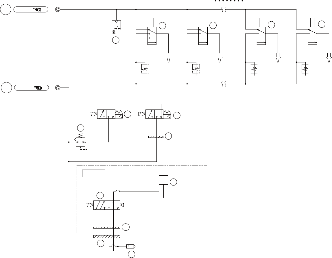
㈇ᅽ
┿✵࣏ࣥࣉࡼࡾ
1HJSUHVV
)URP9DFXXPSXPS
Ref.BED
a2a2
3RVSUHVV
ṇᅽ
.3D
Ref.BED
a1a1
ࣀࢬࣝࢡ࣮ࣜࢽࣥࢢ┿✵◚ቯ
$LUEORZ
1R]]OHFOHDQLQJ
237,21
⮬ືࣂࢵࢡࢵࣉࣆࣥᶵ⬟
$XWREDFNXSSLQHTXLSPHQW
12==/( 12==/( 12==/( 12==/(
>$@ >%@ >.@ >/@
㸿
㹀
㸰
㸰
㸰
㸰
㸯
㸴
㸵
㸳
㸲
㸲
㸷
㸯㸱
㸯㸯
㸶
UH03302
9࣊ࢵࢻ
9+($'
80
PTS-NXT2-04JE Vol.1